GM Service Manual Online
For 1990-2009 cars only
Makes
🢒
Cadillac
🢒
2007
🢒
Escalade EXT
🢒 Fuel Controls - EVAP and Device Controls
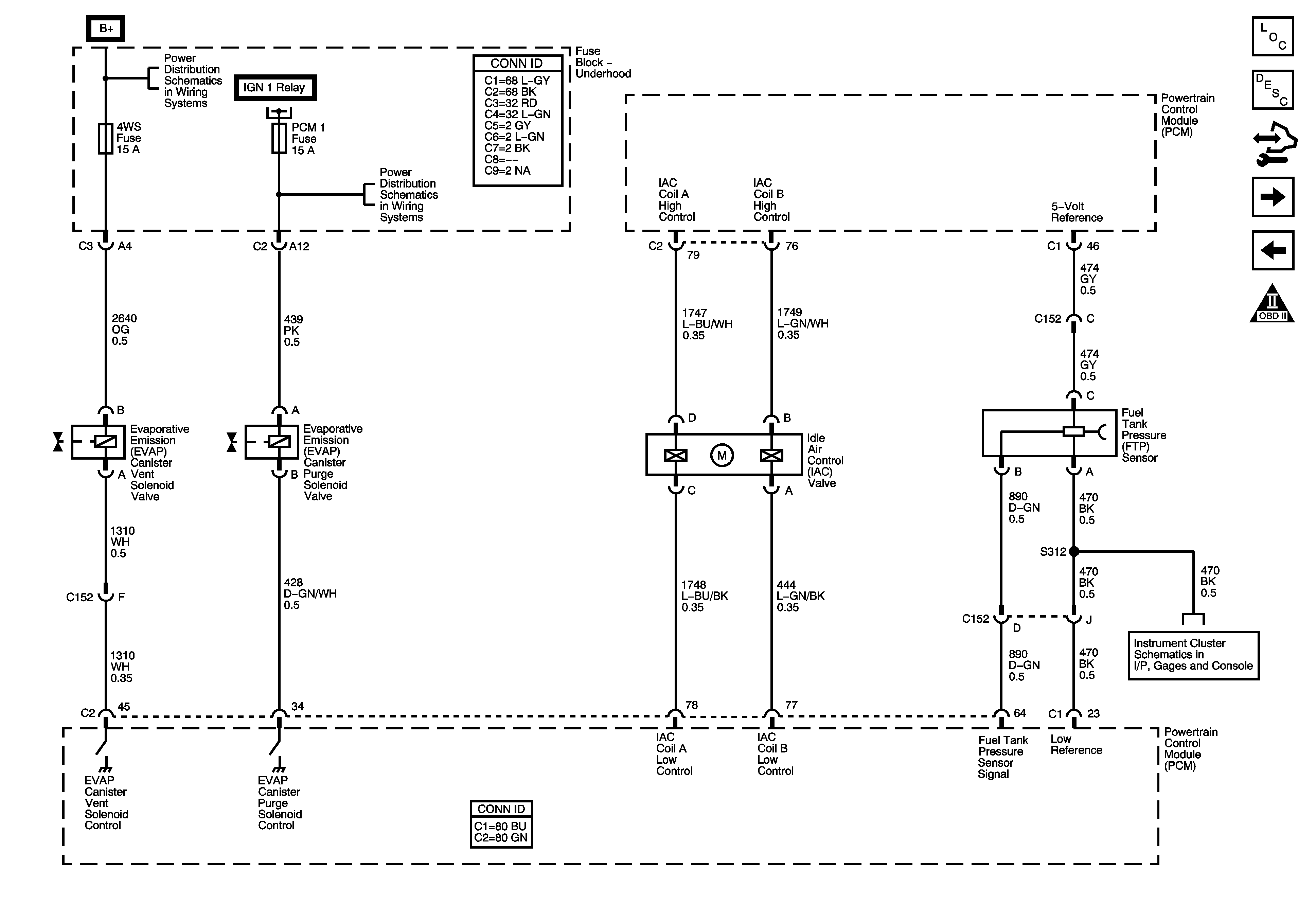
Fuel Controls - EVAP and Device Controls
Fuel Controls - EVAP and Device Controls
Master Electrical Component List
Powertrain Control Module Description
Control Module References
Transmission and Controlled/Monitored Subsystem References
Fuel Pump Controls and Fuel Injectors
Engine Controls Schematic Icons
B+ Bus Bar
Module Power, Ground, Serial Data, and MIL
ETC/ECM, INJ 1, INJ 2, PCM 1, and SBA Fuses - Gas
Gages, Vehicle Speed Signal, Engine Oil Pressure, and Fuel Level Sensors