GM Service Manual Online
For 1990-2009 cars only
Makes
🢒
Cadillac
🢒
2007
🢒
Escalade EXT
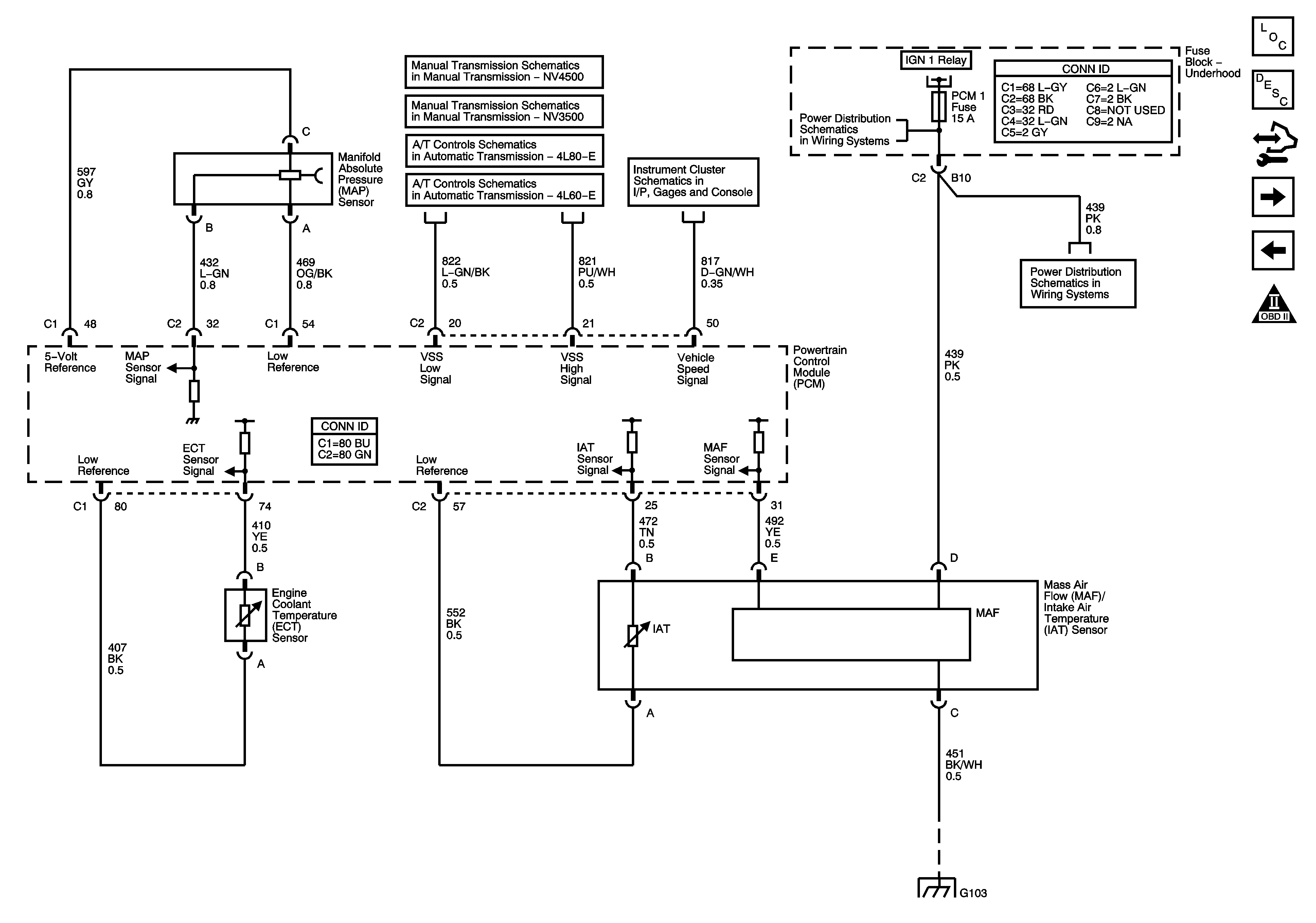
🢒 Engine Data Sensors - Pressure, Temperature, MAF, and VSS
Engine Data Sensors - Pressure, Temperature, MAF, and VSS
Engine Data Sensors - Pressure, Temperature, MAF, and VSS
Master Electrical Component List
Powertrain Control Module Description
Control Module References
Engine Data Sensors - Oxygen Sensors (w/o HP2)
Engine Data Sensors - 5-Volt and Low Reference
Engine Controls Schematic Icons
Manual Transmission - NV4500
Manual Transmission - NV3500
Pressure Controls, Temperature, and VSS
Pressure Controls, Temperature, and VSS
Gages, Vehicle Speed Signal, Engine Oil Pressure, and Fuel Level Sensors
ETC/ECM, INJ 1, INJ 2, PCM 1, and SBA Fuses - Gas
Module Power, Ground, Serial Data, and MIL
ETC/ECM, INJ 1, INJ 2, PCM 1, and SBA Fuses - Gas
G102, G103 and G108 - Diesel