GM Service Manual Online
For 1990-2009 cars only
Makes
🢒
Cadillac
🢒
2007
🢒
Escalade EXT
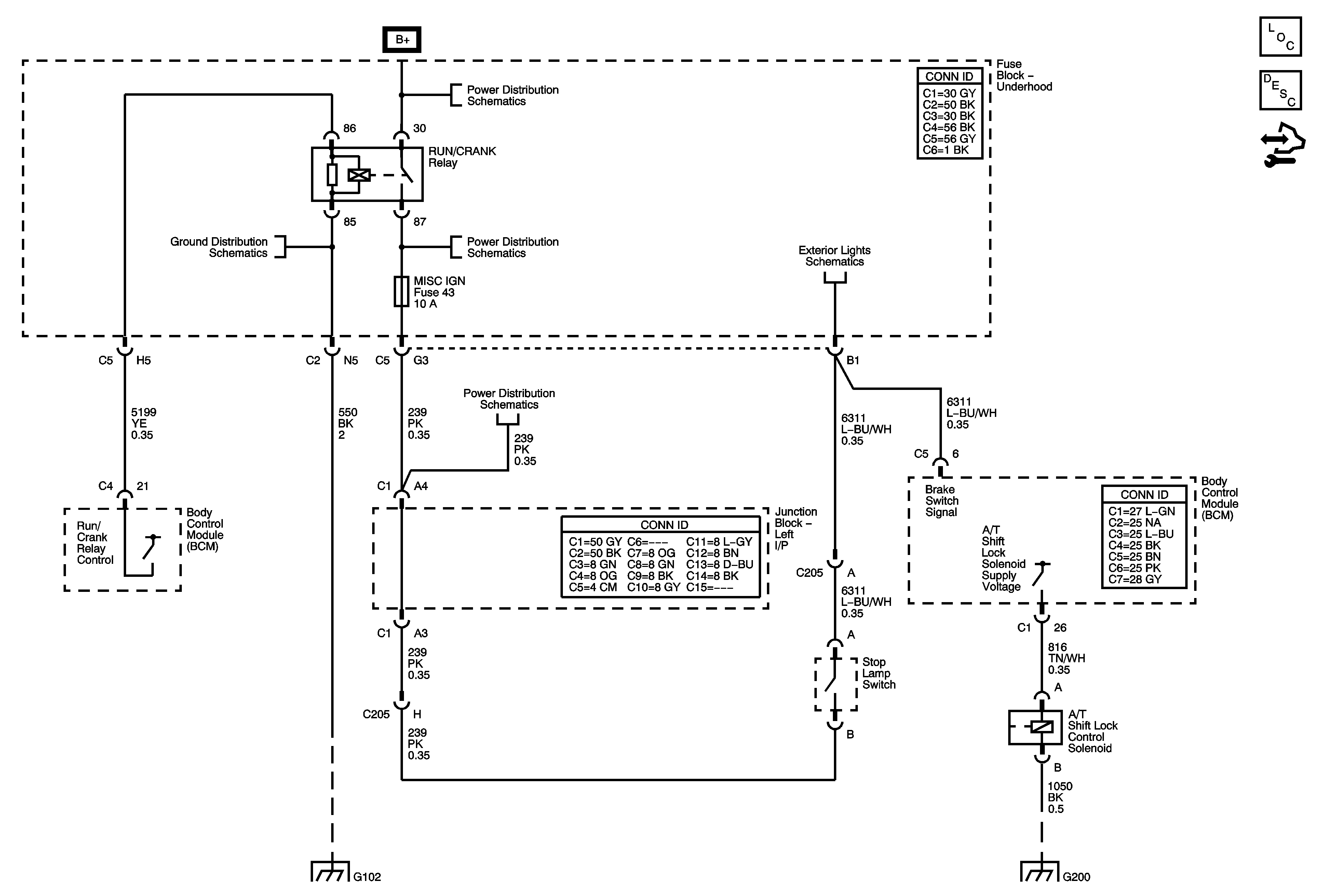
🢒 Shiftlock Control Schematics
Shiftlock Control Schematics
Master Electrical Component List
Automatic Transmission Shift Lock Control Description and Operation
Control Module References
G102 and G108
B+ Bus - 1 of 3
B+ Bus - 3 of 3
RUN/CRANK Bus - AIRBAG IGN, MISC IGN, ans SEO/ALC Fuses
G102 and G108
Stop Lamp Controls and CHMSL
G200 - 1 of 2