GM Service Manual Online
For 1990-2009 cars only
Makes
🢒
Cadillac
🢒
2007
🢒
Escalade EXT
🢒 Sensors - JD9 Under 8600 GVW
Sensors - JD9 Under 8600 GVW
Sensors - JD9 Under 8600 GVW
Master Electrical Component List
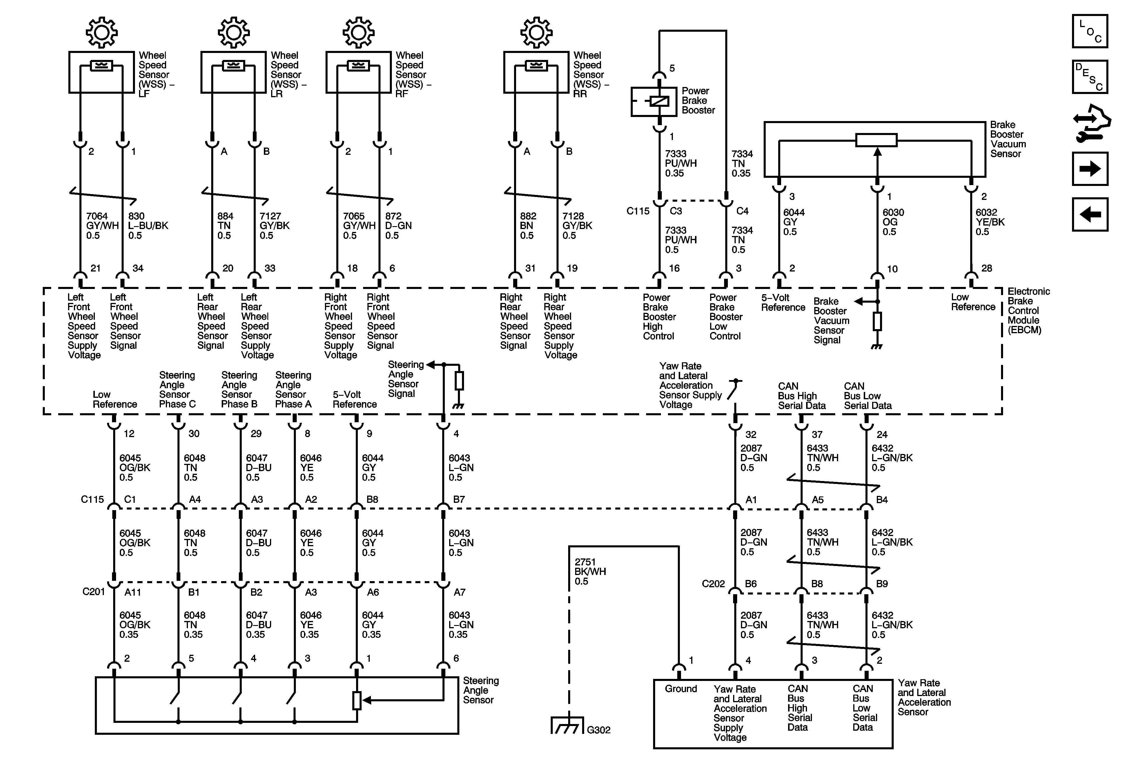
ABS Description and Operation Under 8600 GVW
Control Module References
JH6 Over 8600 GVW
Module Power, Ground, and Serial Data, Pump Motor and Brake Switch - JD9 Under 8600 GVW
G300 and G302