GM Service Manual Online
For 1990-2009 cars only
Makes
🢒
Cadillac
🢒
2007
🢒
Escalade EXT
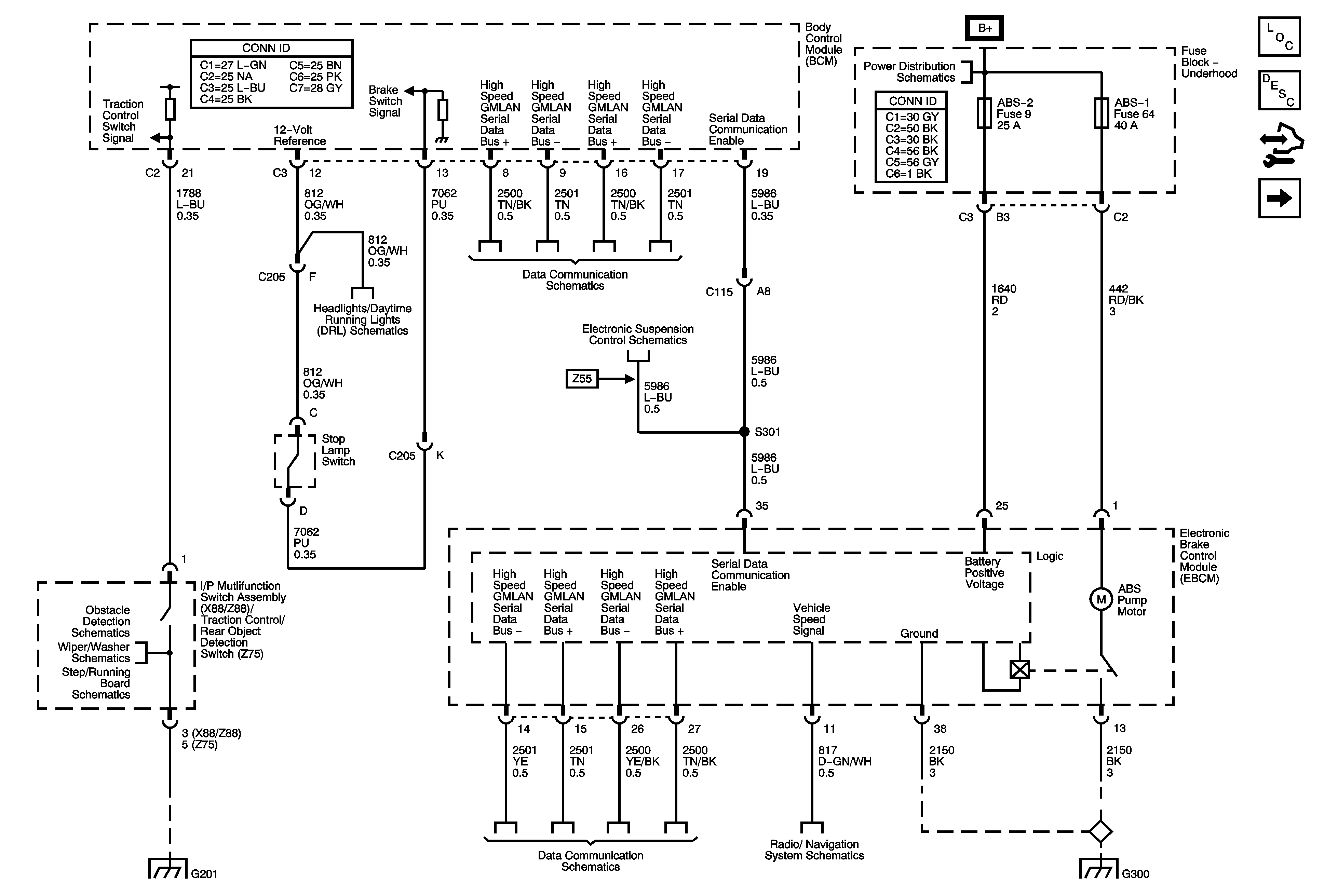
🢒 Module Power, Ground, and Serial Data, Pump Motor and Brake Switch - JD9 Under 8600 GVW
Module Power, Ground, and Serial Data, Pump Motor and Brake Switch - JD9 Under 8600 GVW
Module Power, Ground, and Serial Data, Pump Motor and Brake Switch - JD9 Under 8600 GVW
Master Electrical Component List
ABS Description and Operation Under 8600 GVW
Control Module References
Sensors - JD9 Under 8600 GVW
B+ Bus - 1 of 3
Dimming Control and LED Dimming - 1 of 3
High Speed Bus - 1 of 2
Module Power, Ground, and Serial Data
Heated Washer System
Rear Object Sensing (UD7)
Running Board Schematics
G201
High Speed Bus - 2 of 2
Radio Power, Ground, Serial Data, and Antenna Signals
G300 and G302