GM Service Manual Online
For 1990-2009 cars only
Makes
🢒
Cadillac
🢒
2007
🢒
Escalade EXT
🢒 JH6 Over 8600 GVW
JH6 Over 8600 GVW
JH6 Over 8600 GVW
Master Electrical Component List
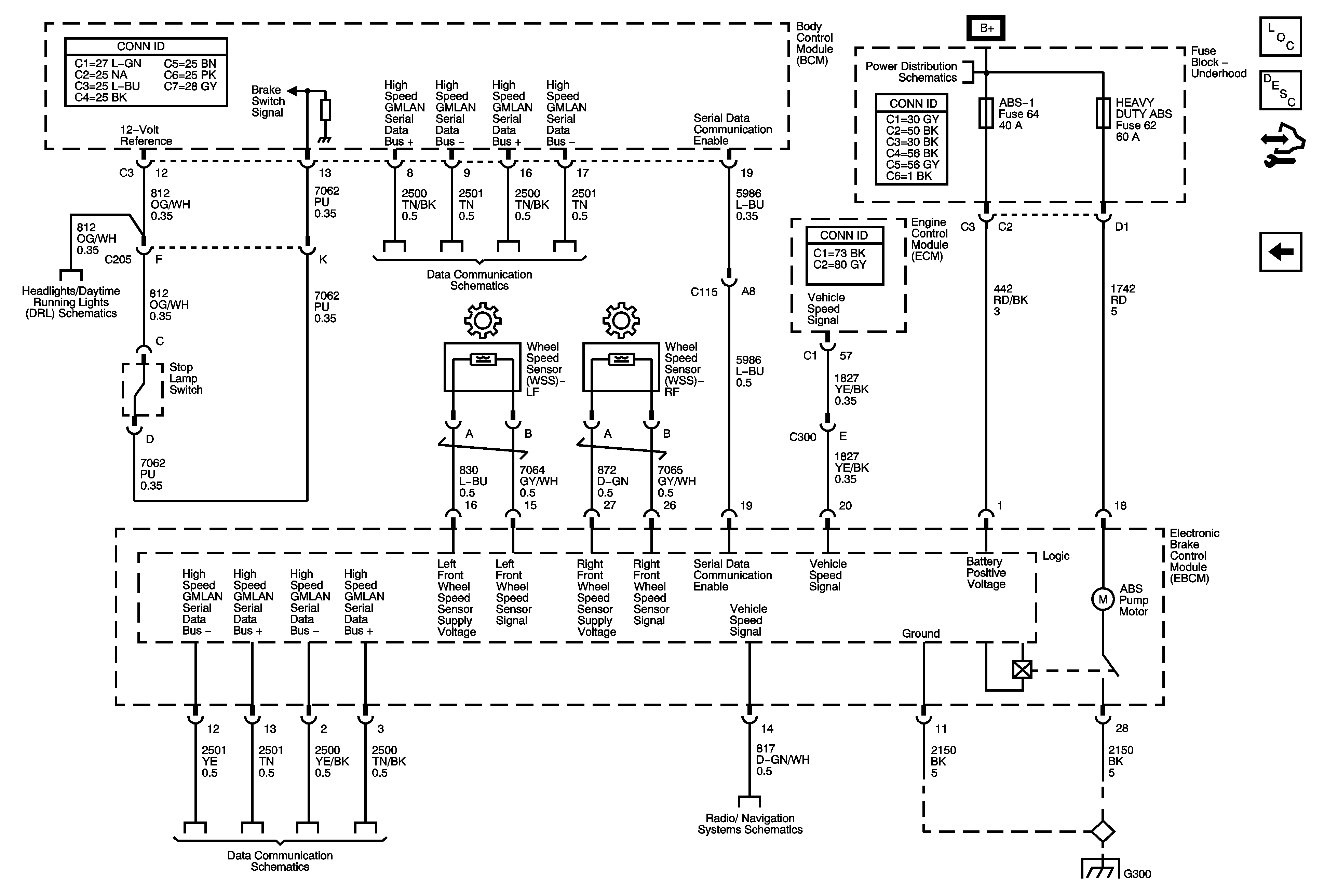
ABS Description and Operation Equal to or Over 8600 GVW
Control Module References
Sensors - JD9 Under 8600 GVW
Dimming Control and LED Dimming - 1 of 3
B+ Bus - 1 of 3
High Speed Bus - 2 of 2
Radio Power, Ground, Serial Data, and Antenna Signals
G300 and G302
High Speed Bus - 1 of 2