GM Service Manual Online
For 1990-2009 cars only
Makes
🢒
Cadillac
🢒
2007
🢒
Escalade EXT
🢒 Module Power, Ground, and Serial Data
Module Power, Ground, and Serial Data
Module Power, Ground, and Serial Data
Master Electrical Component List
Electronic Suspension Control Description and Operation
Control Module References
Position Sensors and Solenoids
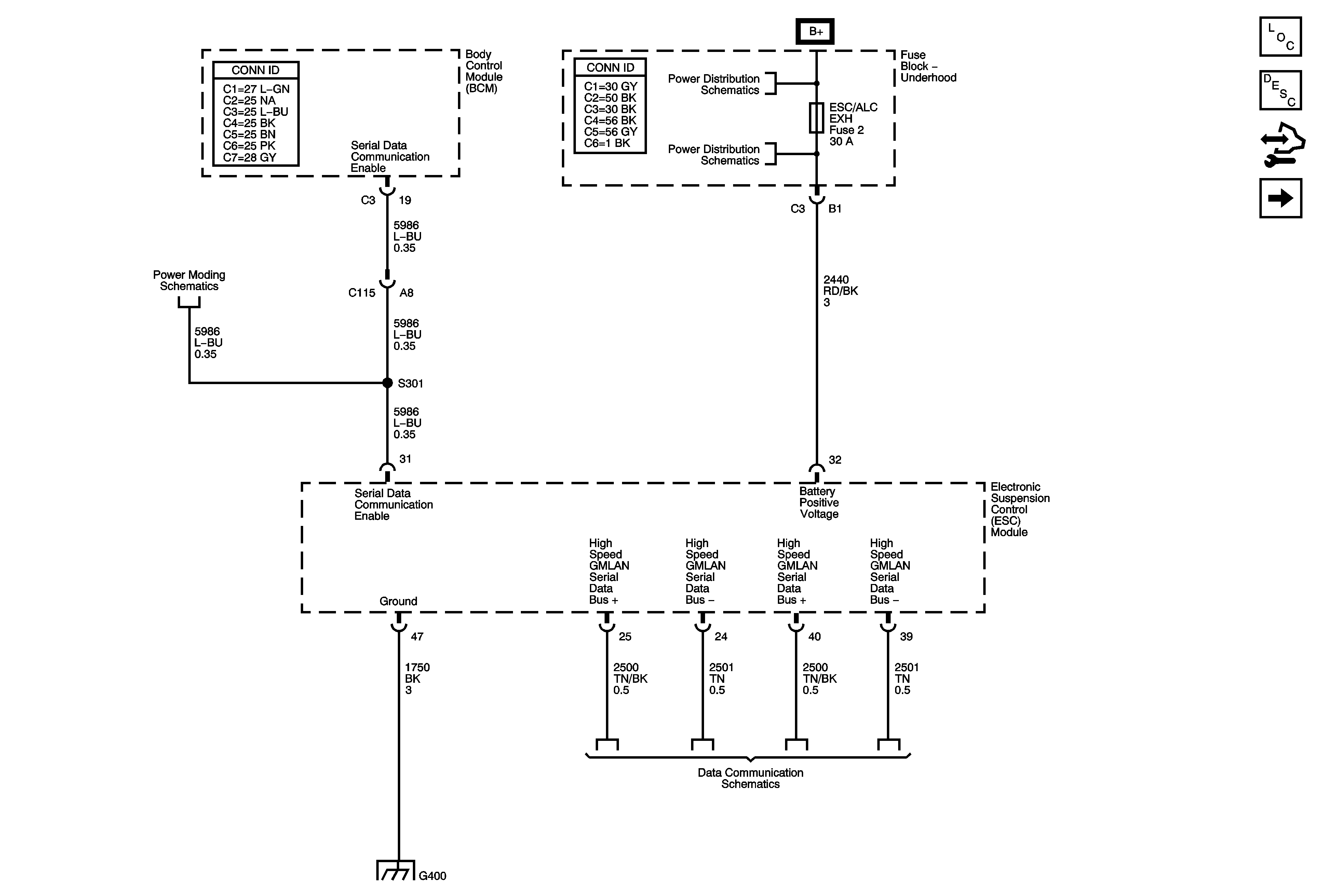
Module Power, Ground, and Serial Data, Pump Motor and Brake Switch - JD9 Under 8600 GVW
G400
B+ Bus - 1 of 3
AMP, ELEC RUN BOARD, ESC/ALC EXH, EXP/BRK MDL, INFO, and TREC Fuses
High Speed Bus - 2 of 2