GM Service Manual Online
For 1990-2009 cars only
Makes
🢒
Cadillac
🢒
2007
🢒
Escalade EXT
🢒 Power and Ground
Power and Ground
Power and Ground
Master Electrical Component List
Transfer Case Description and Operation
Control Module References
Shift Controls and Indicators
G102 and G108
RUN/CRANK Bus - AIRBAG IGN, MISC IGN, ans SEO/ALC Fuses
RUN/CRANK Bus - AIRBAG IGN, MISC IGN, ans SEO/ALC Fuses
RUN/CRANK Bus - AIRBAG IGN, MISC IGN, ans SEO/ALC Fuses
G102 and G108
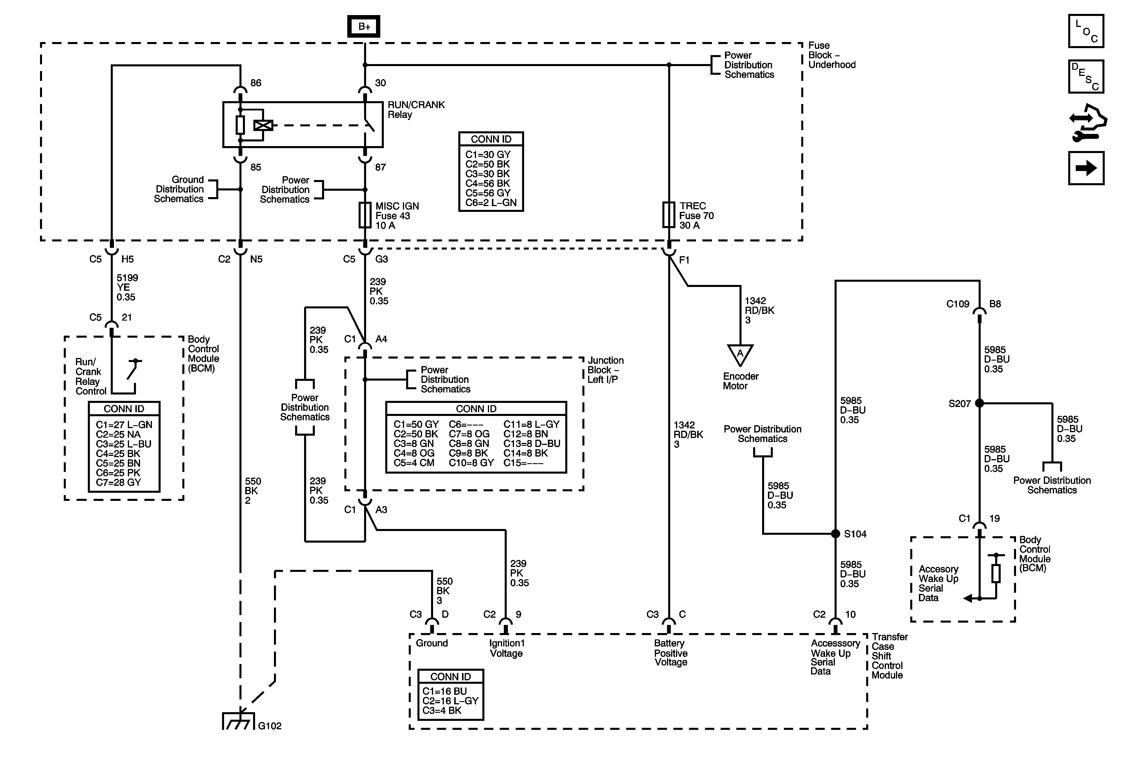
Encoder Motor and Serial Data
B+ Bus - 1 of 3
DLIS Fuse and Ignition Switch
DLIS Fuse and Ignition Switch