GM Service Manual Online
For 1990-2009 cars only
Makes
🢒
Cadillac
🢒
2007
🢒
Escalade EXT
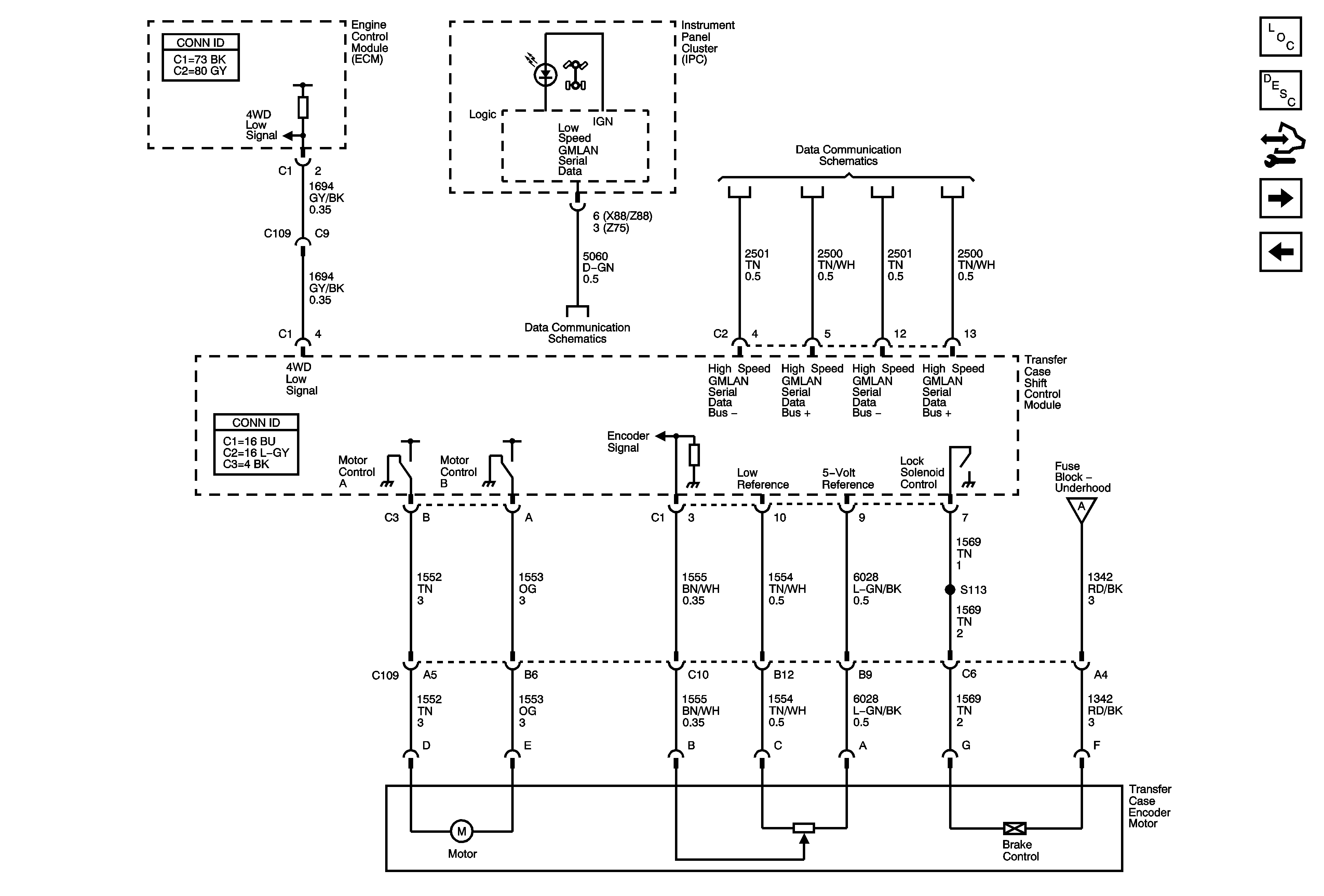
🢒 Encoder Motor and Serial Data
Encoder Motor and Serial Data
Encoder Motor Control and Serial Data
Master Electrical Component List
Transfer Case Description and Operation
Control Module References
Front Axle Actuator and Speed Sensors
Shift Controls and Indicators
Low Speed Bus - SP200 - 1 of 3
High Speed Bus - 2 of 2
Power and Ground