GM Service Manual Online
For 1990-2009 cars only
Makes
🢒
Cadillac
🢒
2007
🢒
Escalade EXT
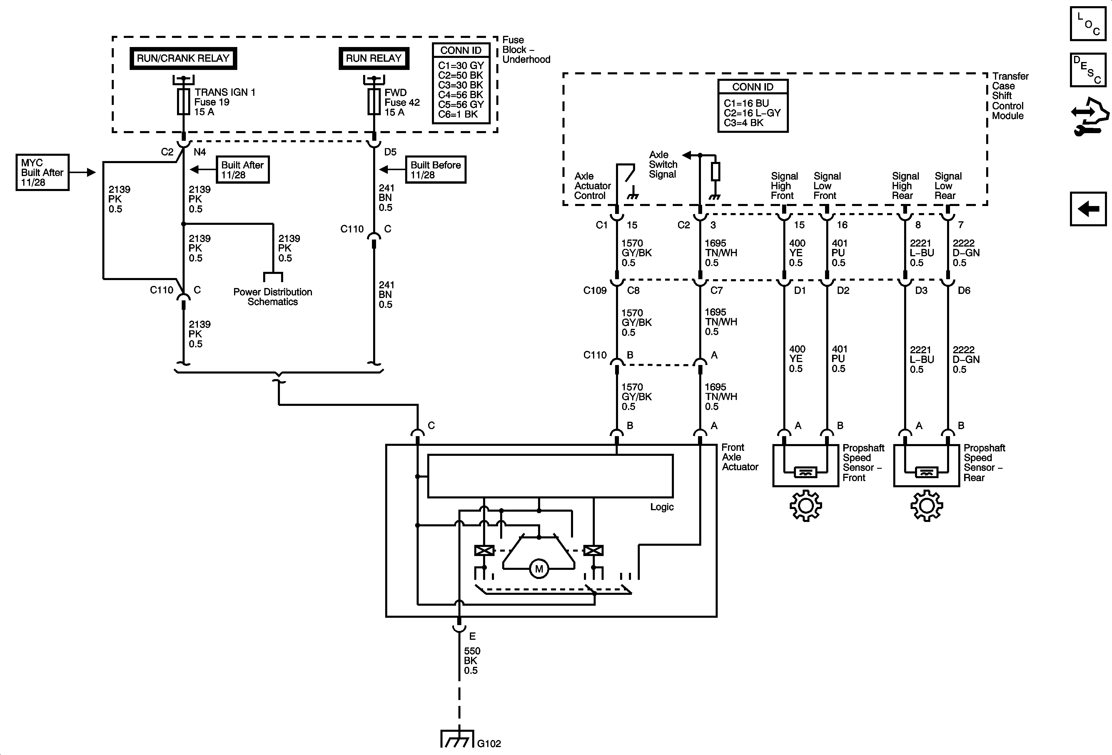
🢒 Front Axle Actuator and Speed Sensors
Front Axle Actuator and Speed Sensors
Front Axle Actuator and Speed Sensors
Master Electrical Component List
Transfer Case Description and Operation
Control Module References
Encoder Motor and Serial Data
Ignition 3 and Accessory Voltage
G102 and G108
B+ Bus - 1 of 3
FWD and HTD STR/WHL Fuses - Built Before 11/29
G102 and G108