GM Service Manual Online
For 1990-2009 cars only
Makes
🢒
Cadillac
🢒
2007
🢒
Escalade EXT
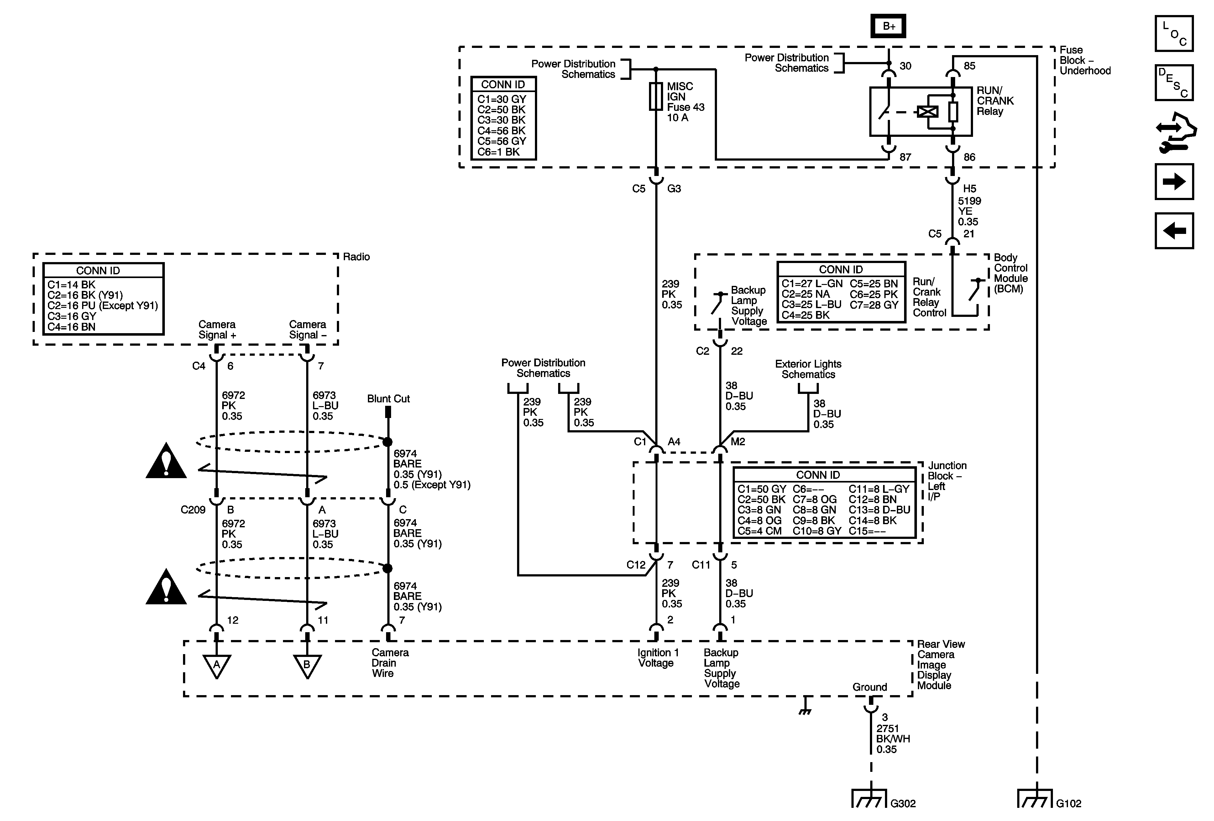
🢒 Rear Video Camera - 1 of 2 - UVC
Rear Video Camera - 1 of 2 - UVC
Rear Video Camera 1 of 2 (UVC)
Master Electrical Component List
Object Detection Description and Operation
Control Module References
Rear Video Camera - 2 of 2 - UVC
Rear Object Sensors (UD7)
RUN/CRANK Bus - AIRBAG IGN, MISC IGN, ans SEO/ALC Fuses
B+ Bus - 1 of 3
RUN/CRANK Bus - AIRBAG IGN, MISC IGN, ans SEO/ALC Fuses
Backup Lamps
Rear Video Camera - 2 of 2 - UVC
Rear Video Camera - 2 of 2 - UVC
G300 and G302
G102 and G108