GM Service Manual Online
For 1990-2009 cars only
Makes
🢒
Cadillac
🢒
2007
🢒
Escalade EXT
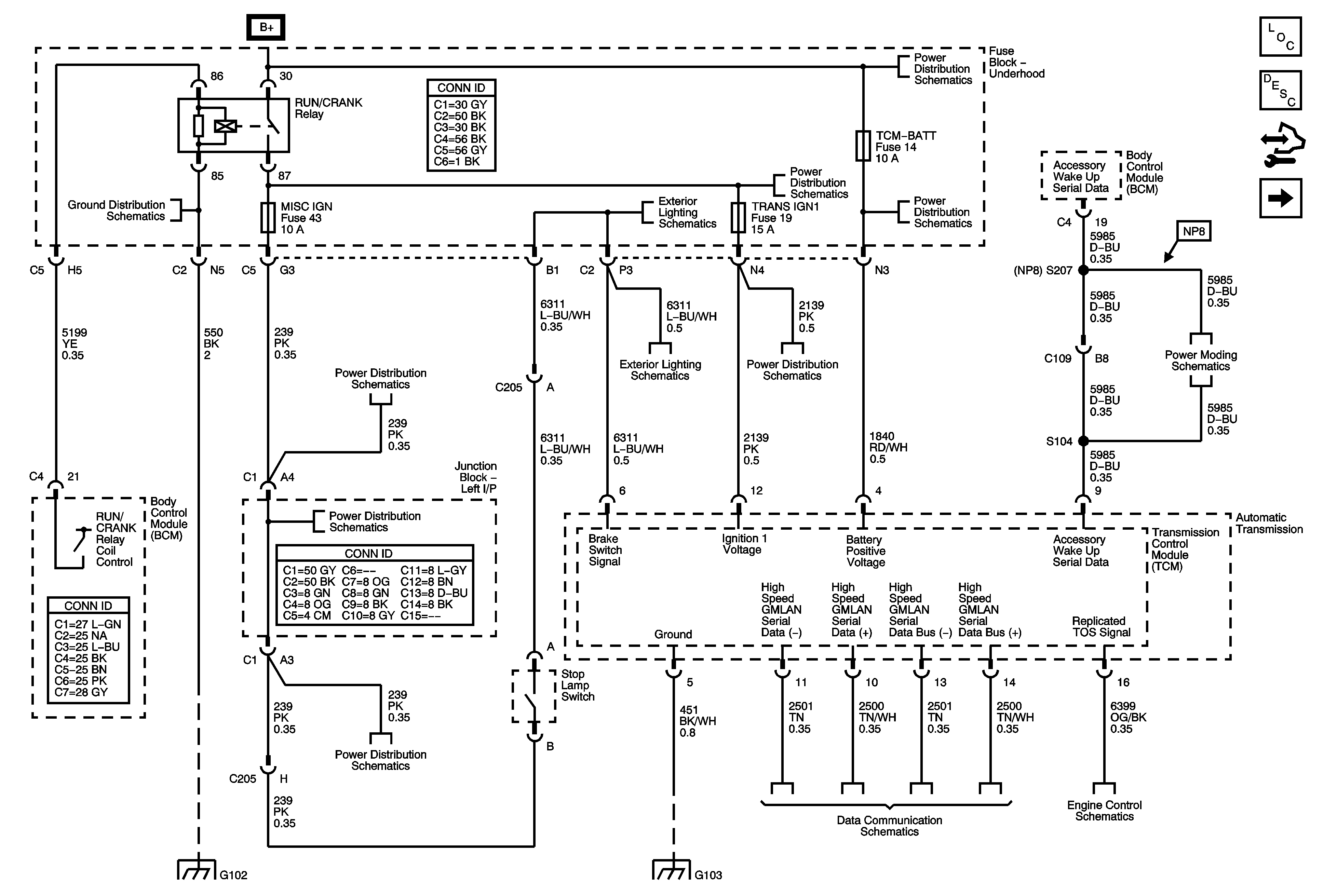
🢒 Module Power, Ground, Serial Data, and Stop Lamp Switch
Module Power, Ground, Serial Data, and Stop Lamp Switch
Module Power, Ground, Serial Data, and Stop Lamp Signal
Master Electrical Component List
Electronic Component Description
Control Module References
Pressure Controls - 1 of 2 and Shift Controls
G102 and G108
RUN/CRANK Bus - AIRBAG IGN, MISC IGN, ans SEO/ALC Fuses
RUN/CRANK Bus - AIRBAG IGN, MISC IGN, ans SEO/ALC Fuses
RUN/CRANK Bus - AIRBAG IGN, MISC IGN, ans SEO/ALC Fuses
G102 and G108
Stop Lamp Controls and CHMSL
Stop Lamp Controls and CHMSL
G103, G110, and G111
RUN/CRANK Bus - AIRBAG IGN, MISC IGN, ans SEO/ALC Fuses
RUN/CRANK Bus - ECM-IGN and TRANS IGN 1 Fuses
B+ Bus - 1 of 3
ECM-BATT, HEADLAMP WASH, HVAC BATT, IPC, LTR, S/ROOF, and TCM-BATT Fuses
DLIS Fuse and Ignition Switch