GM Service Manual Online
For 1990-2009 cars only
Makes
🢒
Cadillac
🢒
2007
🢒
Escalade EXT
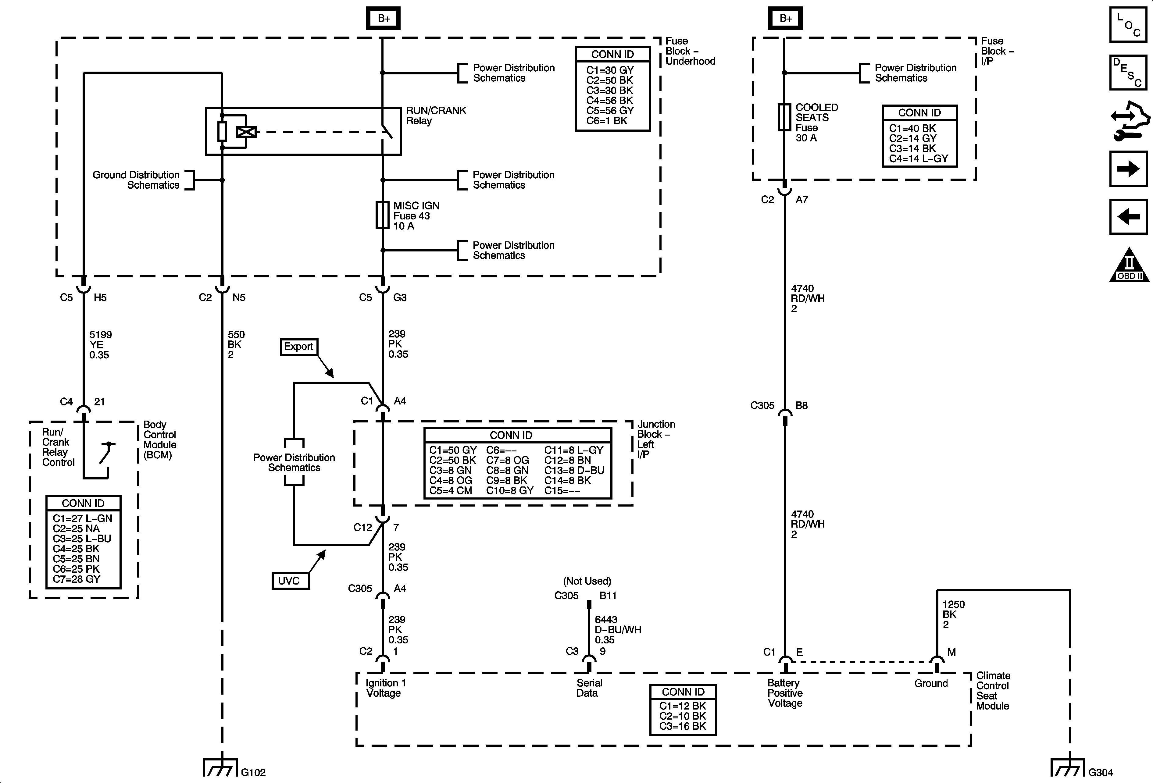
🢒 Heated/Cooled Seat Module Power and Ground - KB6
Heated/Cooled Seat Module Power and Ground - KB6
Heated/Cooled Seat Module Power and Ground - KB6
Master Electrical Component List
Heated/Cooled Seats Description and Operation
Control Module References
Heated/Cooled Seat - Driver - KB6
Heated Seat - Passenger - Except KB6
B+ Bus - 1 of 3
RUN/CRANK Bus - AIRBAG IGN, MISC IGN, ans SEO/ALC Fuses
RUN/CRANK Bus - AIRBAG IGN, MISC IGN, ans SEO/ALC Fuses
BCM, COOLED SEATS, CTSY, DDM, DIM, DSM, LBEC 2, MBEC 1, REAR HVAC, and RT STOP TRN Fuses and DRIVER SEAT 2, PASS SEAT 1, and RT DOORS Circuit Breakers
G102 and G108
RUN/CRANK Bus - AIRBAG IGN, MISC IGN, ans SEO/ALC Fuses
G102 and G108
G303, G304, and G305