GM Service Manual Online
For 1990-2009 cars only
Makes
🢒
Cadillac
🢒
2007
🢒
Escalade EXT
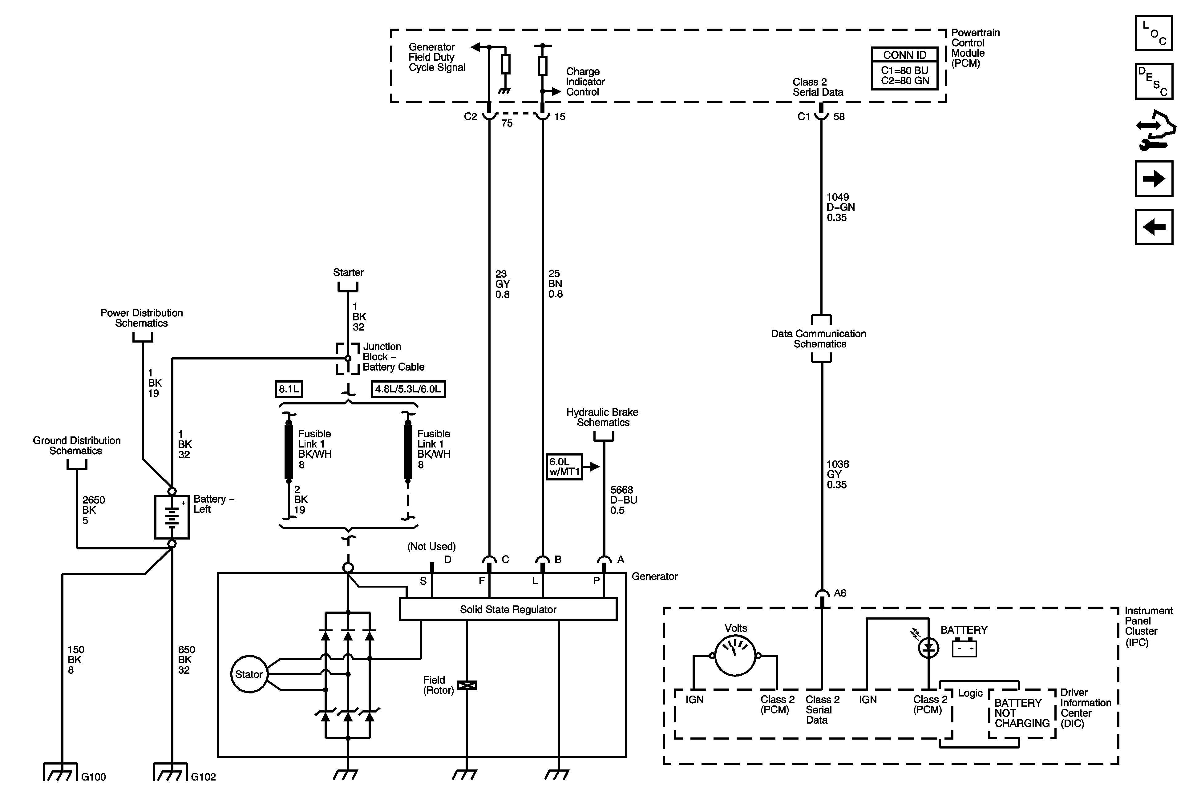
🢒 Charging - 20/30 Series - Gas
Charging - 20/30 Series - Gas
Charging - 20/30 Series - Gas
Master Electrical Component List
Charging System Description and Operation (W/O Generator/Battery Control Module)
Control Module References
Charging - 10 Series except HP2 - Gas
Starting - Diesel
Power, Ground, DLC and Splice Pack SP205
Battery Supply - 1 of 2
G100 and G102
Starting - Gas
Supplemental Brake Assist
G100 and G102