GM Service Manual Online
For 1990-2009 cars only
Makes
🢒
Cadillac
🢒
2007
🢒
Escalade EXT
🢒 Charging - 10 Series except HP2 - Gas
Charging - 10 Series except HP2 - Gas
Charging - 10 Series except HP2 - Gas
Master Electrical Component List
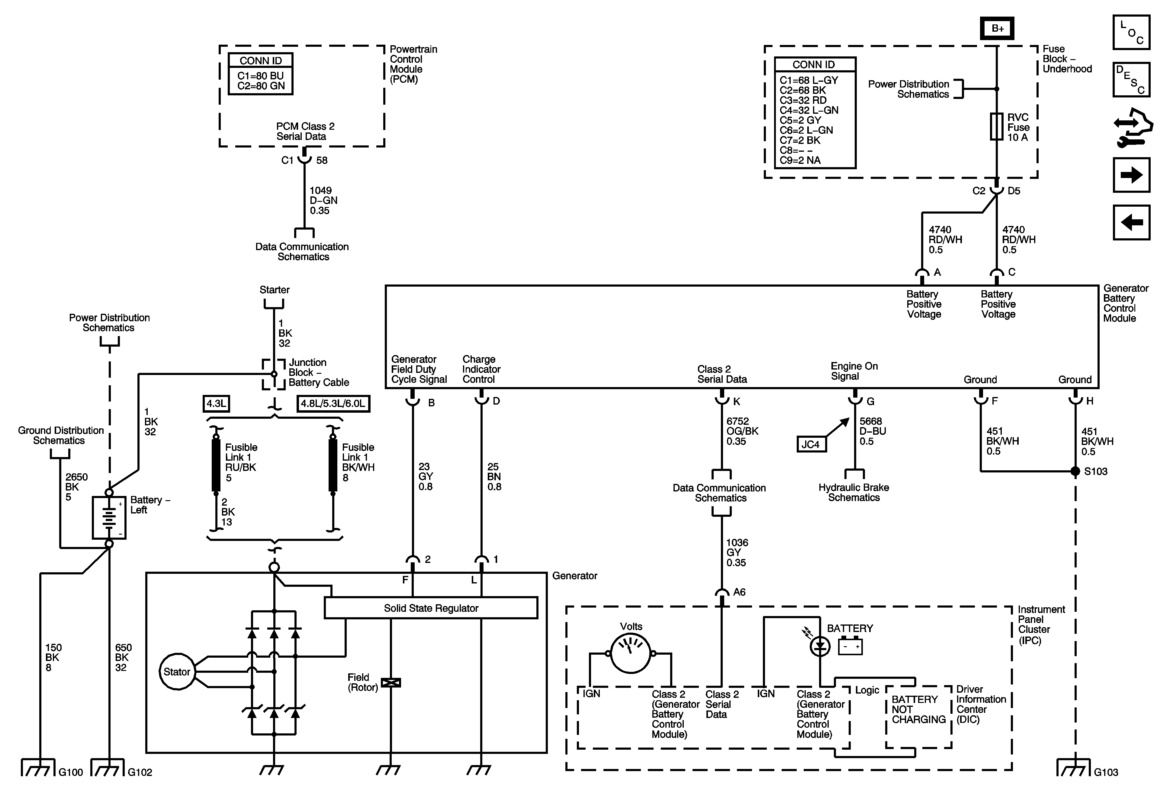
Charging System Description and Operation (Generator/Battery Control Module)
Control Module References
Charging - Diesel
Charging - 20/30 Series - Gas
Power, Ground, DLC and Splice Pack SP205
Starting - Gas
G100 and G102
Battery Supply - 1 of 2
Title not found
Supplemental Brake Assist
B+ Bus Bar
G103 and G106 - Gas
G100 and G102