GM Service Manual Online
For 1990-2009 cars only
Makes
🢒
Cadillac
🢒
2007
🢒
Escalade EXT
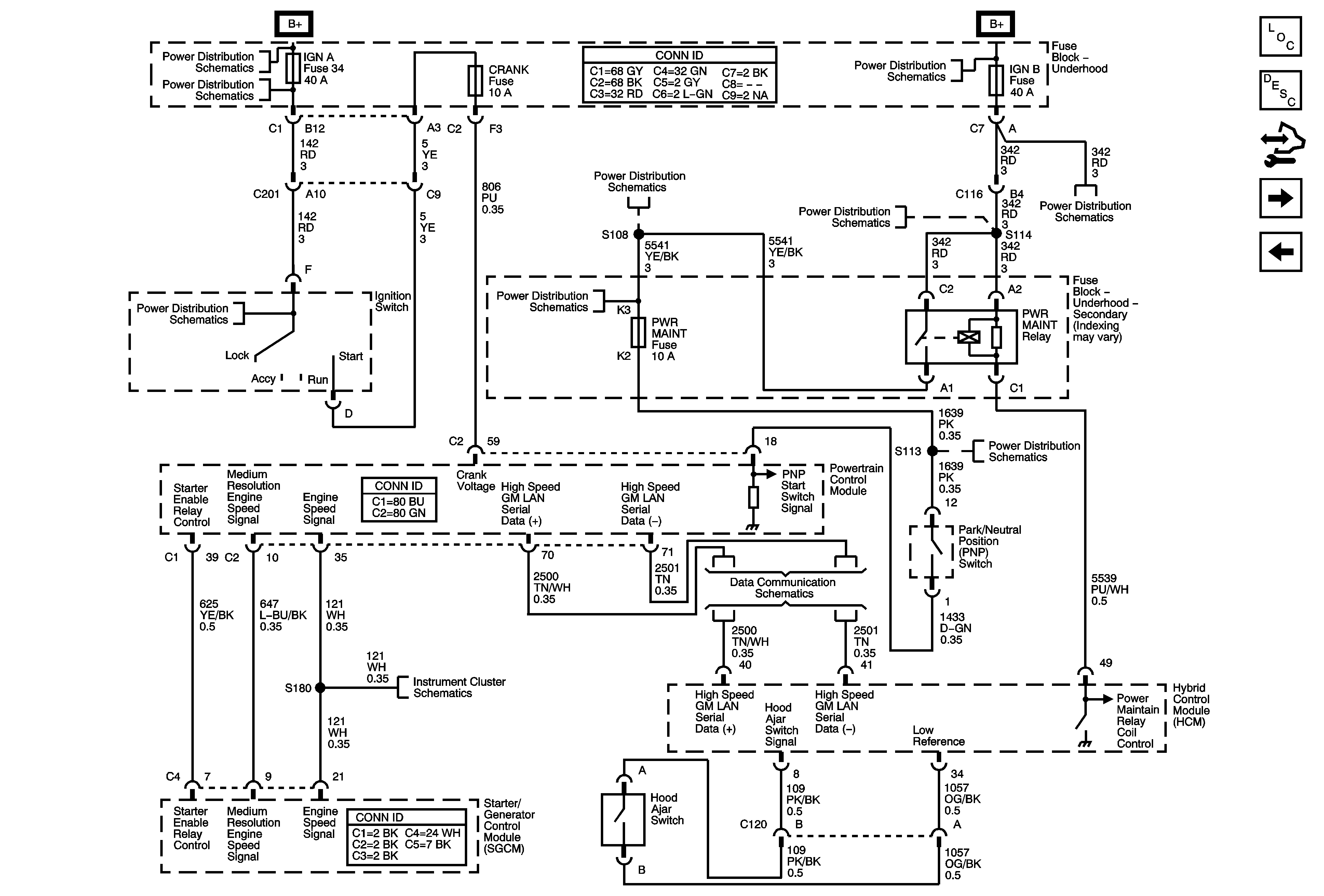
🢒 Starting Controls - 1 of 2
Starting Controls - 1 of 2
Starting Controls - 1 of 2
Master Electrical Component List
Powertrain Control Interface Module Description and Operation
Control Module References
Starting - 2 of 2 and Energy Storage
Hybrid Modules Power, Ground, and Serial Data
B+ Bus Bar
Ignition Switch - START, RUN, and ACC/RUN/START BUS BARS, IGN A, and CRNK Fuses
COOL PUMP, HYBRID O2A, HYBRID O2B, IGN B, and PWR MAINT Fuses
Ignition Switch - START, RUN, and ACC/RUN/START BUS BARS, IGN A, and CRNK Fuses
COOL PUMP, HYBRID O2A, HYBRID O2B, IGN B, and PWR MAINT Fuses
Ignition Switch - ACC/RUN and RUN/START BUS BARS and IGN B Fuse
B+ Bus Bar
Ignition Switch - ACC/RUN and RUN/START BUS BARS and IGN B Fuse
COOL PUMP, HYBRID O2A, HYBRID O2B, IGN B, and PWR MAINT Fuses
High Speed GM LAN (HP2)
Gages, Vehicle Speed Sensor, Engine Oil Pressure, and Fuel Level Sensors