GM Service Manual Online
For 1990-2009 cars only
Makes
🢒
Cadillac
🢒
2007
🢒
Escalade EXT
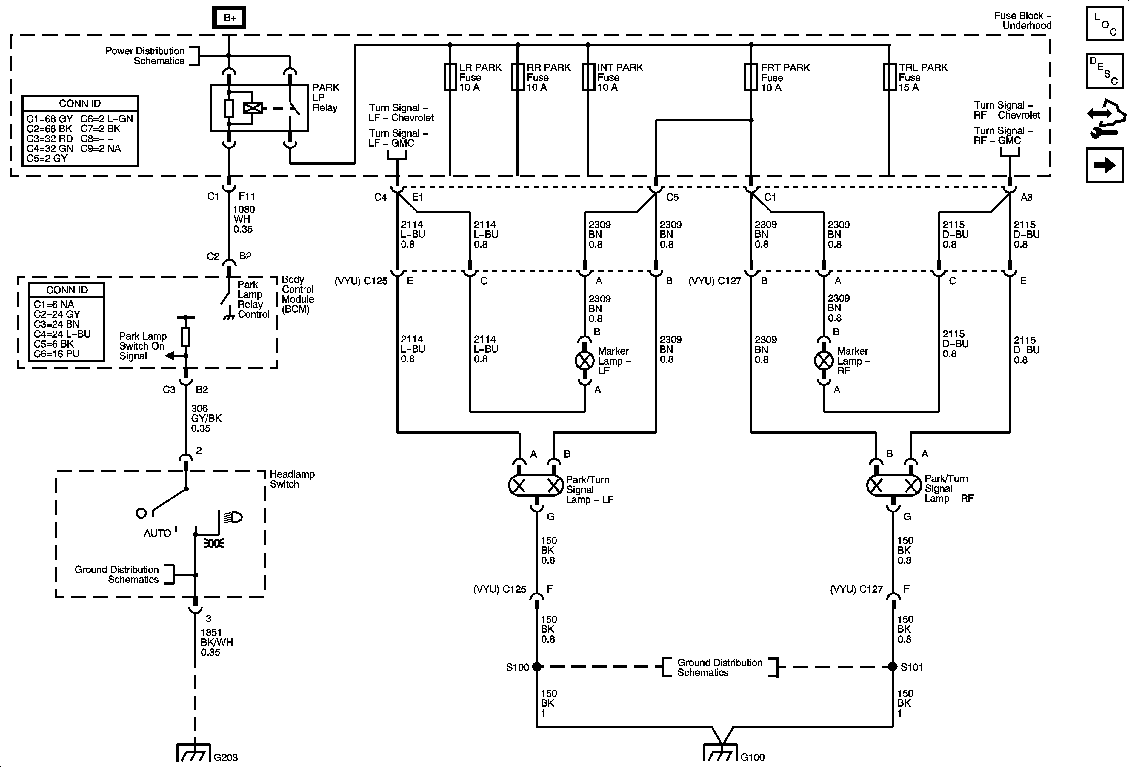
🢒 Park Lamp Relay Control and Front Park Lamps
Park Lamp Relay Control and Front Park Lamps
Park Lamp Relay Control and Front Park Lamps
Master Electrical Component List
Exterior Lighting Systems Description and Operation
Control Module References
Interior Park
B+ Bus Bar
Turn Signals - Chevrolet
Turn Signals - GMC
G203 - 2 of 2
G203 - 2 of 2
G100 and G102
G100 and G102
Turn Signals - Chevrolet
Turn Signals - GMC