GM Service Manual Online
For 1990-2009 cars only
Makes
🢒
Cadillac
🢒
2007
🢒
Escalade EXT
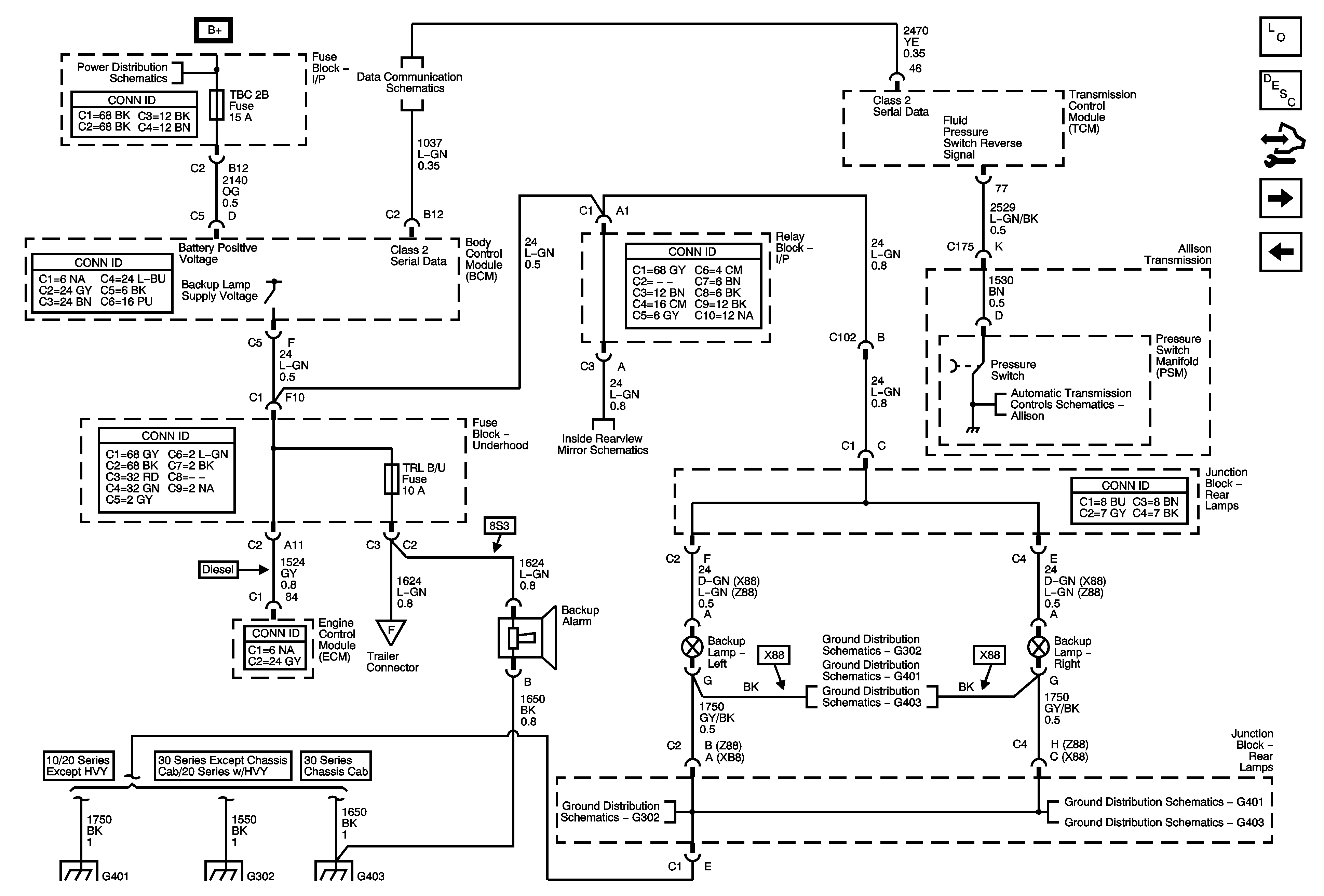
🢒 Backup Lamps (MW7)
Backup Lamps (MW7)
Backup Lamps (MW7)
Master Electrical Component List
Exterior Lighting Systems Description and Operation
Control Module References
Trailer and Camper Wiring
Backup Lamps (except MW7)
B+ Bus Bar
Power, Ground, DLC and Splice Pack SP205
Trailer and Camper Wiring
Inside Rearview Mirror Schematics
G401
G302
G403
G302
G401
G403
G302
G401
G403
Fluid Pressure Switches, PCS1, TCC PCS, Mod Main Solenoid, and FTP Sensor