GM Service Manual Online
For 1990-2009 cars only
Makes
🢒
Cadillac
🢒
2007
🢒
Escalade EXT
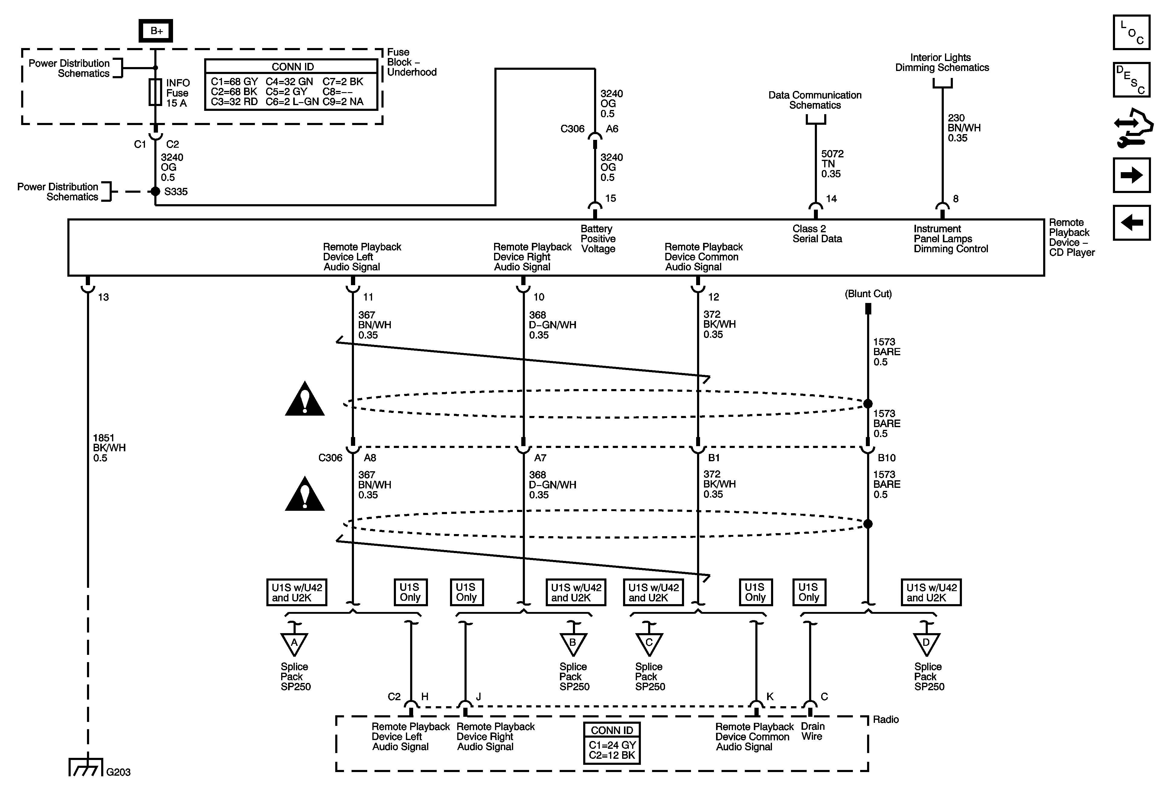
🢒 Remote Playback Device - CD Player (U1S)
Remote Playback Device - CD Player (U1S)
Remove Playback Device - CD Player (U1S)
Master Electrical Component List
Radio/Audio System Description and Operation
Control Module References
Rear Seat Entertainment (RSE) Assembly (U42), Digital Radio Receiver (U2K), and Remote Playback Device - CD Player (U1S)
Power, Ground, Serial Data, and Vehicle Communication Interface Module (VCIM)
B+ Bus Bar
CIG LTR, EAP, INFO, and RVC Fuses
G203 - 1 of 2
Rear Seat Entertainment (RSE) Assembly (U42), Digital Radio Receiver (U2K), and Remote Playback Device - CD Player (U1S)
Rear Seat Entertainment (RSE) Assembly (U42), Digital Radio Receiver (U2K), and Remote Playback Device - CD Player (U1S)
Rear Seat Entertainment (RSE) Assembly (U42), Digital Radio Receiver (U2K), and Remote Playback Device - CD Player (U1S)
Entertainment/Communication Schematic Icons
Splice Pack SP207
I/P Lamps Dimming Control Supply - 1 of 3