GM Service Manual Online
For 1990-2009 cars only

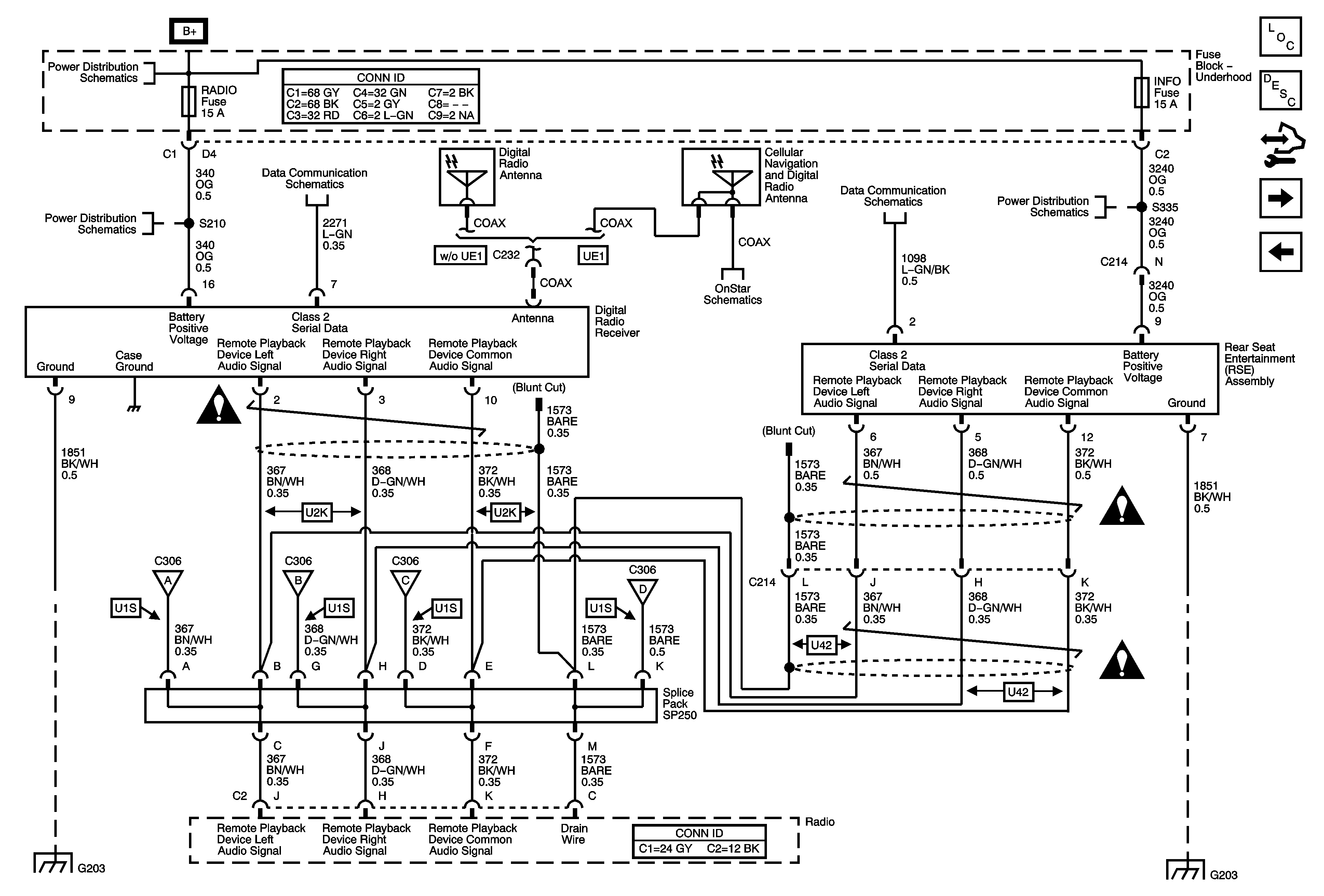
Rear Seat Entertainment (RSE) Assembly (U42), Digital Radio Receiver (U2K), and Remote Playback Device - CD Player (U1S)

Rear Seat Entertainment (RSE) Assembly (U42), Digital Radio Receiver (U2K), and Remote Playback - CD Player (U1S)


Object Number: 1779236  Size: FS
Master Electrical Component List
Radio/Audio System Description and Operation
Control Module References
Rear Seat Audio (RSA) Controller and Amplifier
Remote Playback Device - CD Player (U1S)
B+ Bus Bar
RADIO, RADIO/AMP, and S/ROOF Fuses
Splice Pack SP207
Entertainment/Communication Schematic Icons
Remote Playback Device - CD Player (U1S)
G203 - 1 of 2
Remote Playback Device - CD Player (U1S)
Remote Playback Device - CD Player (U1S)
Remote Playback Device - CD Player (U1S)
OnStar Schematics
Splice Pack SP207
CIG LTR, EAP, INFO, and RVC Fuses
OnStar Schematics
G203 - 1 of 2