GM Service Manual Online
For 1990-2009 cars only
Makes
🢒
Cadillac
🢒
2007
🢒
Escalade EXT
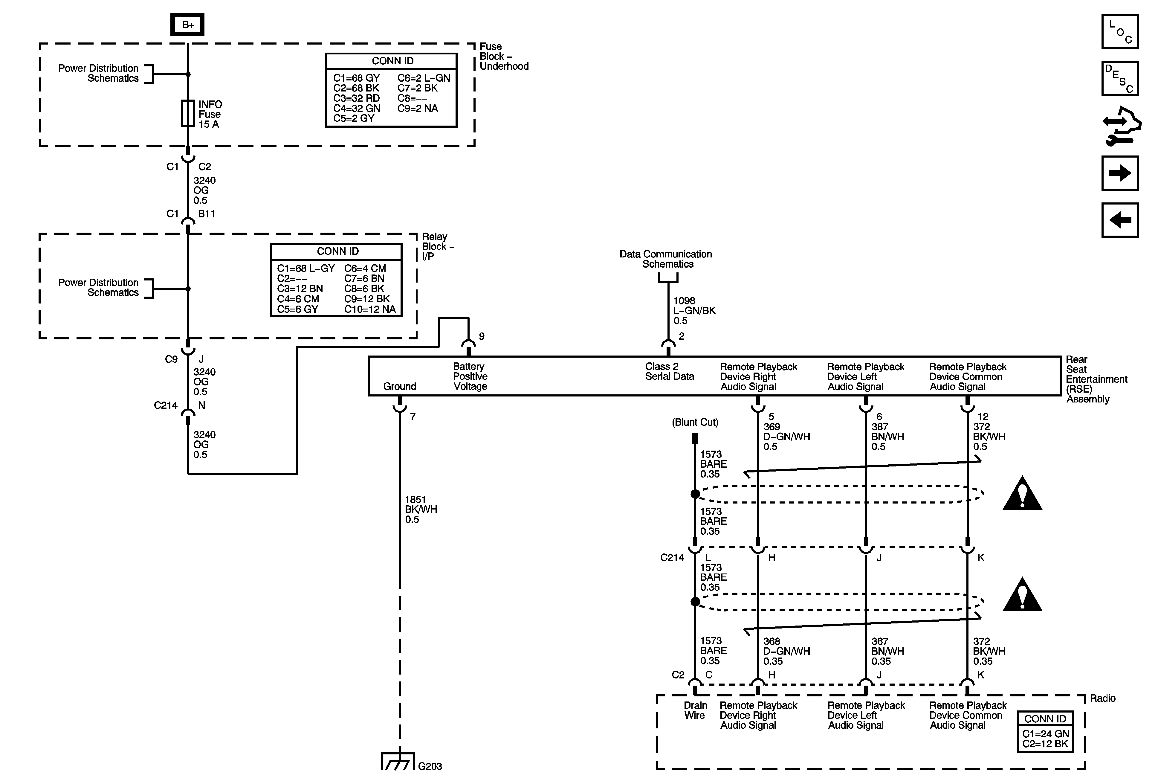
🢒 Rear Seat Entertainment (RSE) Assembly (U42)
Rear Seat Entertainment (RSE) Assembly (U42)
Rear Seat Entertainment (RSE) Assembly (U42)
Master Electrical Component List
Video Entertainment System Description and Operation
Control Module References
Digital Radio Receiver (U2K)
Power, Ground, Serial Data, and VCIM
B+ Bus Bar
CIG LTR, EAP, INFO, and RVC Fuses
Splice Pack SP207
G203 - 2 of 2
Entertainment/Communication Schematic Icons