GM Service Manual Online
For 1990-2009 cars only
Makes
🢒
Cadillac
🢒
2007
🢒
Escalade EXT
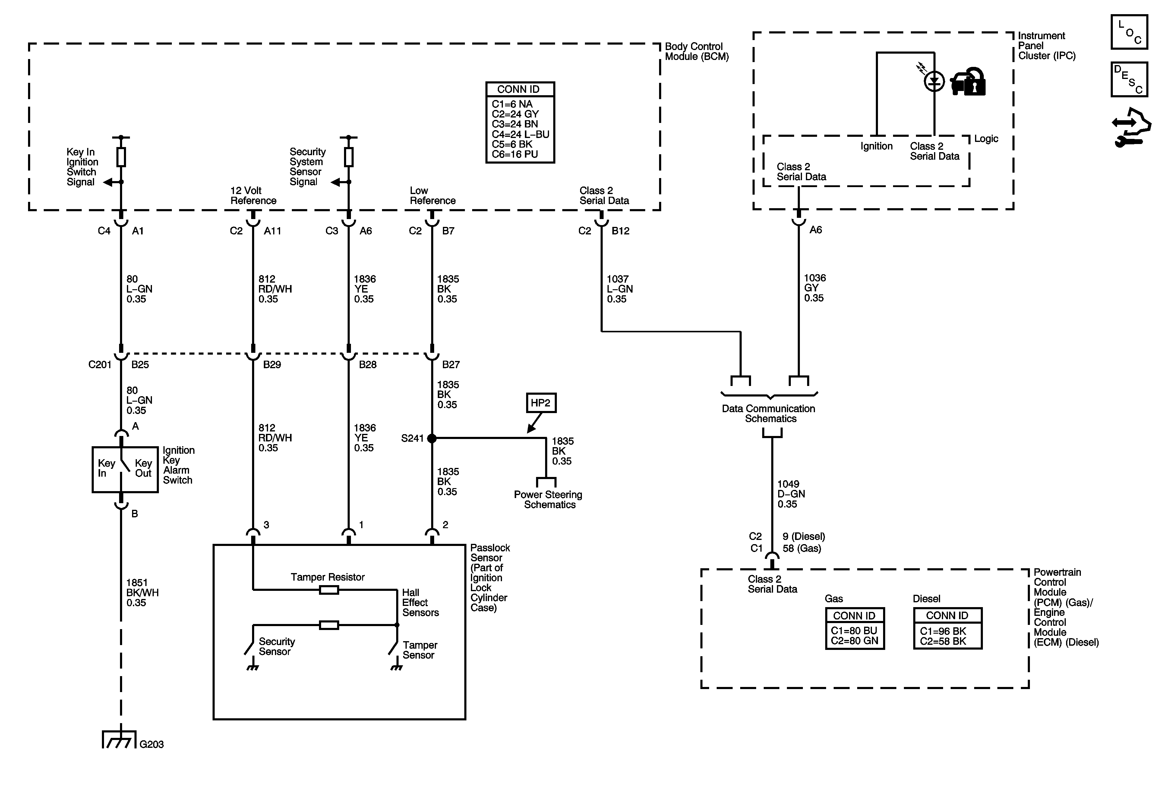
🢒 Immobilizer Schematics
Immobilizer Schematics
Master Electrical Component List
Immobilizer Description and Operation
Control Module References
G203 - 2 of 2
Steering Wheel/Speed and Brake Pedal Position Sensor
Power, Ground, DLC and Splice Pack SP205