GM Service Manual Online
For 1990-2009 cars only
Makes
🢒
Cadillac
🢒
2007
🢒
Escalade EXT
🢒 Power, Ground, and Serial Data
Power, Ground, and Serial Data
Power, Ground, and Serial Data
Master Electrical Component List
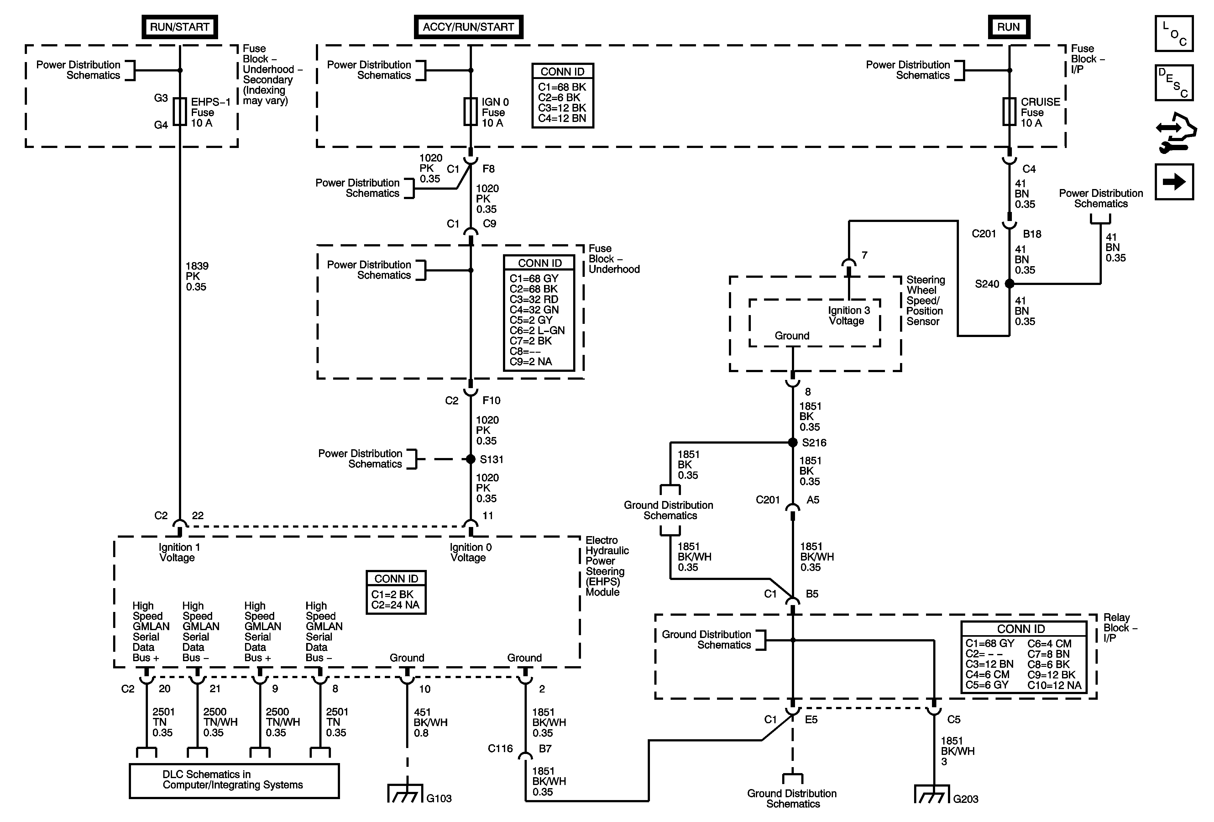
Power Steering System Description and Operation (w/ Electro-Hydraulic Steering)
Control Module References
Steering Wheel/Speed and Brake Pedal Position Sensor
Ignition Switch - ACC/RUN and RUN/START BUS BARS and IGN B Fuse
Ignition Switch - START, RUN, and ACC/RUN/START BUS BARS, IGN A, and CRNK Fuses
Ignition Switch - START, RUN, and ACC/RUN/START BUS BARS, IGN A, and CRNK Fuses
IGN 0, RR WPR, SEO ACCY, TBC ACCY, TBC IGN 0, and WS WPR Fuses
IGN 0, RR WPR, SEO ACCY, TBC ACCY, TBC IGN 0, and WS WPR Fuses
IGN 0, RR WPR, SEO ACCY, TBC ACCY, TBC IGN 0, and WS WPR Fuses
G203 - 2 of 2
4WD, BRK, CRUISE, HTR/AC, and HVAC 1 Fuses
G203 - 2 of 2
High Speed GM LAN (HP2)
G103 and G106 - Gas
G203 - 1 of 2
G203 - 1 of 2