GM Service Manual Online
For 1990-2009 cars only
Makes
🢒
Cadillac
🢒
2007
🢒
Escalade EXT
🢒 Fuse Voltage Supply
Fuse Voltage Supply
Fuse Voltage Supply
Master Electrical Component List
Instrument Cluster Description and Operation
Air Susp Dump Lamp, Speedometer and Volt Meter
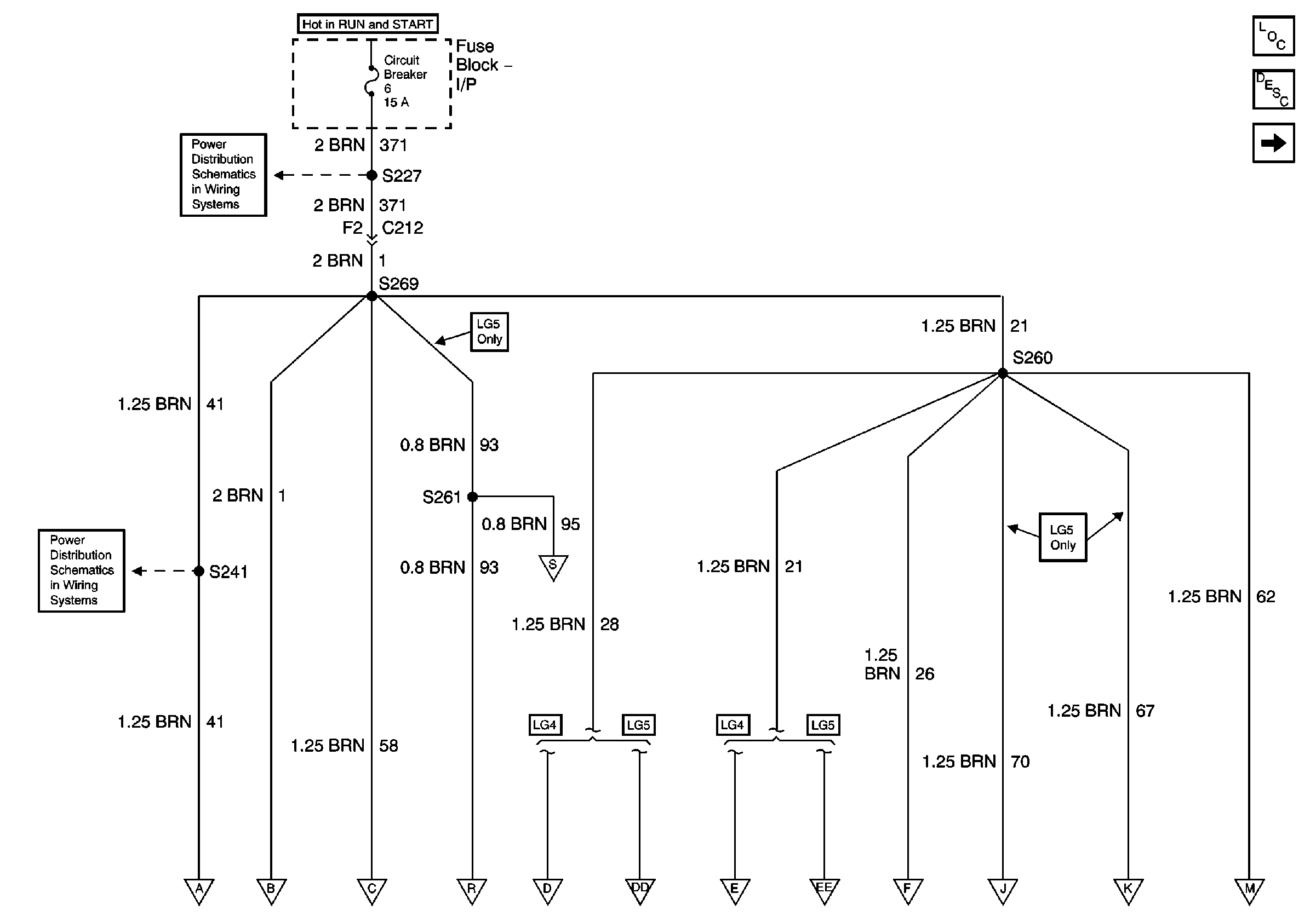
IP Fuse Block, Circuit Breaker 6 (1 of 3)
Circuit Breaker 6 (2 of 3)
Air Susp Dump Lamp, Speedometer and Volt Meter
Illumination, Seat Belt, Primary Brake, ABS and Park Brake Lamps
DRL, Service Trans Filter, Low Coolant, Oil Filter, Bat, High Beam and Service Engine Soon Lamps
Trailer ABS, Differential Lock, Fast Idle, Intake Heater, Exhaust Brake, Do Not Shift Lamps and Tachometer (LG5)
Trailer ABS, Differential Lock, Fast Idle, Intake Heater, Exhaust Brake, Do Not Shift Lamps and Tachometer (LG5)
Exhaust Brake, Air Susp Dump Lamps and Tachometer (LG4)
Trailer ABS, Differential Lock, Fast Idle, Intake Heater, Exhaust Brake, Do Not Shift Lamps and Tachometer (LG5)
Fuel, Temperature, Oil Pressure and Check Gauges (LG4)
Fuel, Temperature, Oil Pressure and Check Gauges (LG5)
Air Susp Dump Lamp, Speedometer and Volt Meter
Trailer ABS, Differential Lock, Fast Idle, Intake Heater, Exhaust Brake, Do Not Shift Lamps and Tachometer (LG5)
Trailer ABS, Differential Lock, Fast Idle, Intake Heater, Exhaust Brake, Do Not Shift Lamps and Tachometer (LG5)
DRL, Service Trans Filter, Low Coolant, Oil Filter, Bat, High Beam and Service Engine Soon Lamps