GM Service Manual Online
For 1990-2009 cars only
Makes
🢒
Cadillac
🢒
2007
🢒
Escalade EXT
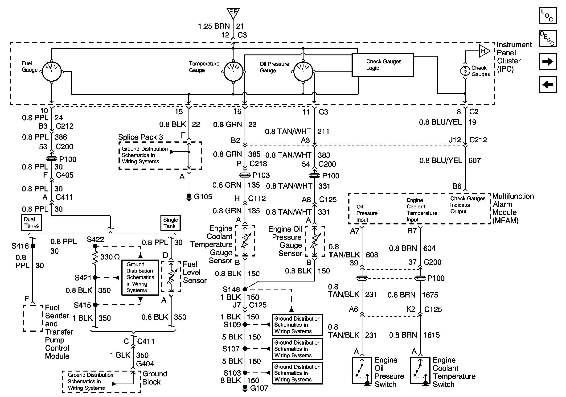
🢒 Fuel, Temperature, Oil Pressure and Check Gauges (LG5)
Fuel, Temperature, Oil Pressure and Check Gauges (LG5)
Fuel, Temperature, Oil Pressure and Check Gauges (LG5)
Master Electrical Component List
Indicator/Warning Message Description and Operation
Trailer ABS, Differential Lock, Fast Idle, Intake Heater, Exhaust Brake, Do Not Shift Lamps and Tachometer (LG5)
Fuel, Temperature, Oil Pressure and Check Gauges (LG4)
Fuse Voltage Supply
Trailer ABS, Differential Lock, Fast Idle, Intake Heater, Exhaust Brake, Do Not Shift Lamps and Tachometer (LG5)
G105 Continued, Splice Pack 3, S361
Ground Block, G404, G405, G406, S402, S415, S416, S421, S422, S702
Ground Block, G404, G405, G406, S402, S415, S416, S421, S422, S702
G107 Continued, S109 (LG5 Only), S148, S423, S424
G107 Continued, S107
G107, S103