GM Service Manual Online
For 1990-2009 cars only
Makes
🢒
Cadillac
🢒
2007
🢒
Escalade EXT
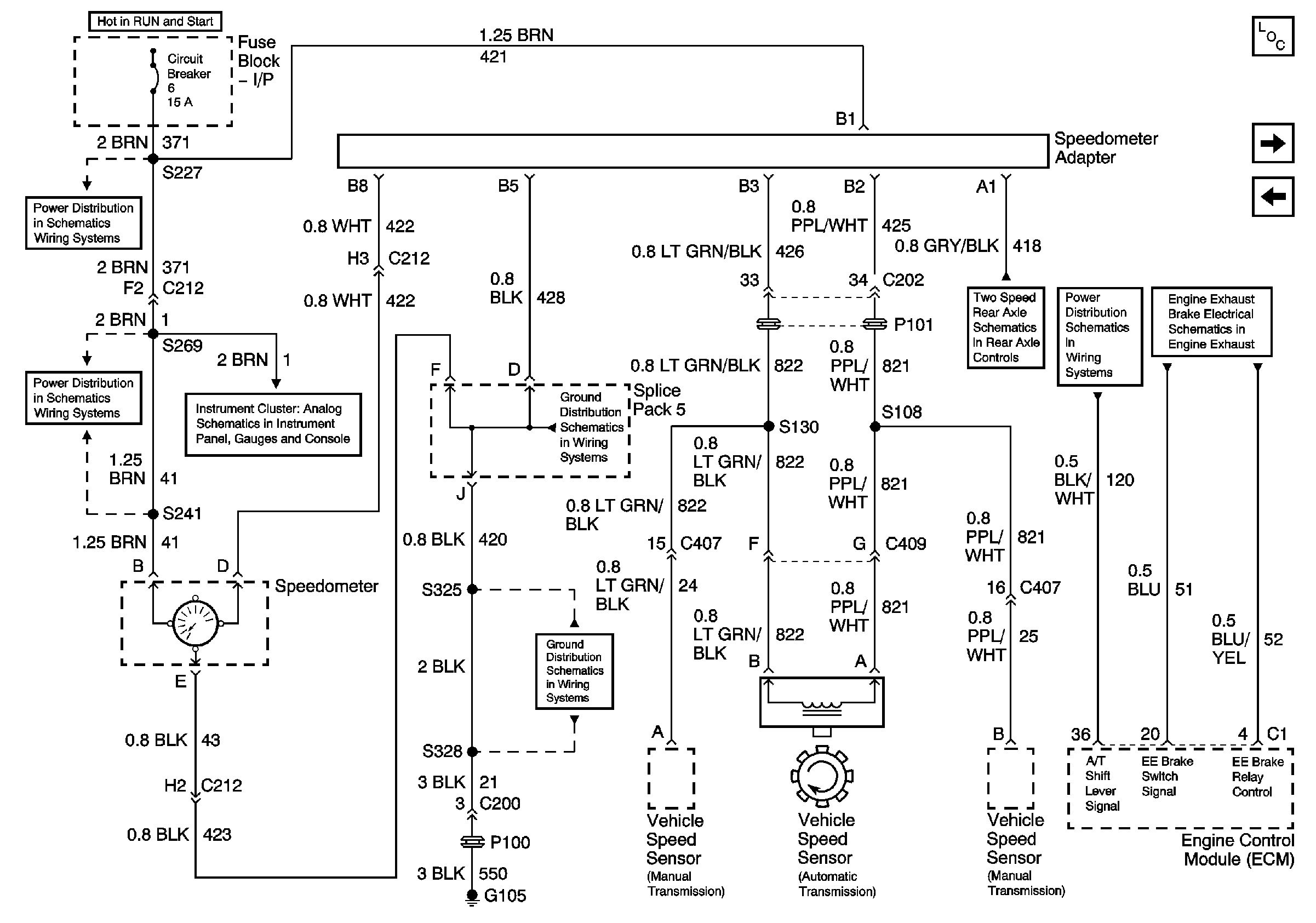
🢒 Speedometer Adapter
Speedometer Adapter
Speedometer Adapter
Master Electrical Component List
Stop Lamps Switches, ECM Engine Stop Relay, Glow Plugs
Pressure Control Valve Relay, Turbocharger Boost Pressure Sensor
IP Fuse Block, Circuit Breaker 6 (1 of 2)
Circuit Breaker 6 (2 of 2)
G105 S328, S325
Fuse Voltage Supply
Electric Operated-Switches (2 of 2)
IP Fuse Block, Circuit Breakers 1, 2, 3
Engine Exhaust Brake Electrical Schematic