GM Service Manual Online
For 1990-2009 cars only
Makes
🢒
Cadillac
🢒
2007
🢒
Escalade EXT
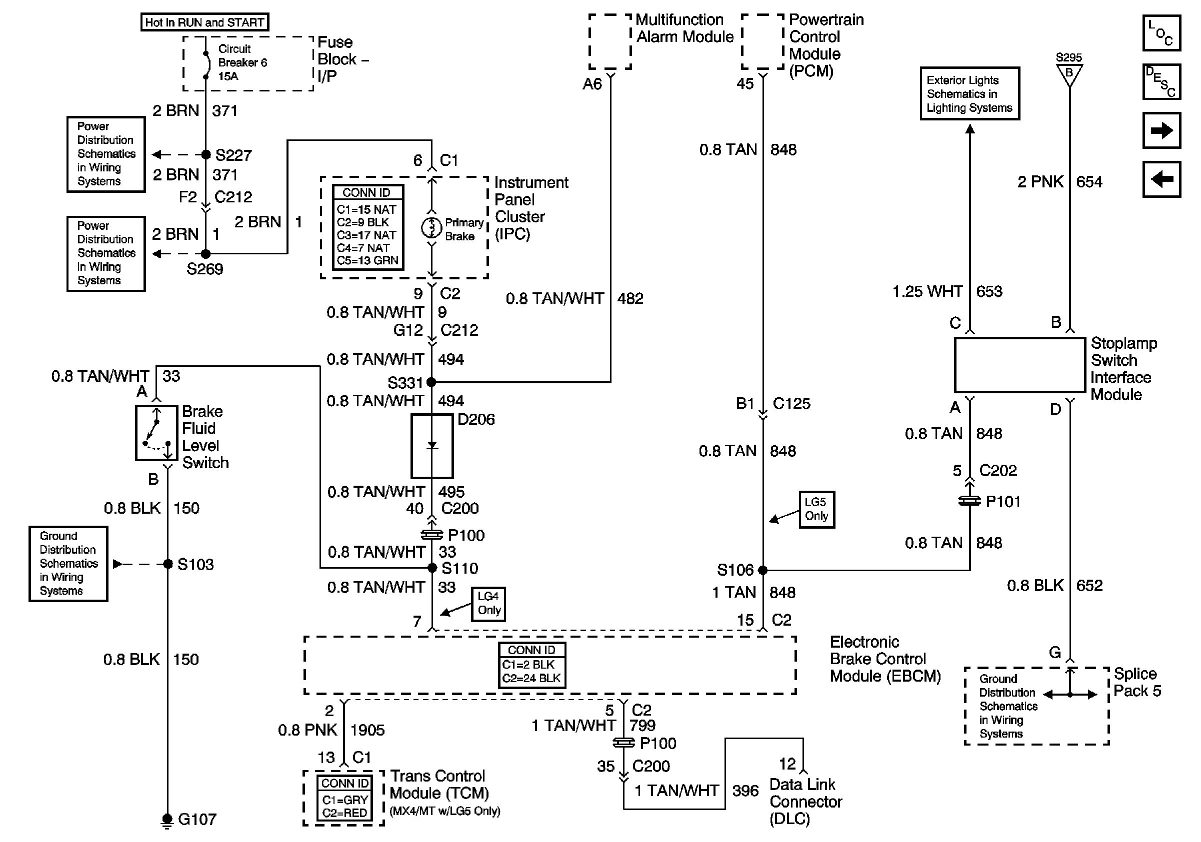
🢒 ABS Schematics - Stop Lamp SW Inteface Module, EBCM, Brake Fluid SW
ABS Schematics - Stop Lamp SW Inteface Module, EBCM, Brake Fluid SW
Stop Lamp Switch Interface Module, EBCM, Brake Fluid Level Switch
Master Electrical Component List
ABS Description and Operation
ABS Schematics - Wheel Speed Sensors, EBCM
ABS Schematics - EBCM, ABS Indicator RLY, I/P Cluster
Power Distribution System Schematics - Fuse Block I/P, C.B. 6
Power Distribution System Schematics - Feed From Circuit Breaker 6
Ground Distribution Schematics - G107, G108, S101, S103 and S105
Lighting System Schematics - TRN Trailer RLY, MF SW and TRN SG Haz FL
ABS Schematics - EBCM, ABS Indicator RLY, I/P Cluster
Ground Distribution Schematics - Splice Pack 5, S239 and S242