GM Service Manual Online
For 1990-2009 cars only
Makes
🢒
Cadillac
🢒
2007
🢒
Escalade EXT
🢒 Engine Electrical System - Starting System LG4
Engine Electrical System - Starting System LG4
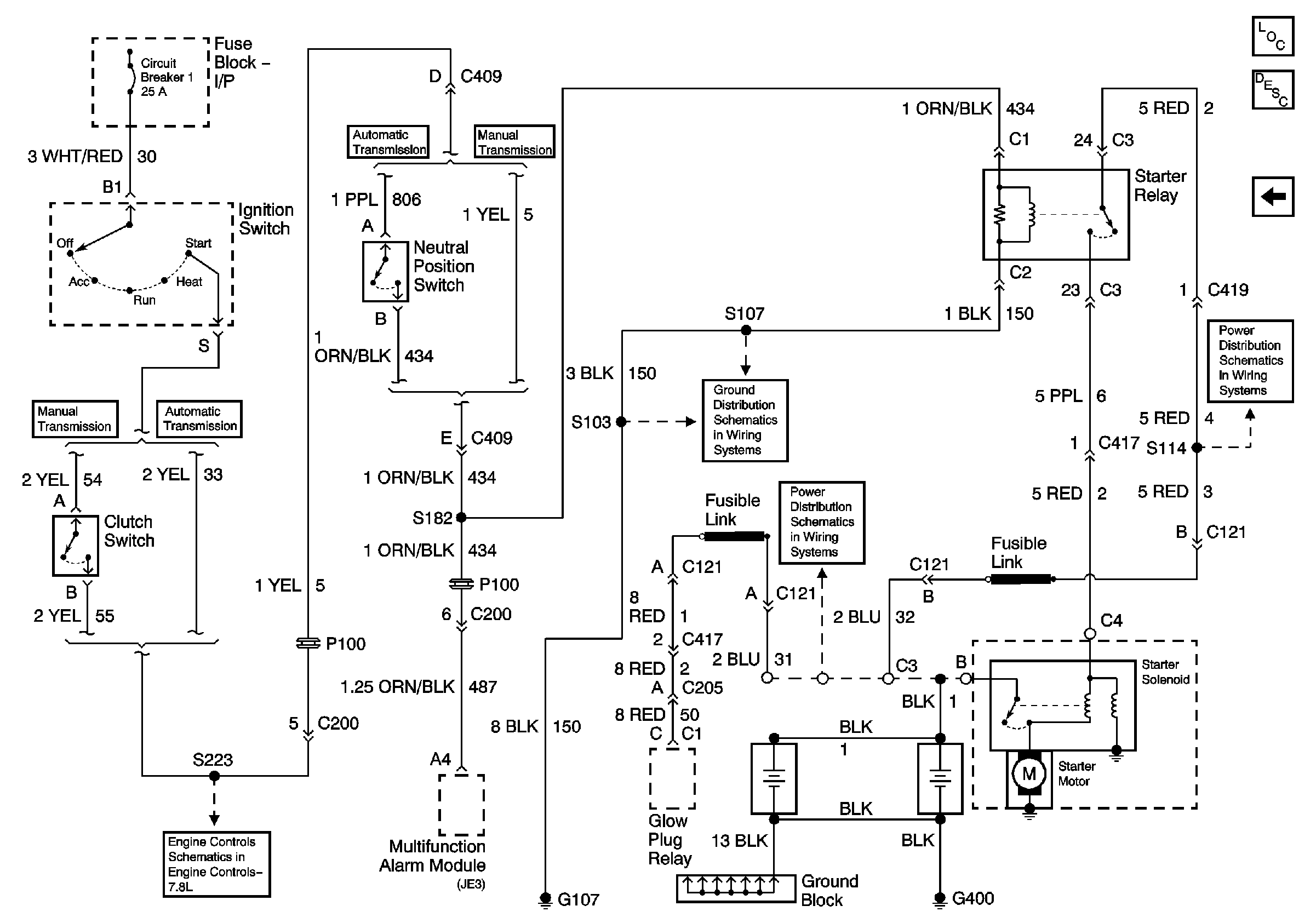
Starting Circuit LG4
Master Electrical Component List
Starting System Description and Operation
Engine Electrical System - Charging System LG4
Ground Distribution Schematics - G107, G108, S101, S103 and S105
Power Distribution System Schematics - Battery and Starting System
Power Distribution System Schematics - Battery and Starting System
Engine Controls LG4 Schematics - Fast Idle SW, Clutch Pedel Positon SW