GM Service Manual Online
For 1990-2009 cars only
Makes
🢒
Cadillac
🢒
2007
🢒
Escalade EXT
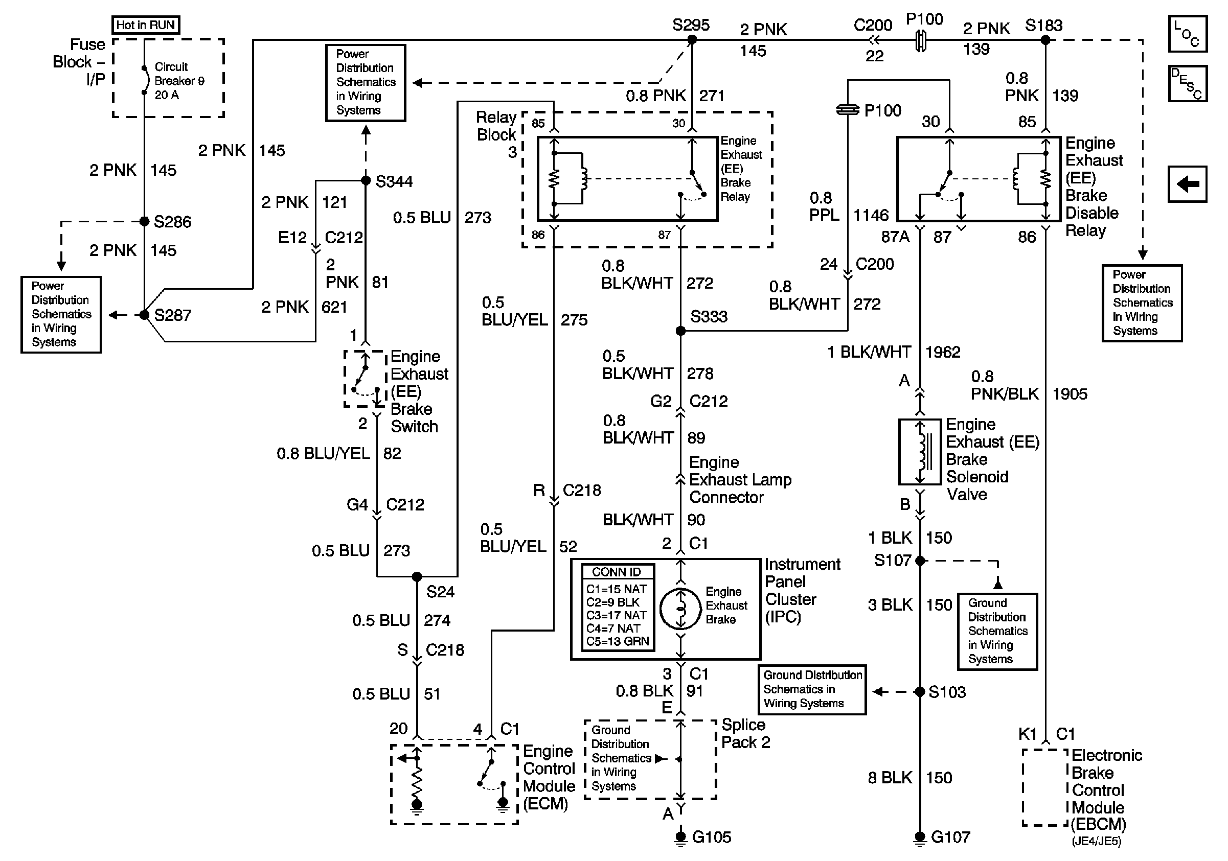
🢒 Engine Exhaust Schematics - IPC, EDCM, ENG Exhaust BRK SW and ECM
Engine Exhaust Schematics - IPC, EDCM, ENG Exhaust BRK SW and ECM
LG4
Master Electrical Component List
Exhaust System Description
Engine Exhaust Schematics - ENG Exhaust BRK SW, EE BRK Sol Valve
Power Distribution System Schematics - Feed from Circuit Breaker 9
Power Distribution System Schematics - FB I/P, Circuit Breaker 9
Power Distribution System Schematics - FB I/P, Circuit Breaker 9
Ground Distribution Schematics - G105, S325 and S328
Ground Distribution Schematics - G107, G108, S101, S103 and S105
Ground Distribution Schematics - S107