GM Service Manual Online
For 1990-2009 cars only
Makes
🢒
Cadillac
🢒
2007
🢒
Escalade EXT
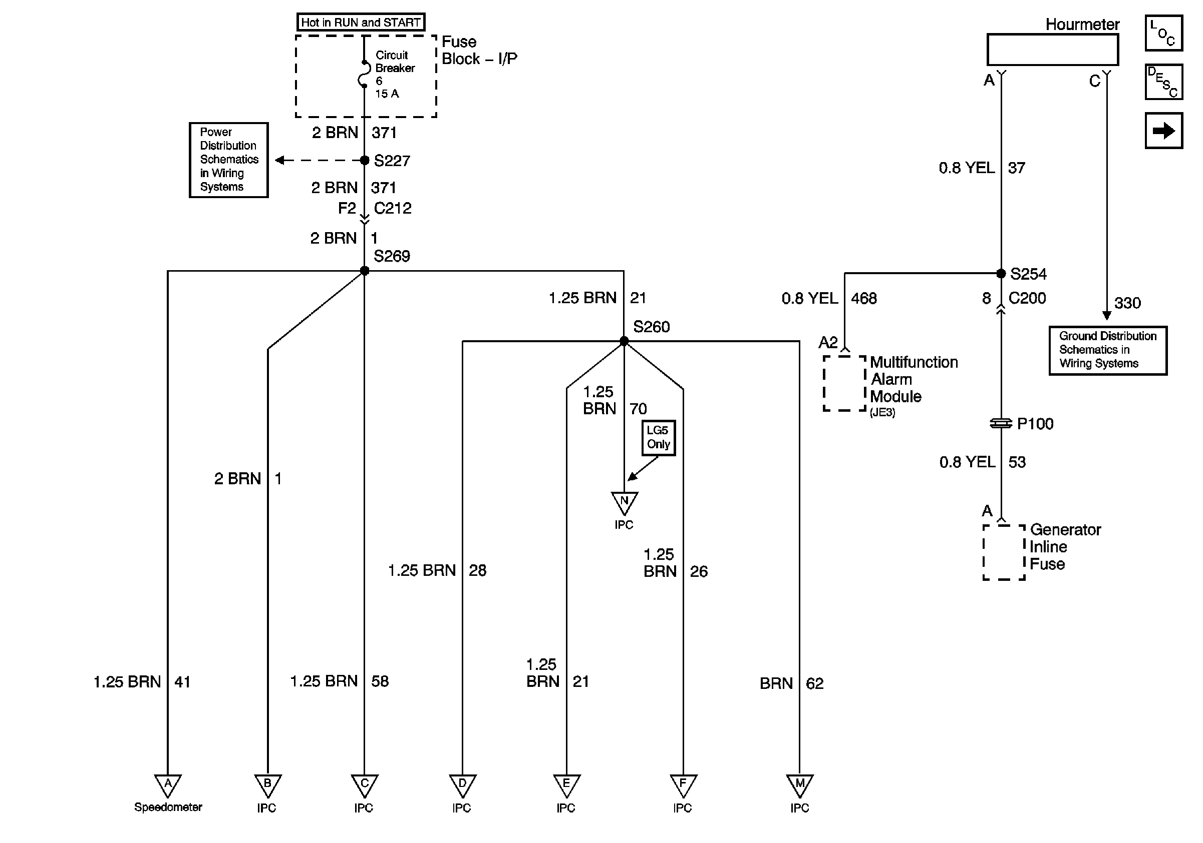
🢒 Isuzu IPC System Schematics - IPC Power Distribution
Isuzu IPC System Schematics - IPC Power Distribution
Fuse Voltage Supply
Master Electrical Component List
Instrument Cluster Description and Operation
Isuzu IPC System Schematics - Air Susp Dump Lamp, Speedometer, VM
Power Distribution System Schematics - Fuse Block I/P, C.B. 6
Ground Distribution Schematics - S324, S326 and S500
Isuzu IPC System Schematics - Exhaust BRK Lamp, Tachometer
Isuzu IPC System Schematics - Air Susp Dump Lamp, Speedometer, VM
Isuzu IPC System Schematics - Seat Belt, Prim BRK, ABS, PRK BRK Lamps
Isuzu IPC System Schematics - DRL, Serv, Trans, Low Cool, BAT,HBeam LP
Isuzu IPC System Schematics - Exhaust BRK Lamp, Tachometer
Isuzu IPC System Schematics - Fuel, Temp, Oil Press and Chk Gages
Isuzu IPC System Schematics - Air Susp Dump Lamp, Speedometer, VM
Isuzu IPC System Schematics - DRL, Serv, Trans, Low Cool, BAT,HBeam LP