GM Service Manual Online
For 1990-2009 cars only
Makes
🢒
Cadillac
🢒
2007
🢒
Escalade EXT
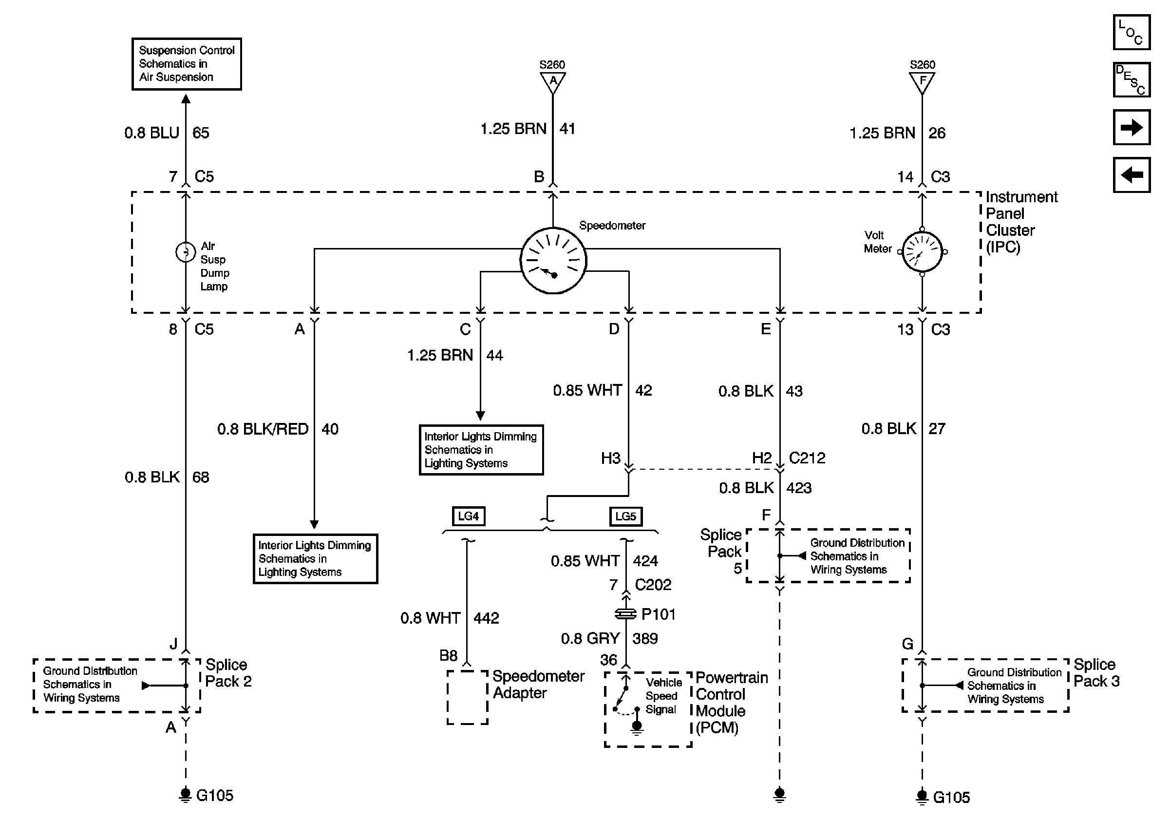
🢒 Isuzu IPC System Schematics - Air Susp Dump Lamp, Speedometer, VM
Isuzu IPC System Schematics - Air Susp Dump Lamp, Speedometer, VM
Air Susp Dump Lamp, Speedometer and Volt Meter
Master Electrical Component List
Instrument Cluster Description and Operation
Isuzu IPC System Schematics - Fuel, Temp, Oil Press and Chk Gages
Isuzu IPC System Schematics - IPC Power Distribution
Isuzu Air Suspension Schematics - Air Suspension Dump SW and SOL
Isuzu IPC System Schematics - IPC Power Distribution
Isuzu IPC System Schematics - IPC Power Distribution
Ground Distribution Schematics - Splice Pack 2
Lighting System Schematics - Instrument Panel Lighting
Lighting System Schematics - Instrument Panel Lighting
Ground Distribution Schematics - Splice Pack 5, S239 and S242
Ground Distribution Schematics - Splice Pack 3 and S361