GM Service Manual Online
For 1990-2009 cars only
Makes
🢒
Cadillac
🢒
2007
🢒
Escalade EXT
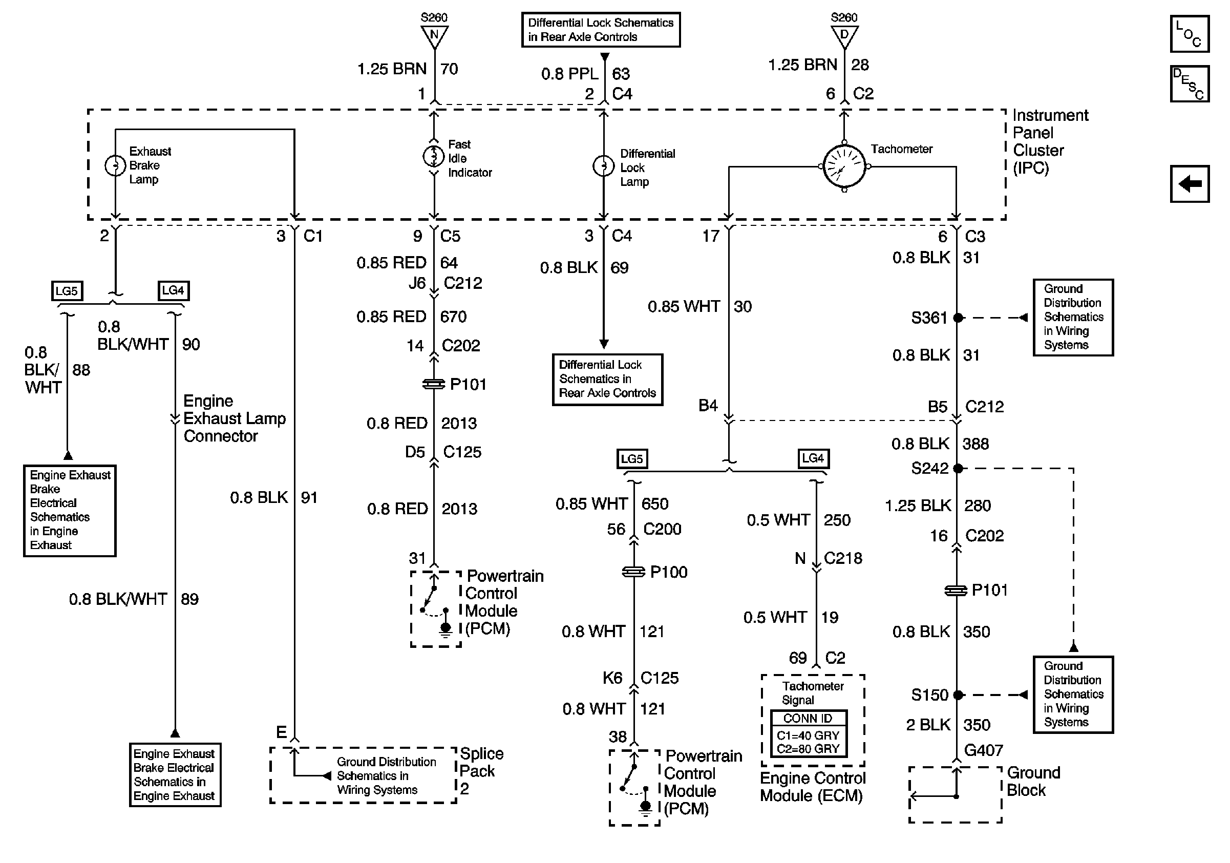
🢒 Isuzu IPC System Schematics - Exhaust BRK Lamp, Tachometer
Isuzu IPC System Schematics - Exhaust BRK Lamp, Tachometer
Exhaust Brake, Air Susp Dump Lamps and Tachometer
Master Electrical Component List
Instrument Cluster Description and Operation
Isuzu IPC System Schematics - Aux BRK, RH and LH Turn, APP PRK BRK LPS
Isuzu IPC System Schematics - IPC Power Distribution
Rear Axle Control Schematics - Differential Lock Switch and Valve
Isuzu IPC System Schematics - IPC Power Distribution
Engine Exhaust Schematics - ENG Exhaust BRK SW, EE BRK Sol Valve
Engine Exhaust Schematics - IPC, EDCM, ENG Exhaust BRK SW and ECM
Ground Distribution Schematics - Splice Pack 2
Rear Axle Control Schematics - Differential Lock Switch and Valve
Ground Distribution Schematics - Splice Pack 3 and S361
Ground Distribution Schematics - G407, G409, S108, S137, S150, S120