GM Service Manual Online
For 1990-2009 cars only
Makes
🢒
Cadillac
🢒
2008
🢒
Escalade EXT
🢒
Transmission/Transaxle
🢒
Automatic Transmission - 4L60-E/4L65-E/4L70-E
🢒 Automatic Transmission Controls Schematics
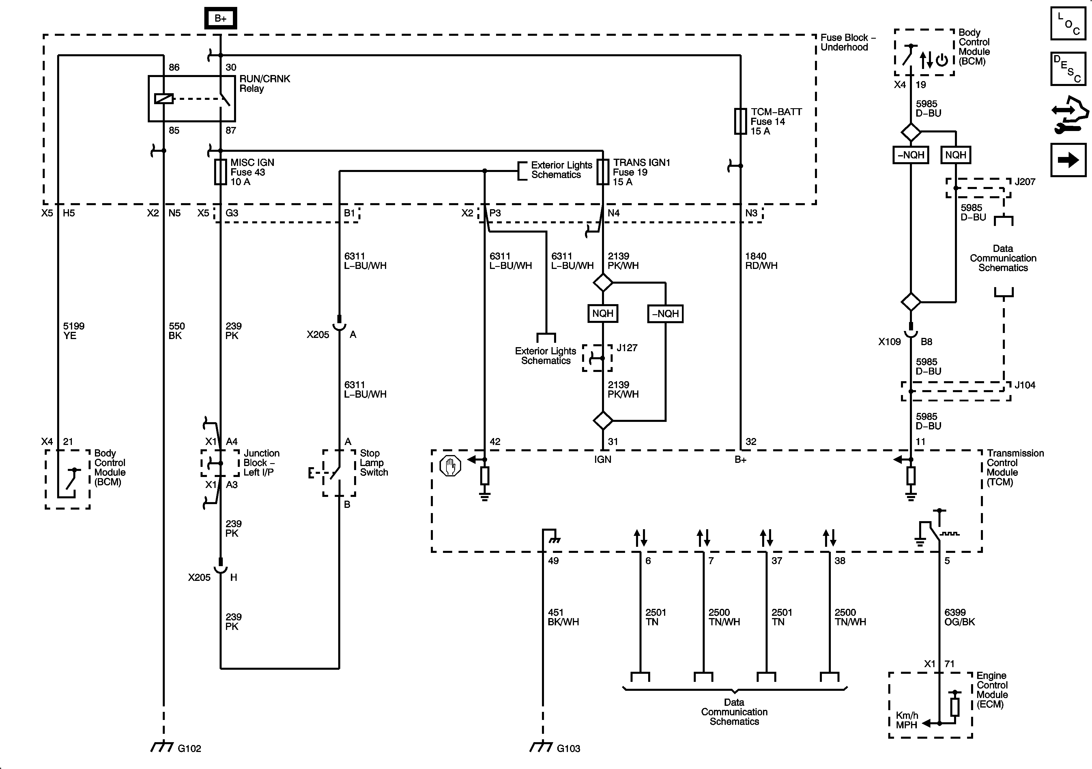
Figure
1:
Module Power, Ground, and Serial Data
Master Electrical Component List
Transmission Component and System Description
Control Module References
Shift Controls
RUN/CRANK Bus - AIRBAG IGN, MISC IGN and SEO/ALC Fuses
Stop Lamp Controls and CHMSL
RUN/CRANK Bus - ECM-IGN and TRANS IGN 1 Fuses
Serial Data Communication Enable and Wake-up Circuits
Stop Lamp Controls and CHMSL
G102, G104, and G108
G103, G110 and G111
HIgh Speed Bus - 1 of 2
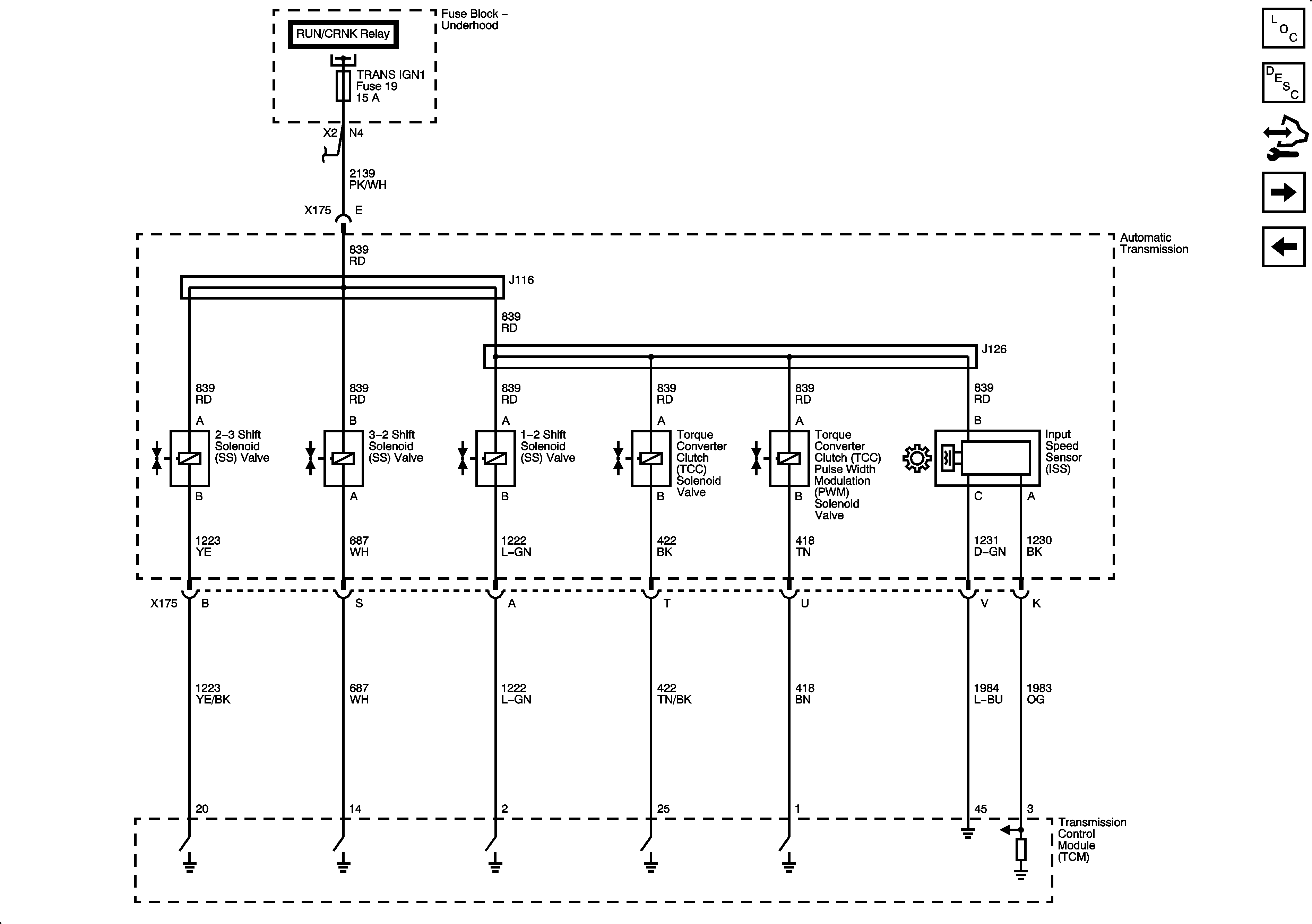
Figure
2:
Shift Controls
Master Electrical Component List
Transmission Component and System Description
Control Module References
Pressure and Temperature Controls
Module Power, Ground, and Serial Data
RUN/CRANK Bus - ECM-IGN and TRANS IGN 1 Fuses
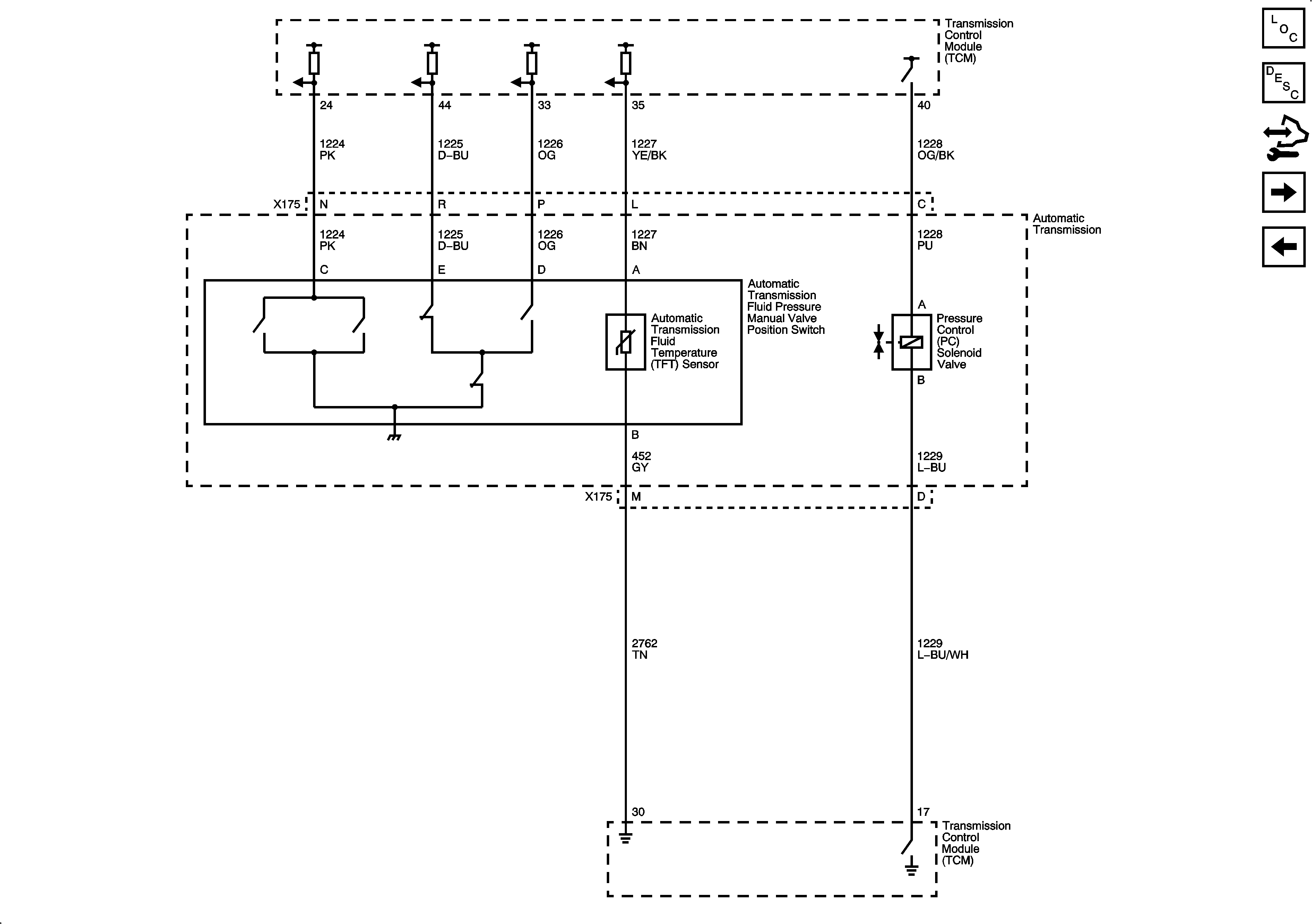
Figure
3:
Pressure and Temperature Controls
Master Electrical Component List
Transmission Component and System Description
Control Module References
PNP Signals, VSS Signal, and Tow/Haul Signal
Shift Controls
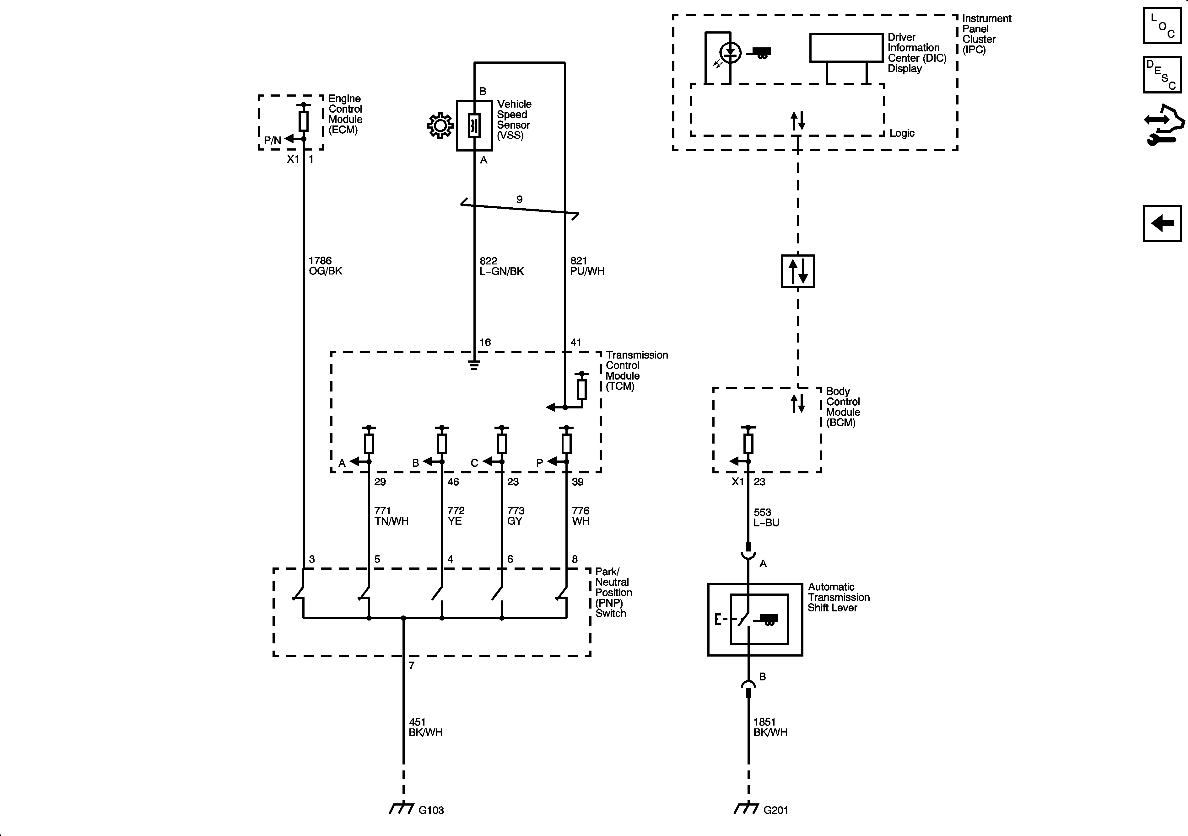
Figure
4:
PNP Signals, VSS Signals, and Tow/Haul Signal
Master Electrical Component List
Transmission Component and System Description
Control Module References
Pressure and Temperature Controls
Data Communication Schematics
G103, G110 and G111
G201