GM Service Manual Online
For 1990-2009 cars only
Makes
🢒
Cadillac
🢒
2008
🢒
Escalade EXT
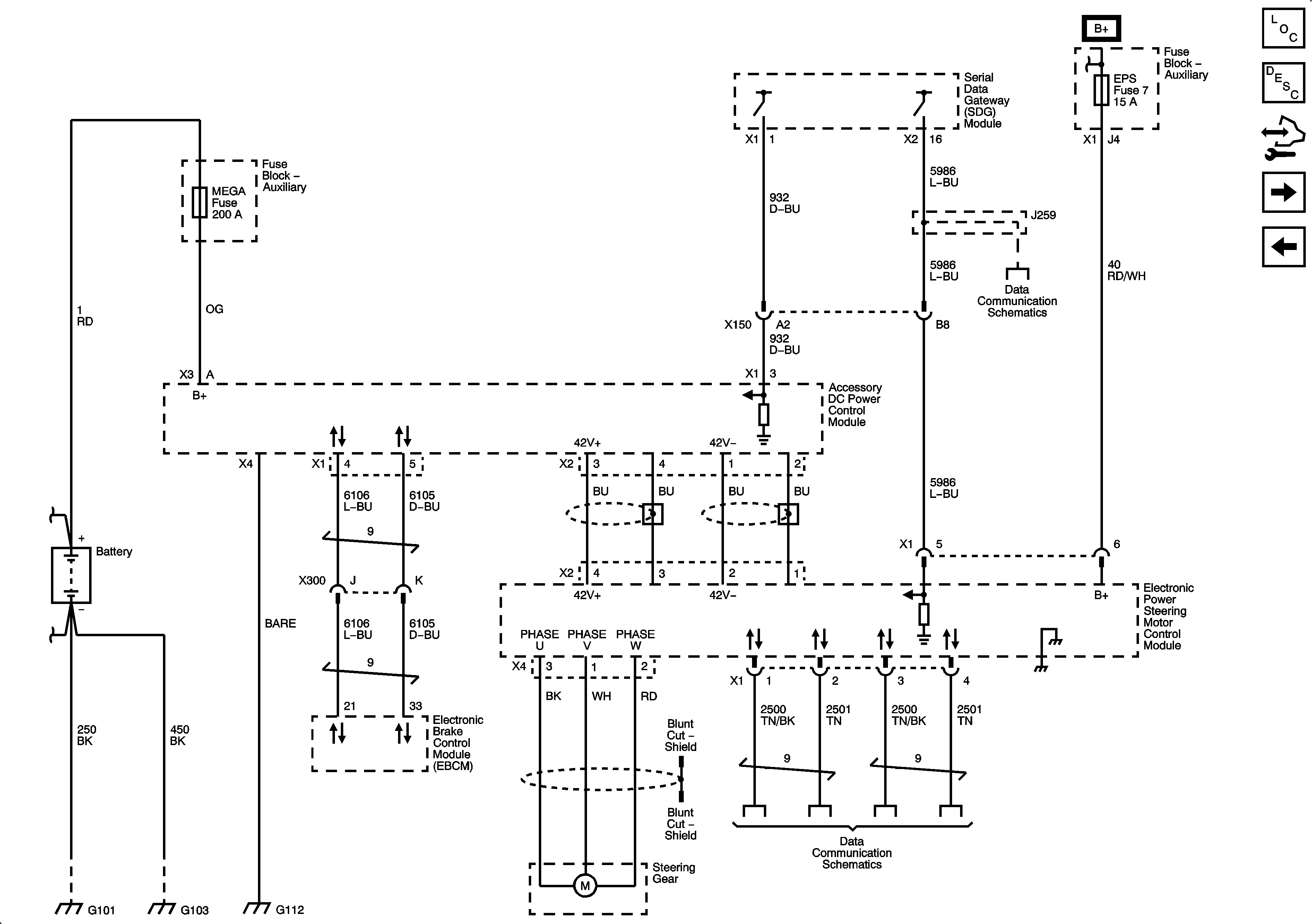
🢒 Accessory DC Power Control, Hybrid Power Steering
Accessory DC Power Control, Hybrid Power Steering
Accessory DC Power Control, Hybrid Power Steering
Master Electrical Component List
Drive Motor Generator Control Module Description and Operation
Control Module References
High Voltage Interlock Loop (HVIC), Contactor Control Circuit
Drive Motor Generator Power Inverter Module Power and Data Communication, High Voltage A/C Compressor Control
ACCM, ACPO, BECM, BECM FAN, CAB HTR PUMP, COOL PUMP, EPS, PIM 1 and PIM 2 Fuses
Serial Data Communication Enable and Wake-up Circuits
G101
G103, G110 and G111
G103, G110 and G111
High Speed Bus (HP2)