GM Service Manual Online
For 1990-2009 cars only

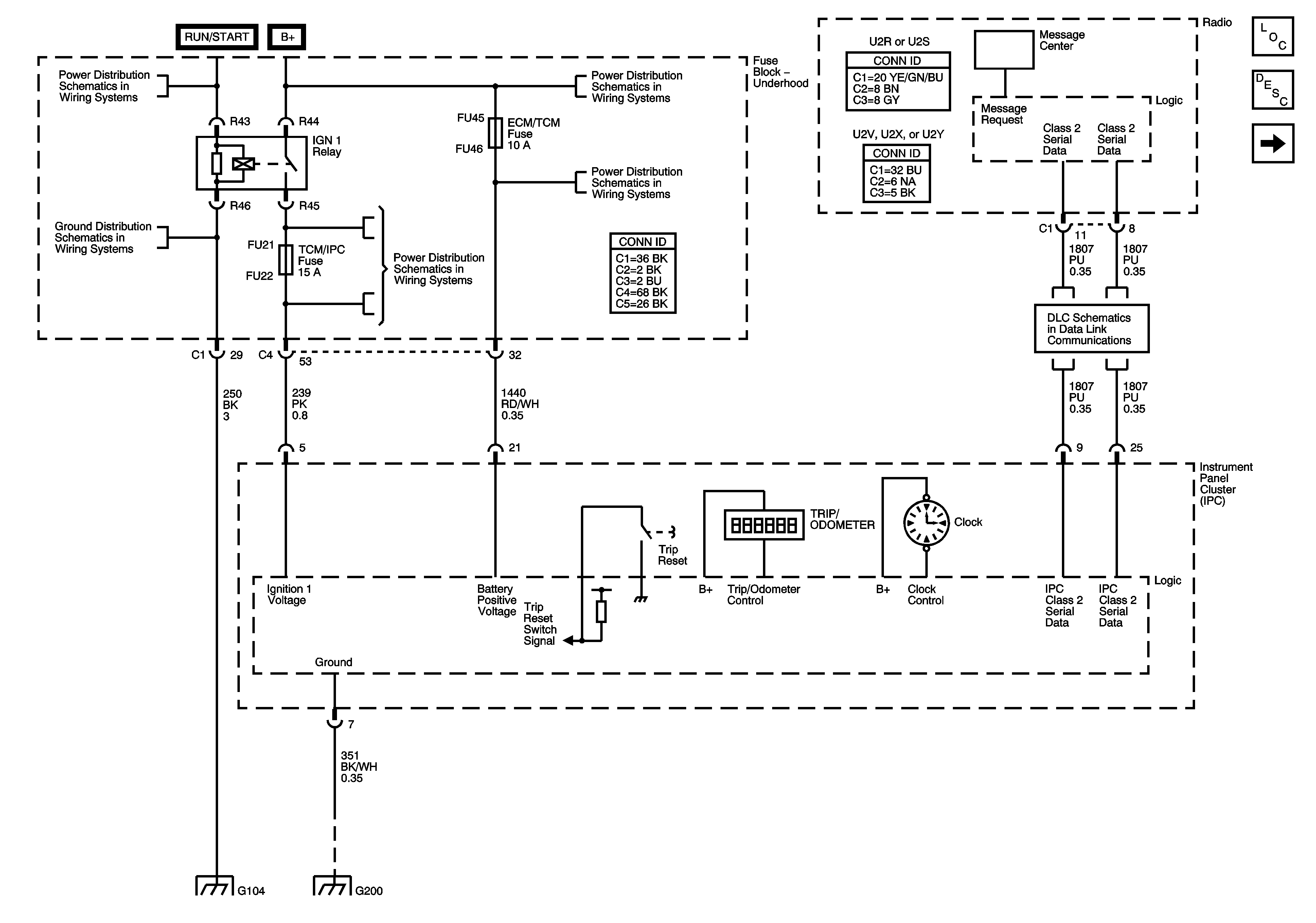
Power, Ground, Serial Data, Odometer and Clock

Power, Ground, Serial Data, Odometer, and Clock


Object Number: 1222676  Size: FS
Master Electrical Component List
Instrument Cluster Description and Operation
Indicators
RIM and THEFT Fuses and Ignition Switch - 2 of 2
Fuse Block - Underhood B+ Bus Schematic
CCP (B+), DIM/ALDL, EBCM (B+), ECM/TCM, FLASHER, and VOLT CHECK Fuses
G104
ABS, STARTER RLY, STRG CTLS, TCM/IPC, and WASH NOZ Fuses
Class 2 Serial Data - 1 of 2
G104
G200