GM Service Manual Online
For 1990-2009 cars only
Makes
🢒
Cadillac
🢒
2004
🢒
SRX
🢒 Front Power Windows
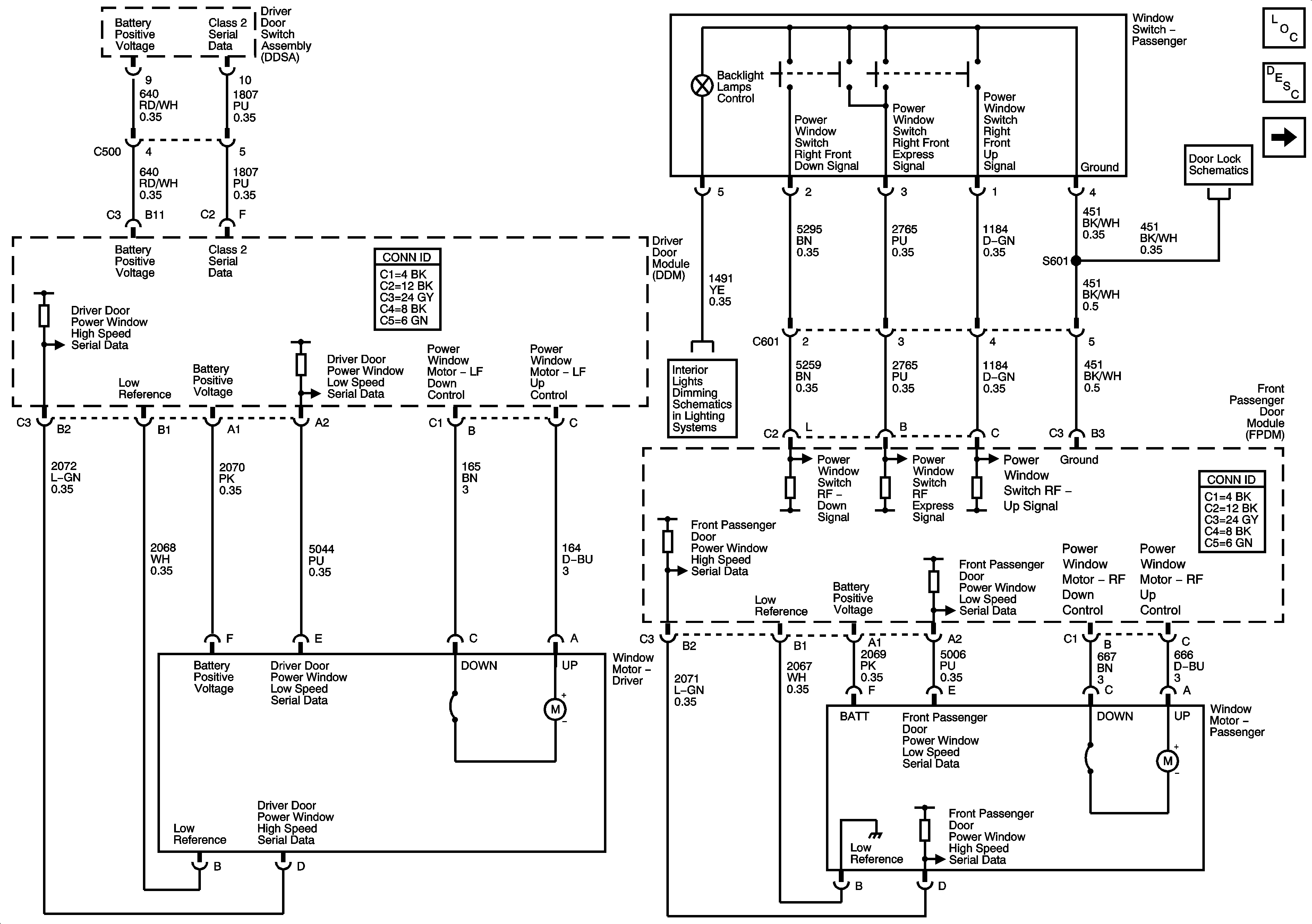
Front Power Windows
Front Power Windows
Master Electrical Component List
Power Windows Description and Operation
Rear Power Windows
Left Rear and Right Rear Door Lock
Dimming Lamps - 2 of 2