GM Service Manual Online
For 1990-2009 cars only
Figure 1:

Driver and Passenger Power Outside Mirrors (w/o A45)


Object Number: 1452837  Size: FS
Master Electrical Component List
Outside Mirror Description and Operation
Control Module References
Driver Power Outside Mirror (A45)
Class 2 Serial Data - 2 of 2
Dimming Lamps - 2 of 2
Class 2 Serial Data - 1 of 2
DDM Power, Ground and Serial Data
Figure 2:

Driver Power Outside Mirror (A45)


Object Number: 1452841  Size: FS
Master Electrical Component List
Outside Mirror Description and Operation
Control Module References
Front Passenger Power Outside Mirror (A45)
Driver and Passenger Power Outside Mirrors (w/o A45)
Memory Seat Controls (A45)
DDM Power, Ground and Serial Data
Dimming Lamps - 2 of 2
Class 2 Serial Data - 1 of 2
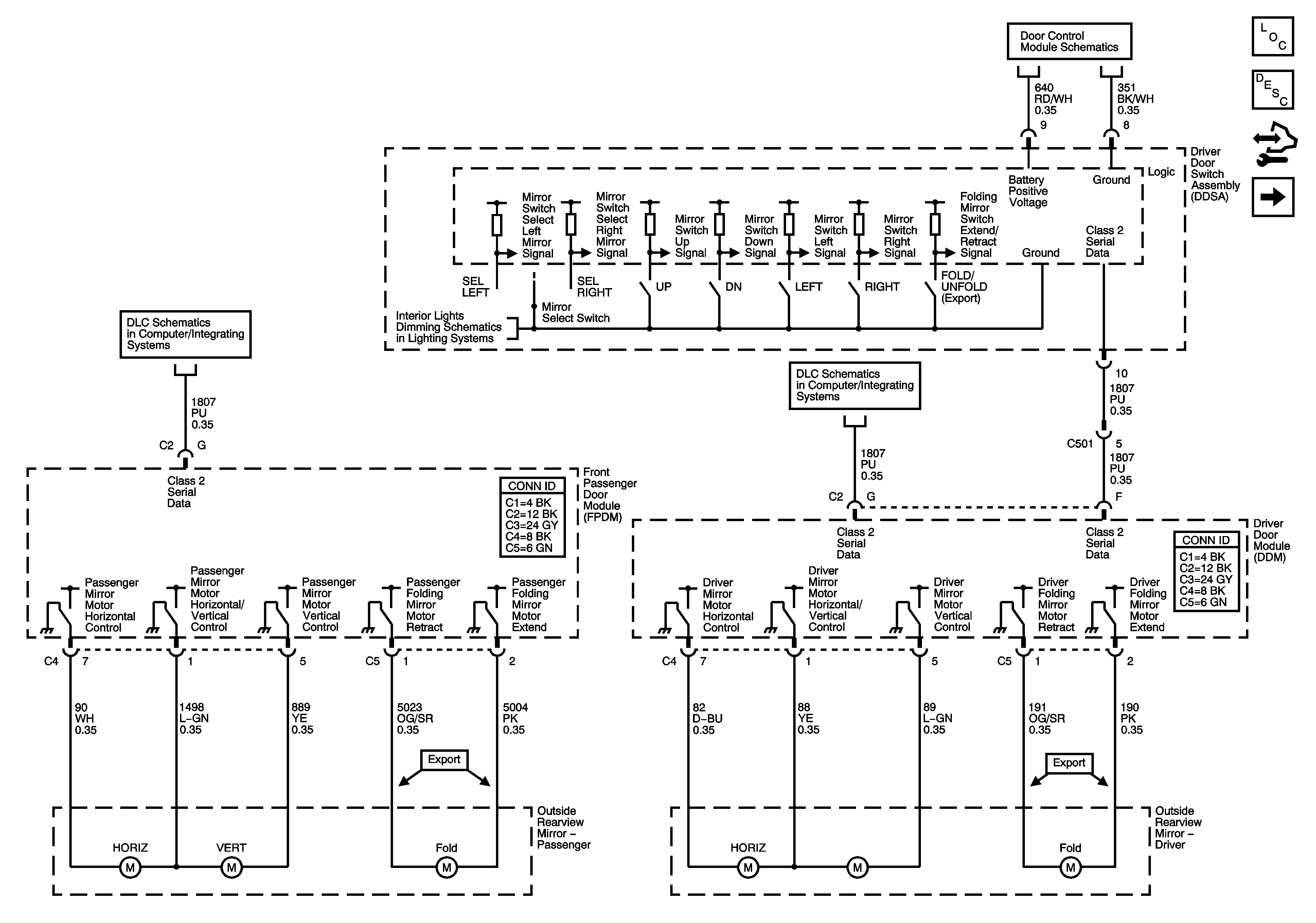
Figure 3:

Front Passenger Power Outside Mirror (A45)


Object Number: 1452843  Size: FS
Master Electrical Component List
Outside Mirror Description and Operation
Control Module References
Heated and Automatic Day/Night Outside Mirrors
Driver Power Outside Mirror (A45)
DDM Power, Ground and Serial Data
Dimming Lamps - 2 of 2
Class 2 Serial Data - 2 of 2
Class 2 Serial Data - 1 of 2
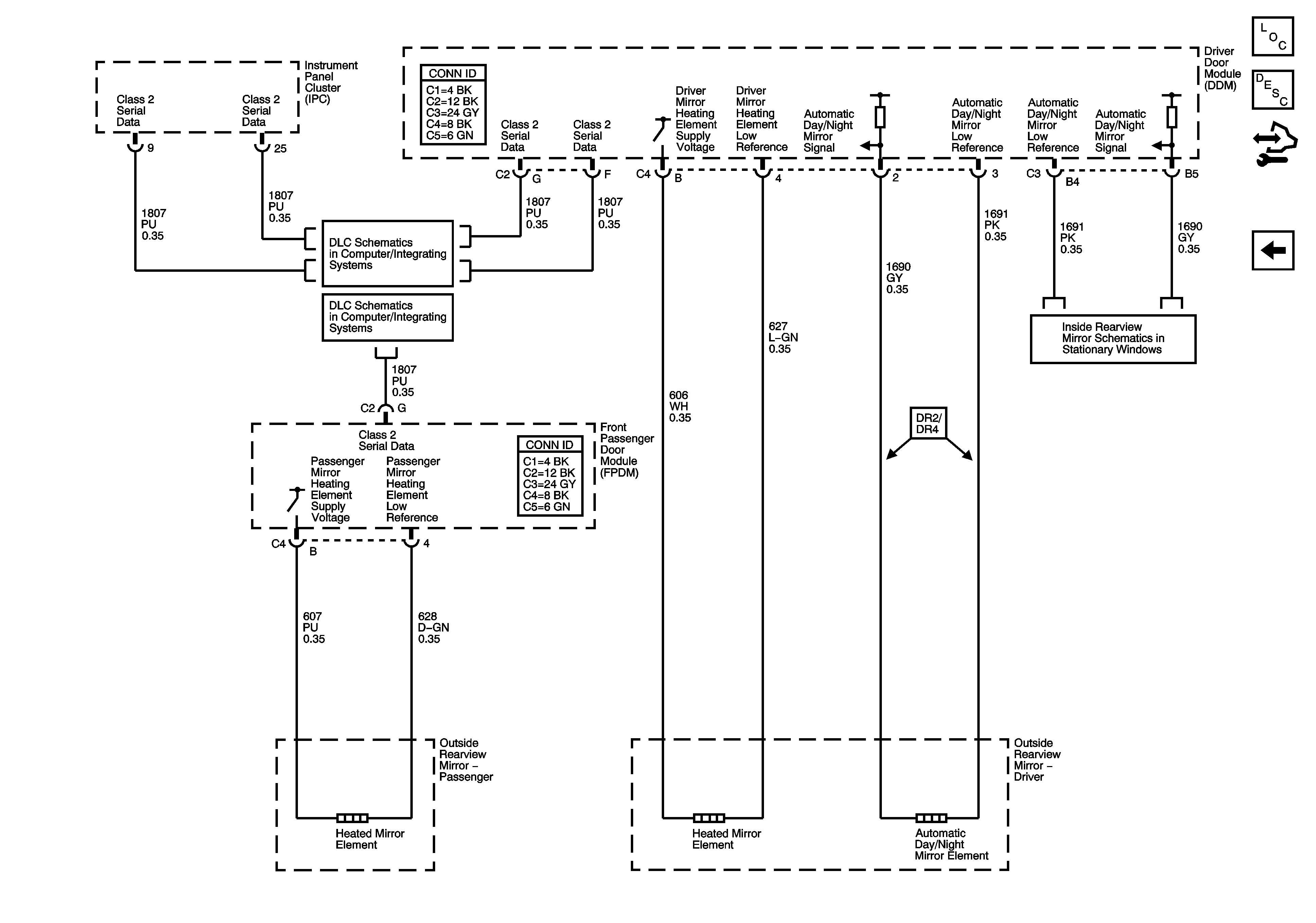
Figure 4:

Heated and Automatic Day/Night Outside Mirrors


Object Number: 1452845  Size: FS
Master Electrical Component List
Outside Mirror Description and Operation
Control Module References
Front Passenger Power Outside Mirror (A45)
Class 2 Serial Data - 1 of 2
Class 2 Serial Data - 2 of 2
Inside Rearview Mirror Schematic