GM Service Manual Online
For 1990-2009 cars only
Makes
🢒
Cadillac
🢒
2005
🢒
SRX
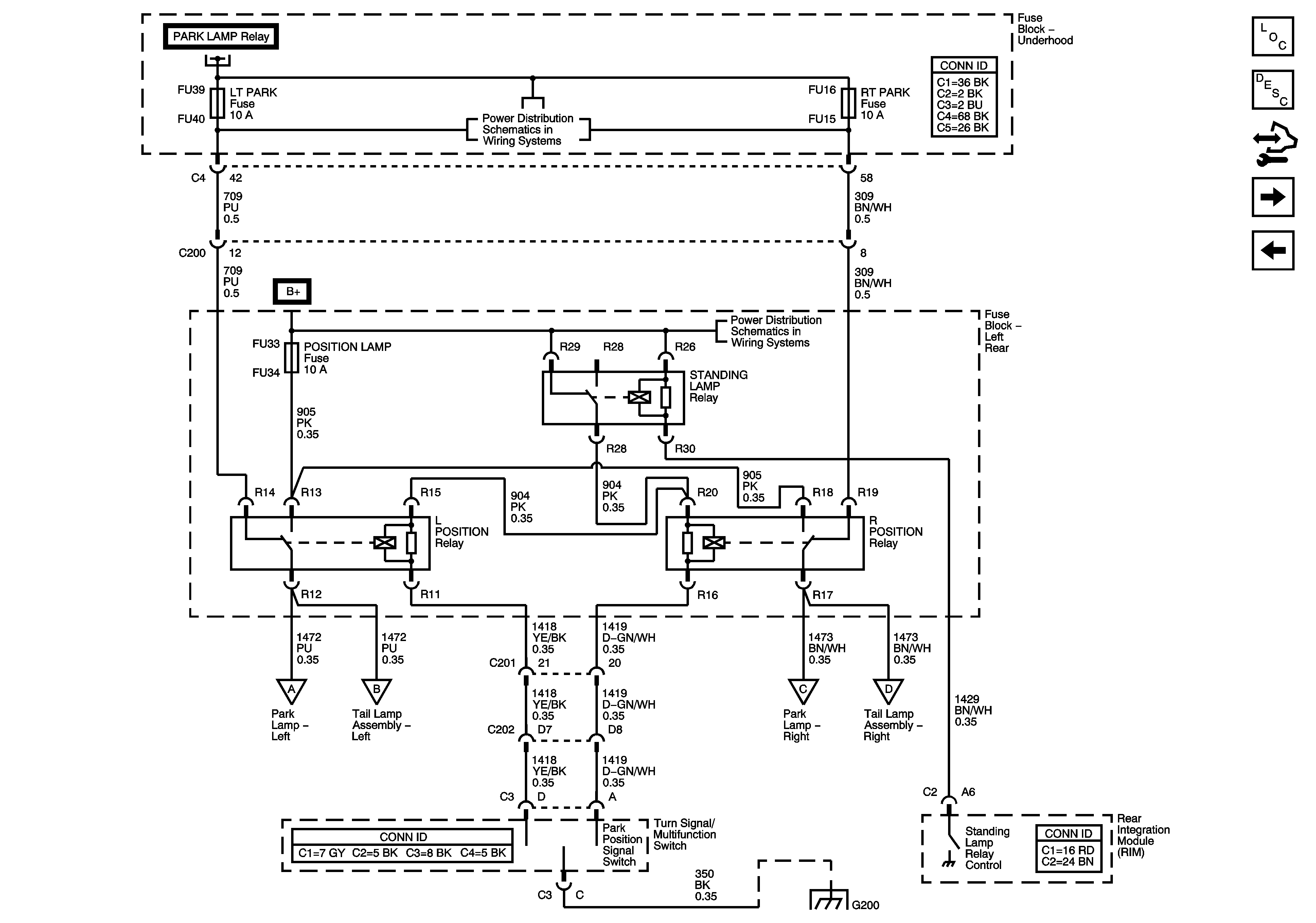
🢒 Position Lamp Controls - Export
Position Lamp Controls - Export
Position Lamp Controls - Export
Master Electrical Component List
Exterior Lighting Systems Description and Operation
Control Module References
Parking Lamps - Export
Parking Lamps - Domestic
Park Lamp Controls and Indicators
LIC/DIMMING, LT PARK, and RT PARK Fuses
Parking Lamps - Export
Parking Lamps - Export
Parking Lamps - Export
Parking Lamps - Export
G200