GM Service Manual Online
For 1990-2009 cars only
Makes
🢒
Cadillac
🢒
2005
🢒
SRX
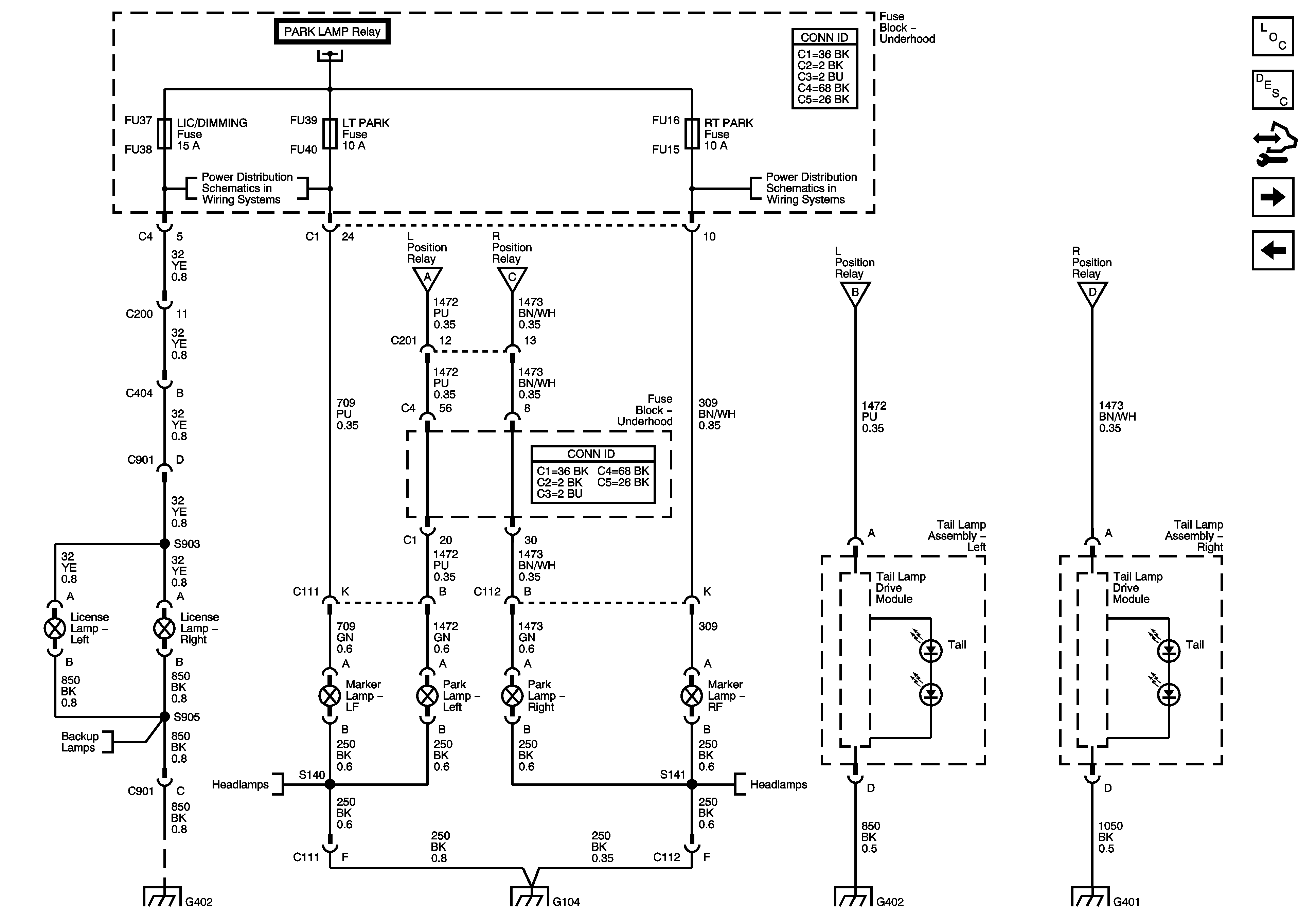
🢒 Parking Lamps - Export
Parking Lamps - Export
Parking Lamps - Export
Master Electrical Component List
Exterior Lighting Systems Description and Operation
Control Module References
Tail Lamps and Stop Lamps - Domestic
Position Lamp Controls - Export
Park Lamp Controls and Indicators
LIC/DIMMING, LT PARK, and RT PARK Fuses
LIC/DIMMING, LT PARK, and RT PARK Fuses
Position Lamp Controls - Export
Position Lamp Controls - Export
Park Lamp Controls and Indicators
Park Lamp Controls and Indicators
Backup Lamps
Headlamps - Export
Headlamps - Export
G402 - 2 of 2
G104
G402 - 1 of 2
G401 - 1 of 2