GM Service Manual Online
For 1990-2009 cars only
Figure 1:

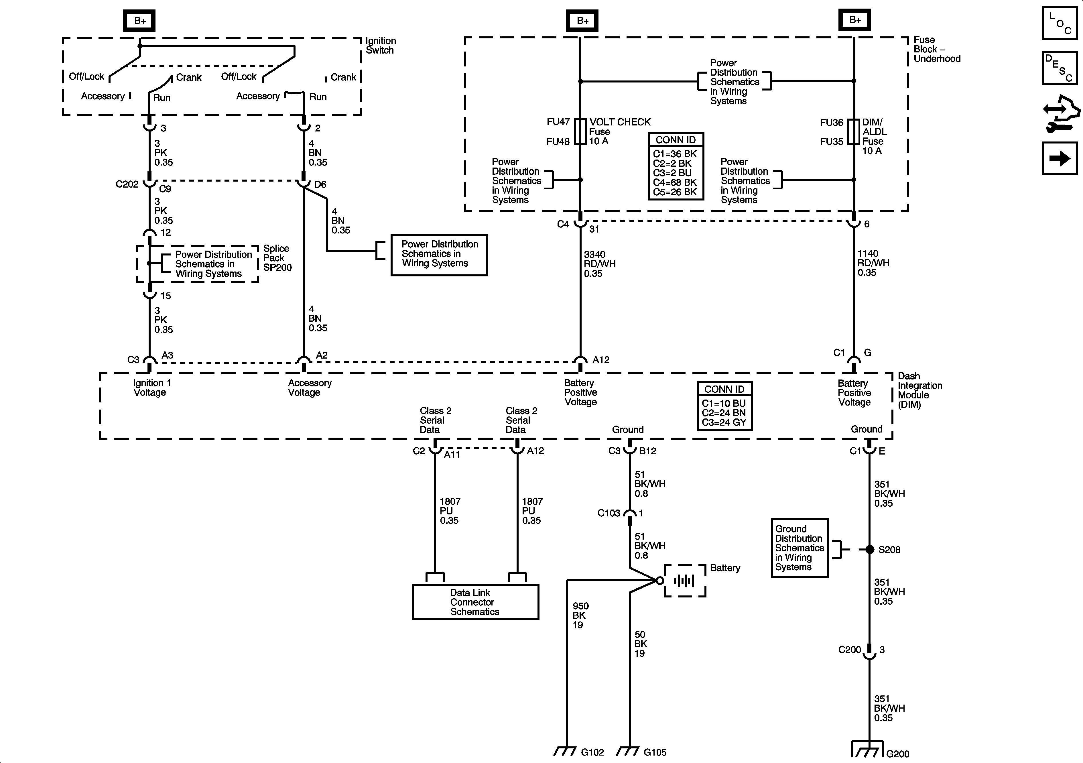
DIM Power, Ground, and Serial Data


Object Number: 1615730  Size: FS
Master Electrical Component List
Body Control System Description and Operation
Control Module References
DIM Inputs and Outputs 1 of 2
Fuse Block Underhood B+ Bus
CCP B+, DIM/ALDL, EBCM B+, ECM/TCM, Flasher, and VOLT CHECK Fuses
CCP B+, DIM/ALDL, EBCM B+, ECM/TCM, Flasher, and VOLT CHECK Fuses
RIM and THEFT Fuses and Ignition Switch 2 of 2
Class 2 Serial Data 1 of 2
G200
G200
Figure 2:

DIM Inputs and Outputs 1 of 2


Object Number: 1615732  Size: FS
Master Electrical Component List
Body Control System Description and Operation
Control Module References
DIM Inputs and Outputs 2 of 2
DIM Power, Ground, and Serial Data
Interior Lamps Dimming Controls
Headlamp Controls
Front Fog Lamps
Headlamp Controls
Horns Schematics
Headlamp Controls
Park Lamp Controls and Indicators
Interior Lamps Dimming Controls
Headlamp Controls
Ignition Lock Schematic
Headlamp Controls
Audible Warning
Interior Lamps Dimming Controls
Interior Lamps Dimming Controls
Figure 3:

DIM Inputs and Outputs 2 of 2


Object Number: 1615735  Size: FS
Master Electrical Component List
Body Control System Description and Operation
Control Module References
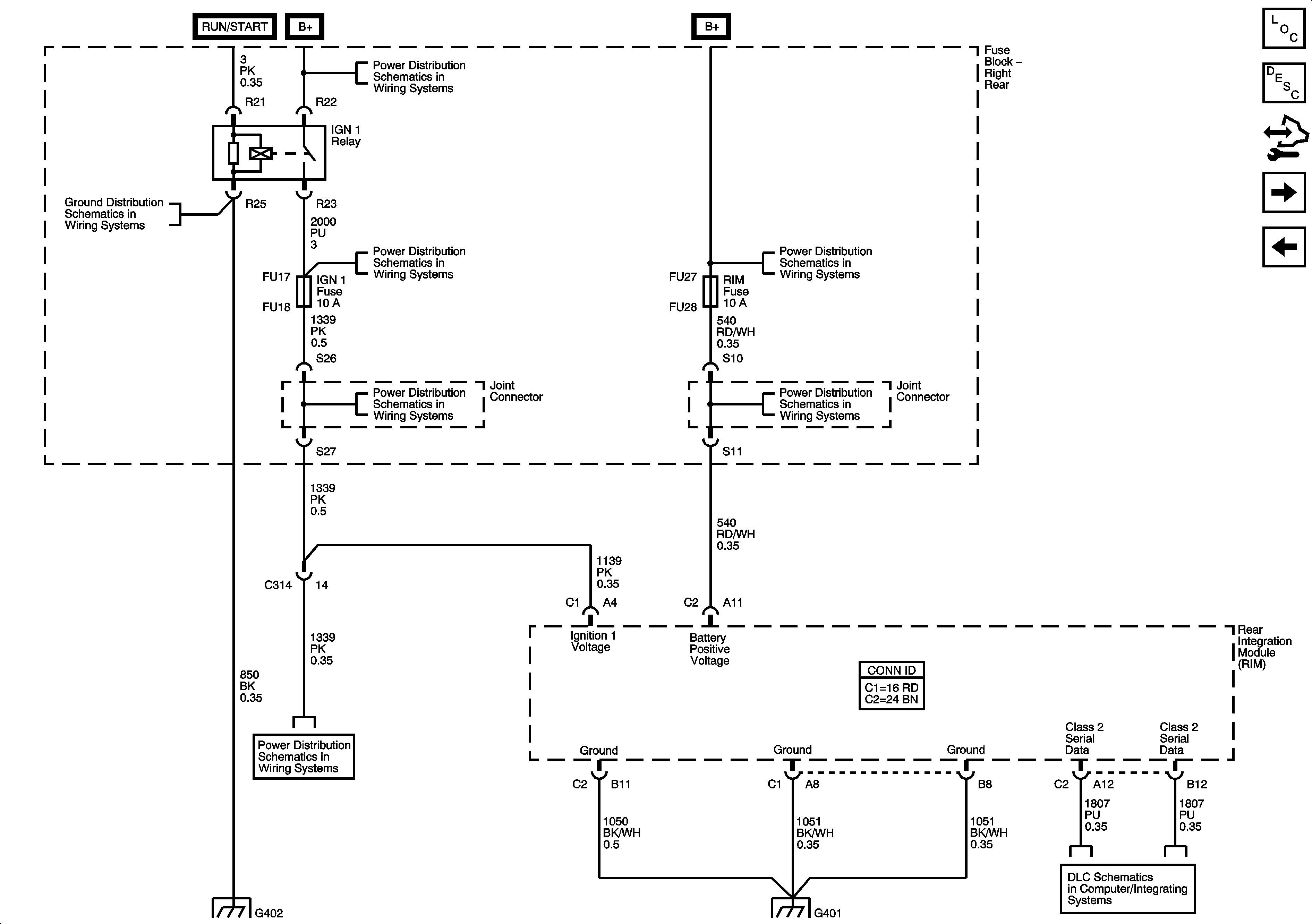
RIM Power, Ground, and Serial Data
DIM Inputs and Outputs 1 of 2
Turn Signal/Hazard Flasher Module
Courtesy/Reading Lamps
Content Theft Deterrent (CTD)
Rear Fog Lamps
Front Wiper/Washer Controls
Headlamp Controls
Turn Signal/Hazard Flasher Module
Front Wiper/Washer Controls
Courtesy/Reading Lamps
Cigar Lighter and Auxiliary Outlet Schematics
Figure 4:

RIM Power, Ground, and Serial Data


Object Number: 1615737  Size: FS
Master Electrical Component List
Body Control System Description and Operation
Control Module References
RIM Inputs and Outputs
DIM Inputs and Outputs 2 of 2
G402 1 of 2
Fuse Block Right Rear B+ Bus
AIR BAG, CCP (RUN), EBCM (RUN), HDLP LEVELING, IGN 1 AND IGN 3 FUSES
AIR BAG, CCP (RUN), EBCM (RUN), HDLP LEVELING, IGN 1 AND IGN 3 FUSES
Fuse Block Right Rear B+ Bus
RIM and THEFT Fuses and Ignition Switch 2 of 2
AIR BAG, CCP (RUN), EBCM (RUN), HDLP LEVELING, IGN 1 AND IGN 3 FUSES
G402 1 of 2
G401 1 of 2
Class 2 Serial Data 2 of 2
Figure 5:

RIM Inputs and Outputs


Object Number: 1615739  Size: FS
Master Electrical Component List
Body Control System Description and Operation
Control Module References
RIM Power, Ground, and Serial Data
CTD Sensors and Sirens (UA2)
CTD Sensors and Sirens (UA2)
Indicator, Traction Control, and Brake Pedal Position
Courtesy/Reading Lamps
Heated Seat (KA1)
Heated Seat
Courtesy Lamps
Backup Lamps
Rear Fog Lamps
CTD Sensors and Sirens (UA2)
Heated Seat
Heated Seat (KA1)
Rear Sunshade
Position Lamp Controls-Export
Power, Ground, DLC, and Controls
Rear Parking Assist Schematics
Shift Lock Schematics
Defogger Schematics