GM Service Manual Online
For 1990-2009 cars only
Makes
🢒
Cadillac
🢒
2007
🢒
SRX
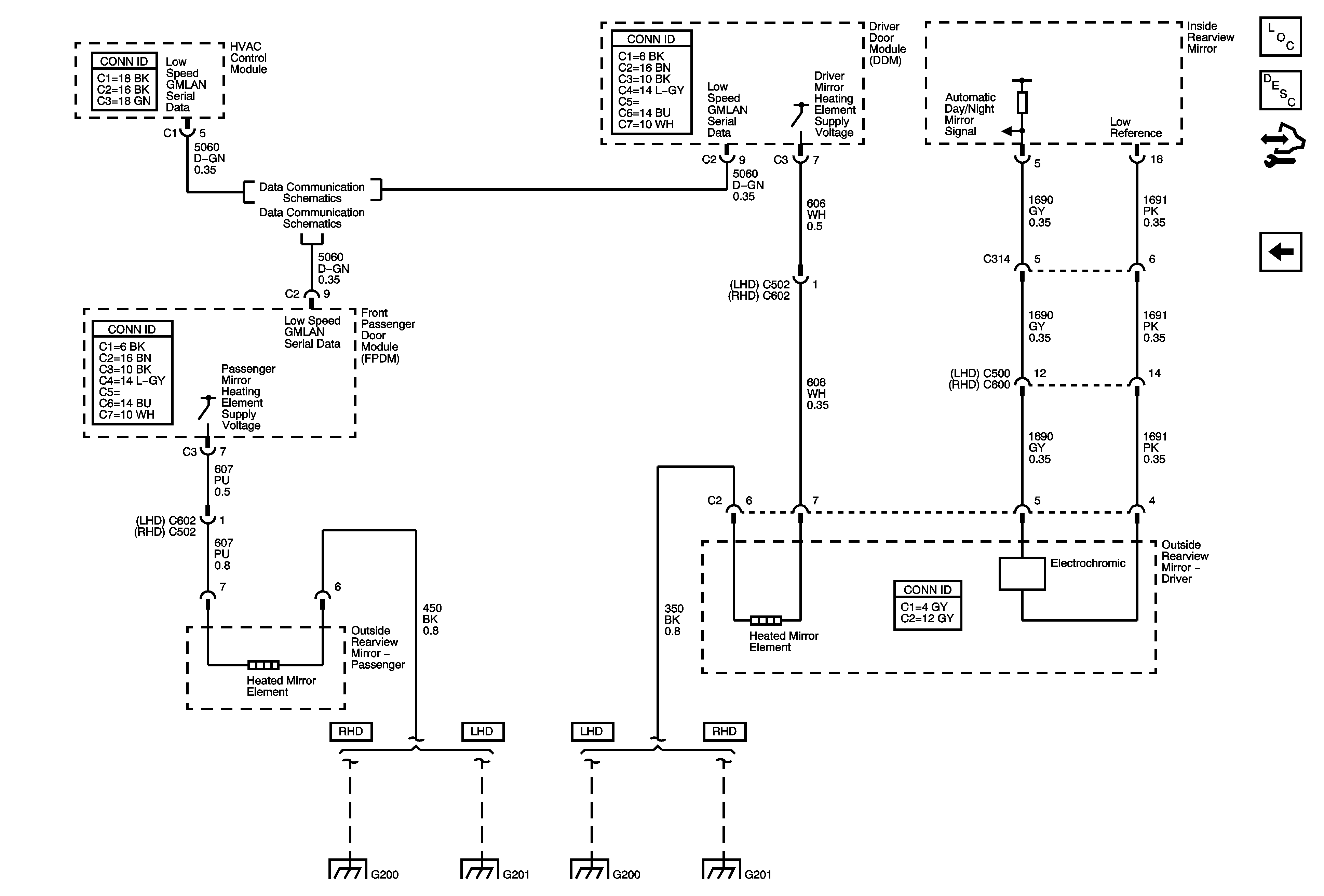
🢒 Heated and Automatic Day/Night Outside Mirrors
Heated and Automatic Day/Night Outside Mirrors
Heated and Automatic Day/Night Outside Mirrors
Master Electrical Component List
Automatic Day-Night Mirror Description and Operation
Control Module References
Front Passenger Power Outside Mirror (A45)
Low Speed GMLAN Serial Data 1 of 2
Low Speed GMLAN Serial Data 2 of 2
G200 1 OF 2 (RHD)
G200 (2 of 2) LHD
G201 (LHD)
G201 (RHD)