GM Service Manual Online
For 1990-2009 cars only
Figure 1:

G105, G106, G110, G306, G403 and G404


Object Number: 1823988  Size: FS
Master Electrical Component List
Control Module References
G100 (LH2/LC3)
Power and Grounding Schematic Icons
Figure 2:

G100 (LH2)


Object Number: 1823992  Size: FS
Master Electrical Component List
Control Module References
G101
G105, G106, G110, G306, G403 and G404
Figure 3:

G101


Object Number: 1824008  Size: FS
Master Electrical Component List
Control Module References
G104 (1 of 2)
G100 (LH2/LC3)
Figure 4:

G104 1 of 2


Object Number: 1824012  Size: FS
Master Electrical Component List
Control Module References
G104 (2 of 2)
G101
Figure 5:

G104 2 of 2


Object Number: 1824016  Size: FS
Master Electrical Component List
Control Module References
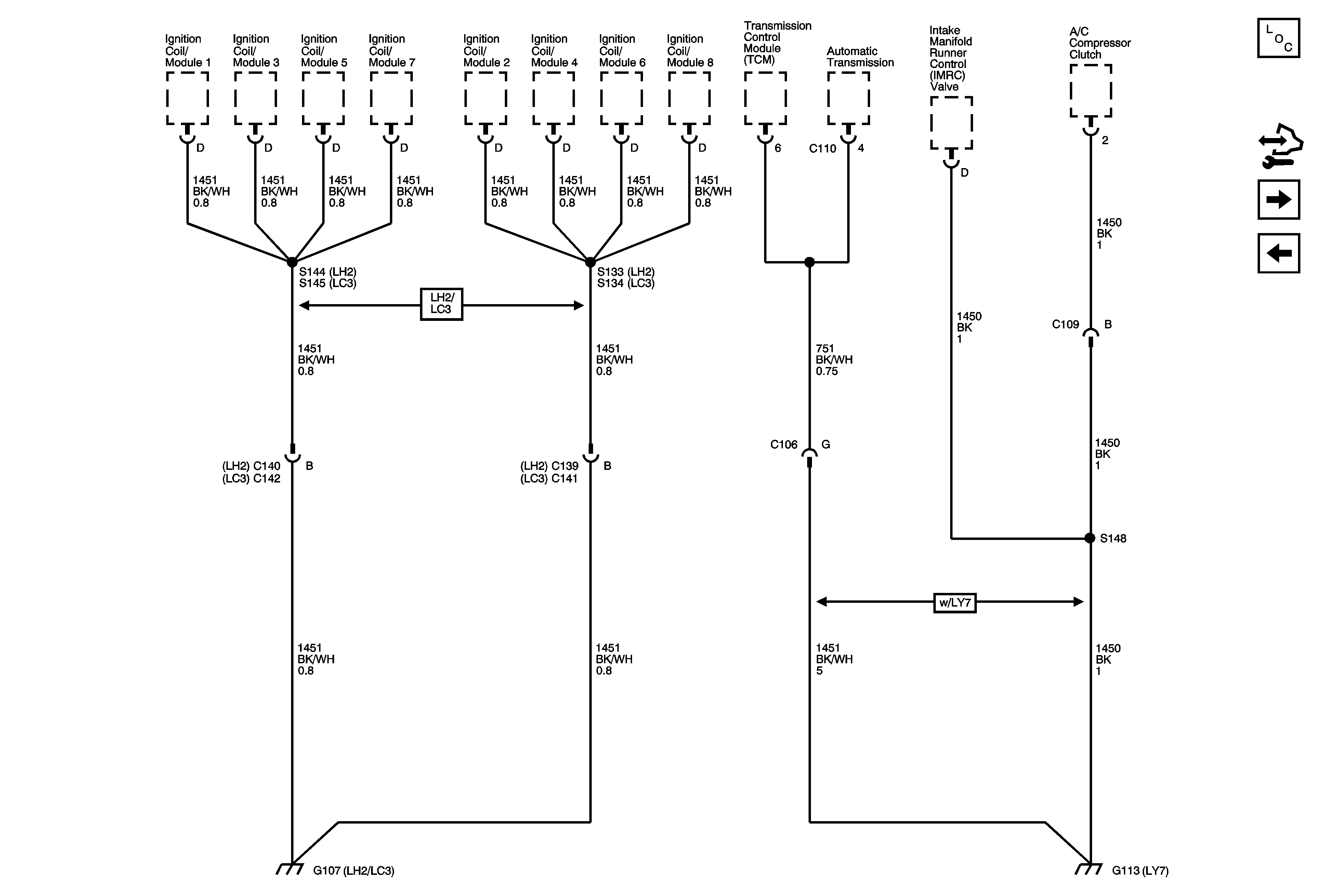
G107 (LH2/LC3), G113 (LY7)
G104 (1 of 2)
Figure 6:

G107 (LH2), G113 (LY7)


Object Number: 1824066  Size: FS
Master Electrical Component List
Control Module References
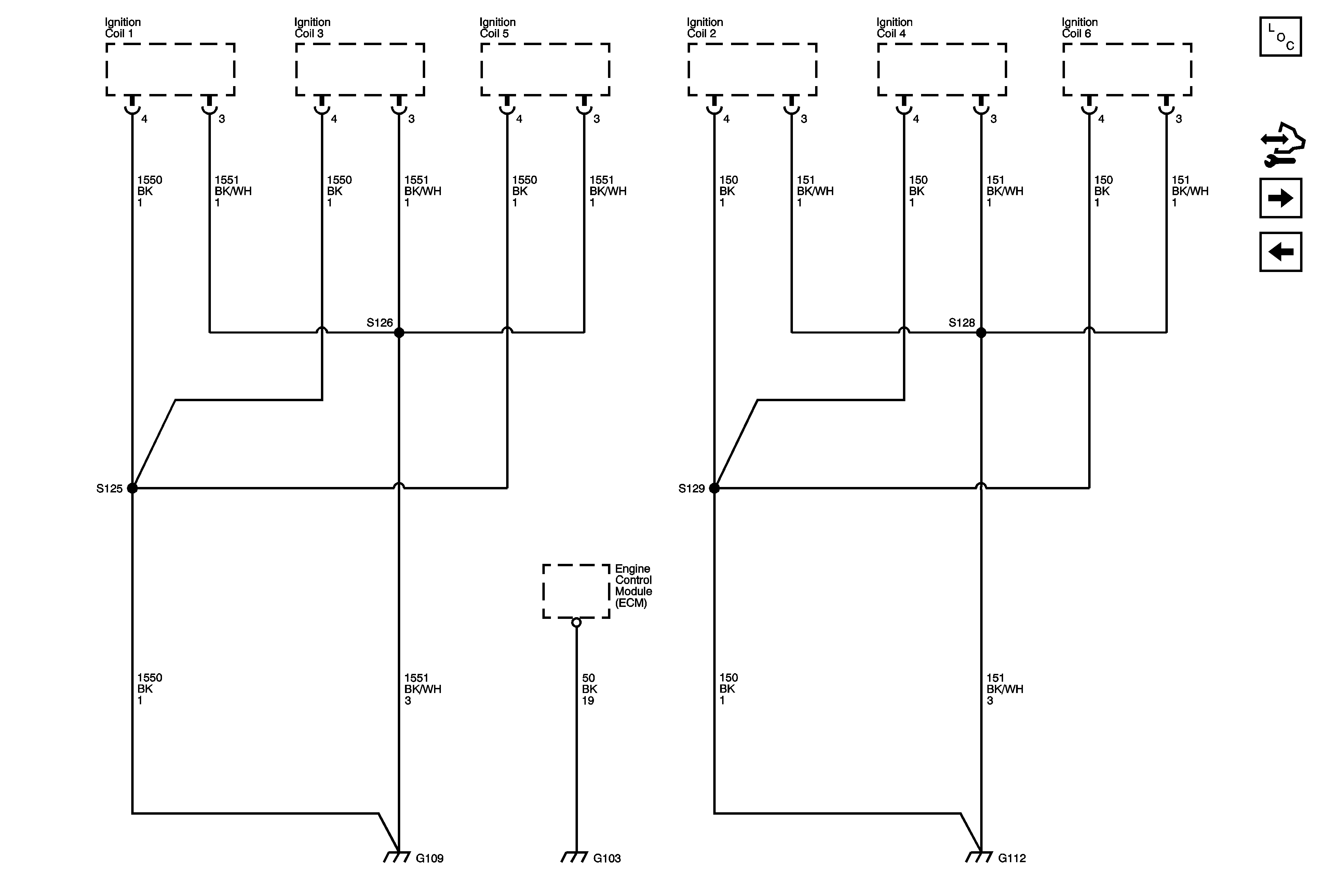
G103 (LY7), G109 (LY7), G112 (LY7)
G104 (2 of 2)
Figure 7:

G103 (LY7), G109 (LY7), G112 (LY7)


Object Number: 1824103  Size: FS
Master Electrical Component List
Control Module References
G200 (1 of 2)
G107 (LH2/LC3), G113 (LY7)
Figure 8:

G200 1 of 2


Object Number: 1824106  Size: FS
Master Electrical Component List
Control Module References
G200 (2 of 2)
G103 (LY7), G109 (LY7), G112 (LY7)
Figure 9:

G200 2 of 2


Object Number: 1824111  Size: FS
Master Electrical Component List
Control Module References
G201 (1 of 2)
G200 (1 of 2)
Power and Grounding Schematic Icons
Figure 10:

G201 1 of 2


Object Number: 1824113  Size: FS
Master Electrical Component List
Control Module References
G201 (2 of 2)
G200 (2 of 2)
Figure 11:

G201 2 of 2


Object Number: 1824115  Size: FS
Master Electrical Component List
Control Module References
G307 (LHD)
G201 (1 of 2)
Figure 12:

G307 (LHD)


Object Number: 1824118  Size: FS
Master Electrical Component List
Control Module References
G401 (1 of 2)
G201 (2 of 2)
Figure 13:

G401 1 of 2


Object Number: 1824120  Size: FS
Master Electrical Component List
Control Module References
G401 (2 of 2)
G307 (LHD)
Figure 14:

G401 2 of 2


Object Number: 1824122  Size: FS
Master Electrical Component List
Control Module References
G402 (1 of 2)
G401 (1 of 2)
Figure 15:

G402 1 of 2


Object Number: 1824129  Size: FS
Master Electrical Component List
Control Module References
G402 (2 of 2)
G401 (2 of 2)
Figure 16:

G402 2 of 2


Object Number: 1824132  Size: FS
Master Electrical Component List
Control Module References
G402 (1 of 2)