GM Service Manual Online
For 1990-2009 cars only
Makes
🢒
Cadillac
🢒
2007
🢒
STS
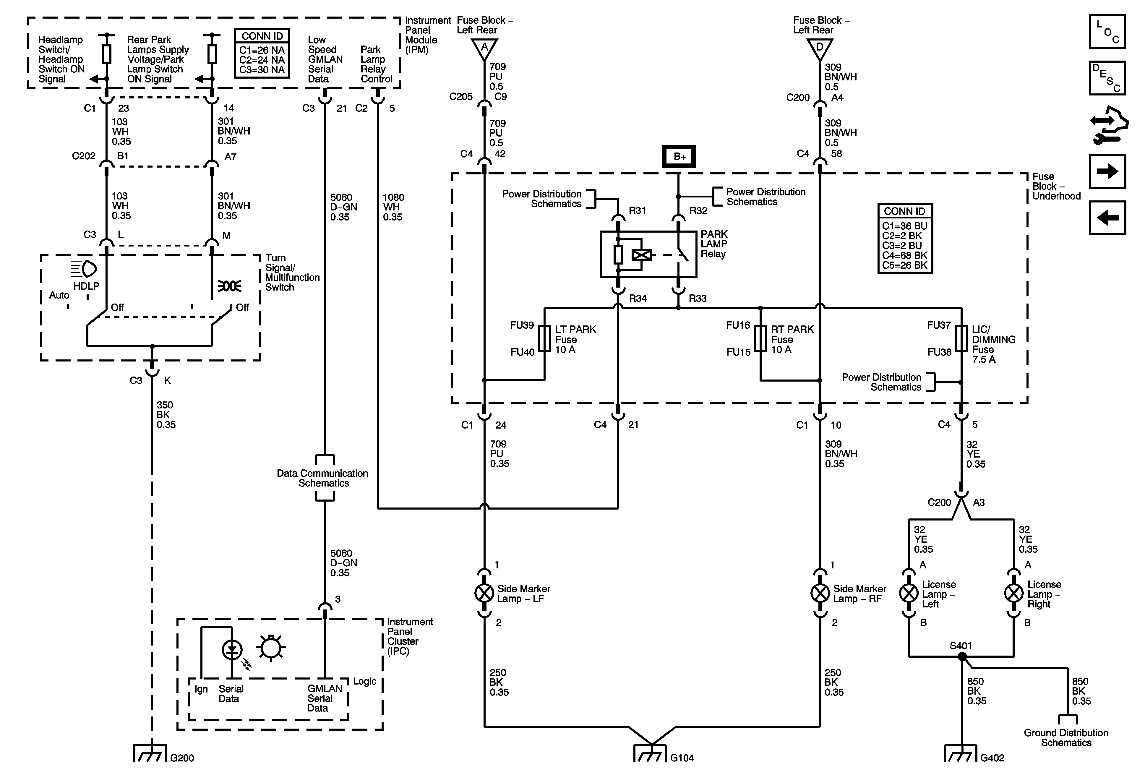
🢒 Park Lamp Relay, Switch and Instrument Cluster - Export
Park Lamp Relay, Switch and Instrument Cluster - Export
Park Lamp Relay, Switch, and Instrument Cluster - Export
Master Electrical Component List
Exterior Lighting Systems Description and Operation
Control Module References
Front Turn Signal Switch Signals, Brake Pedal Position Sensor - Domestic and Export
Tail Lamps - Export
Front Park Lamps, Rear Turn Signal Switch Signal, LT, RT Position and Standing Lamp Relay - Export
Front Park Lamps, Rear Turn Signal Switch Signal, LT, RT Position and Standing Lamp Relay - Export
Fuse Block - Underhood Relay/Fuses: Park Lamp Relay, Rt Park Fuses, Tilt/Lk/LMP/CLM Relay Coils Fuse
Fuse Block Underhood Wiring Bussing
GM LAN - Low Speed 2 of 2
G200 (2 of 2)
G104 (1 of 2)
Fuse Block - Underhood Fuses: LT PARK Fuse, License/Dimming Fuse
G402 (1 of 2)
G402 (1 of 2)