GM Service Manual Online
For 1990-2009 cars only
Makes
🢒
Cadillac
🢒
2007
🢒
STS
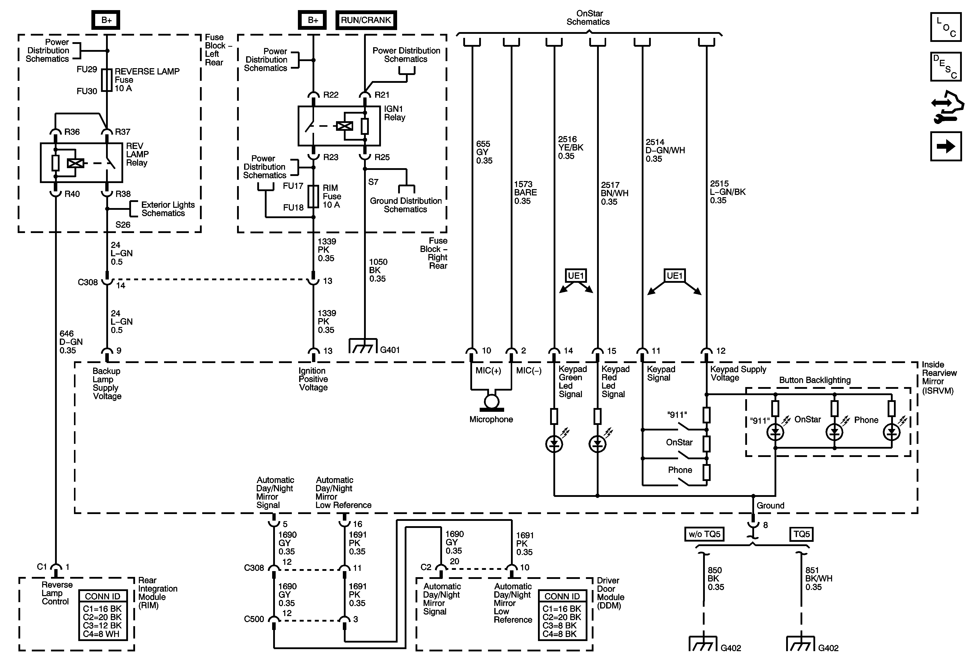
🢒 07 STS Inside Rearview Mirror - Power and Ground
07 STS Inside Rearview Mirror - Power and Ground
Inside Rearview Mirror (ISRVM), Power and Ground
Master Electrical Component List
Automatic Day-Night Mirror Description and Operation
Control Module References
Automatic Headlamp Dimming Signals
Fuse Block Underhood Wiring Bussing
Backup Lamps, CHMSL - Domestic and Export
Fuse Block - Right Rear Bussing
Fuse Block - Right Rear Bussing
Fuse Block - Right Rear Bussing
G401 (2 of 2)
Onstar 1 of 2
G401 (2 of 2)
G402 (1 of 2)
G402 (2 of 2)