GM Service Manual Online
For 1990-2009 cars only
Makes
🢒
Cadillac
🢒
2007
🢒
STS
🢒 Object Detection Schematics
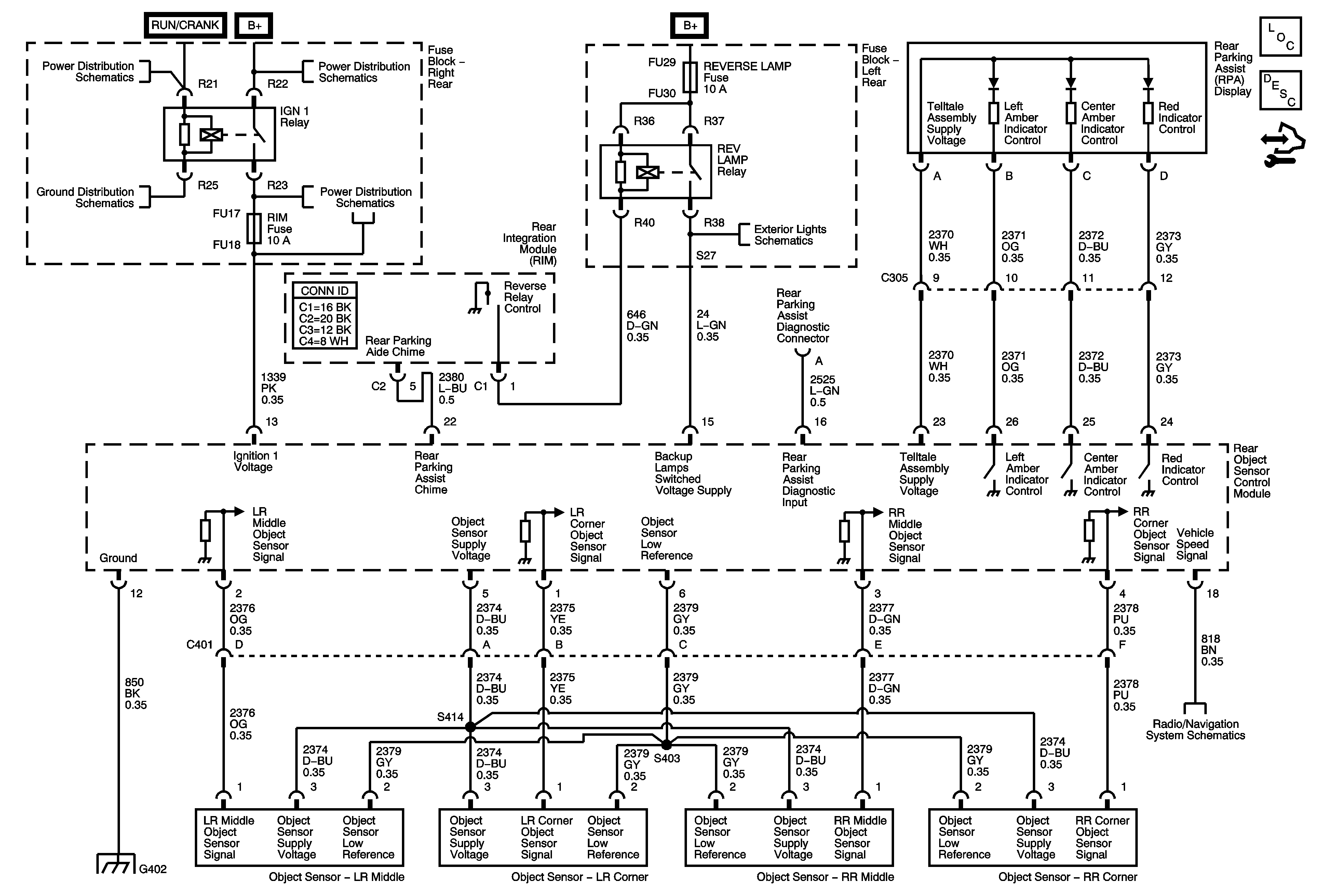
Object Detection Schematics
Master Electrical Component List
Object Detection Description and Operation
Control Module References
Ignition Mode Switch
Fuse Block - Right Rear Bussing
Fuse Block - Right Rear - Lt Turn Signal, RIM 1, Rear Fog Lamp, Ft Pass Door Module, Htd Stg Clm, IGN 1, RIM 2 and Airbag Fuses, Rear Fog Lamp and Ign 1 Relays
G401 (1 of 2)
Backup Lamps, CHMSL - Domestic and Export
G402 (2 of 2)
Microphone, VSS and GPS Antenna