GM Service Manual Online
For 1990-2009 cars only

Test Description

The number(s) below refer to the step number(s) on the diagnostic table.

  1. Command both the ON and OFF states. Repeat the commands as necessary.

Step

Action

Value(s)

Yes

No

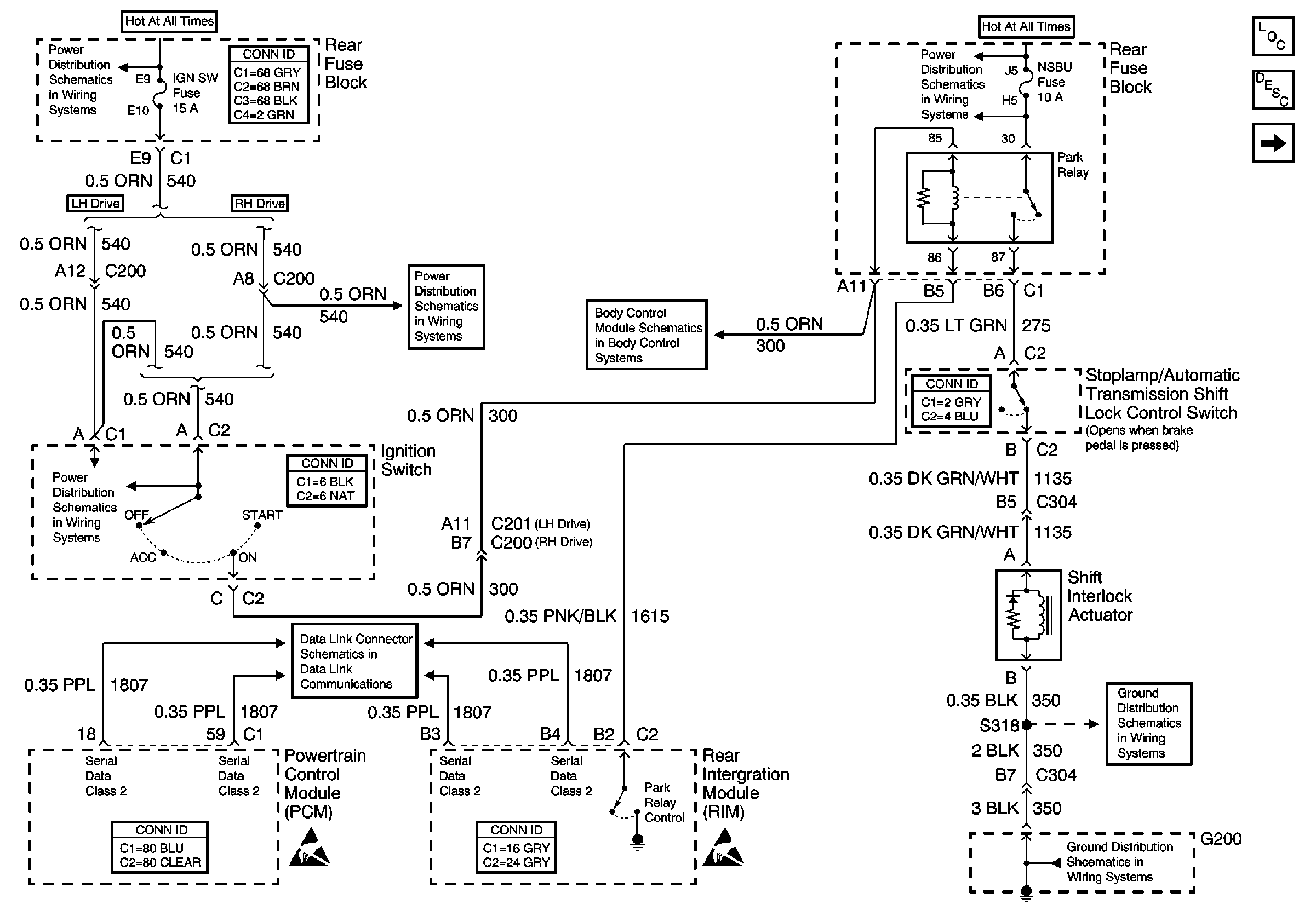
SCHEMATIC REFERENCE:

Shift Interlock Actuator Control


Object Number: 575956  Size: FS
Automatic Transmission Components
Automatic Transmission Shift Lock Control Circuit Description
Reverse Lockout Actuator Control
Handling ESD Sensitive Parts Notice
Handling ESD Sensitive Parts Notice
Class 2 Serial Data Line (RH Drive)
DIM Ignition Inputs
Ignition Switch
Ignition Switch
IGN SW, HTDST LR, HTDST RR, and HTDST RF Fuses
NSBU, F/PMP, CVRTD and BODY Fuses
G200 2 of 2
G200 2 of 2

1

Did you perform A Diagnostic System Check - Automatic Transmission Shift Lock Control?

--

Go to Step 2

Go to Diagnostic System Check - Automatic Transmission Shift Lock Control

2

Operate the Automatic Transmission Shift Lock Control System.

Does the system operate normally?

--

Go to Testing for Intermittent Conditions and Poor Connections in Wiring Systems

Go to Step 3

3

Inspect the NSBU fuse for an open.

Is the fuse open?

--

Go to Step 14

Go to Step 4

4

  1. Turn ON the ignition, with the engine OFF.
  2. Select from the special functions, the park relay from the Rear Integration Module (RIM) output controls.
  3. With a scan tool, command the park relay ON and OFF.

Do you hear a click when you command the park relay ON and OFF?

--

Go to Step 7

Go to Step 5

5

  1. Turn OFF the ignition.
  2. Remove the park relay.
  3. Turn ON the ignition, with the engine OFF.
  4. Connect a test lamp between the battery positive voltage circuit of the park relay coil and a good ground.

Does the test lamp illuminate?

--

Go to Step 6

Go to Step 20

6

  1. Connect a test lamp between the control circuit of the park relay and the battery positive voltage circuit of the park relay coil.
  2. With a scan tool, command the park relay ON.

Does the test lamp illuminate?

--

Go to Step 15

Go to Step 13

7

  1. Turn OFF the ignition.
  2. Remove the park relay.
  3. Turn ON the ignition, with the engine OFF.
  4. Connect a test lamp between the battery positive voltage circuit of the park relay switch and a good ground.

Does the test lamp illuminate?

--

Go to Step 8

Go to Step 21

8

  1. Connect a 10 amp fused jumper between the battery positive voltage circuit of the park relay switch and the supply voltage circuit of the auto trans shift lock control switch.
  2. Set the emergency brake.
  3. Attempt to shift the transmission out of PARK.

Does the transmission shift out of PARK?

--

Go to Step 9

Go to Step 15

9

  1. Disconnect the stoplamp/automatic transmission shift lock control switch.
  2. Connect a test lamp between supply positive voltage circuit of the automatic transmission shift lock control switch and a good ground.

Does the test lamp illuminate?

--

Go to Step 10

Go to Step 22

10

  1. Connect a 10 amp fused jumper between the supply voltage circuit of the stoplamp/automatic transmission shift lock control switch and the controlled positive voltage circuit of the automatic transmission shift lock control actuator.
  2. Attempt to shift the transmission out of PARK.

Does the transmission shift out of PARK?

--

Go to Step 11

Go to Step 16

11

  1. Disconnect the automatic transmission shift lock control actuator.
  2. Connect a test lamp between controlled positive voltage circuit of the automatic transmission shift lock control actuator and a good ground.

Does the test lamp illuminate?

--

Go to Step 12

Go to Step 23

12

Connect a test lamp between the controlled positive voltage circuit of the automatic transmission shift lock control actuator and the ground circuit of auto trans shift lock control actuator.

Does the test lamp illuminate?

--

Go to Step 17

Go to Step 24

13

Test the control circuit of the park relay for an open or short to battery positive voltage. Refer to Circuit Testing and Wiring Repairs in Wiring Systems.

Did you find and correct the condition?

--

Go to Step 29

Go to Step 18

14

Test the supply voltage circuit of the stoplamp/automatic transmission shift lock control switch for a short to ground. Refer to Circuit Testing and Wiring Repairs in Wiring Systems.

Did you find and correct the condition?

--

Go to Step 29

Go to Step 19

15

Inspect for poor connections at the park relay. Refer to Testing for Intermittent Conditions and Poor Connections and Connector Repairs in Wiring Systems.

Did you find and correct the condition?

--

Go to Step 29

Go to Step 25

16

  1. Inspect the stoplamp/automatic transmission shift lock control switch for proper installation and adjustment. Refer to Stop Lamp Switch Adjustment in Hydraulic Brakes.
  2. Inspect for poor connections at the stoplamp/automatic transmission shift lock control switch. Refer to Testing for Intermittent Conditions and Poor Connections and Connector Repairs in Wiring Systems.

Did you find and correct the condition?

--

Go to Step 29

Go to Step 26

17

Inspect for poor connections at the automatic transmission shift lock control actuator. Refer to Testing for Intermittent Conditions and Poor Connections and Connector Repairs in Wiring Systems.

Did you find and correct the condition?

--

Go to Step 29

Go to Step 27

18

Inspect for poor connections at the harness connector of the RIM. Refer to Testing for Intermittent Conditions and Poor Connections and Connector Repairs in Wiring Systems.

Did you find and correct the condition?

--

Go to Step 29

Go to Step 28

19

Repair a short to ground in the controlled positive voltage circuit of the automatic transmission shift lock control actuator. Refer to Wiring Repairs in Wiring Systems.

Did you complete the repair?

--

Go to Step 29

--

20

Repair an open in the battery positive voltage circuit the park relay coil. Refer to Wiring Repairs in Wiring Systems.

Did you complete the repair?

--

Go to Step 29

--

21

Repair an open in the battery positive voltage circuit of the park relay switch. Refer to Wiring Repairs in Wiring Systems.

Did you complete the repair?

--

Go to Step 29

--

22

Repair an open in the supply positive voltage circuit of the automatic transmission shift lock control switch. Refer to Wiring Repairs in Wiring Systems.

Did you complete the repair?

--

Go to Step 29

--

23

Repair an open in the controlled positive voltage circuit of the automatic transmission shift lock control actuator. Refer to Wiring Repairs in Wiring Systems.

Did you complete the repair?

--

Go to Step 29

--

24

Repair an open in the ground circuit of the automatic transmission shift lock control actuator. Refer to Wiring Repairs in Wiring Systems.

Did you complete the repair?

--

Go to Step 29

--

25

Replace the park relay.

Did you complete the replacement?

--

Go to Step 29

--

26

Replace the stoplamp/automatic transmission shift lock control switch. Refer to Stop Lamp Switch Replacement in Hydraulic Brakes.

Did you complete the replacement?

--

Go to Step 29

--

27

Replace the automatic transmission shift lock control actuator. Refer to Park Lock Cable Replacement in Automatic Transaxle - 4T80-E.

Did you complete the replacement?

--

Go to Step 29

--

28

Replace the RIM. Refer to Rear Integration Body Control Module Replacement in Body Control System.

Did you complete the replacement?

--

Go to Step 29

--

29

Operate the system in order to verify the repair.

Did you correct the condition?

--

System OK

Go to Step 2