GM Service Manual Online
For 1990-2009 cars only
Makes
🢒
Cadillac
🢒
2000
🢒
Seville
🢒 LRDM Power, Ground, Inputs, and Outputs
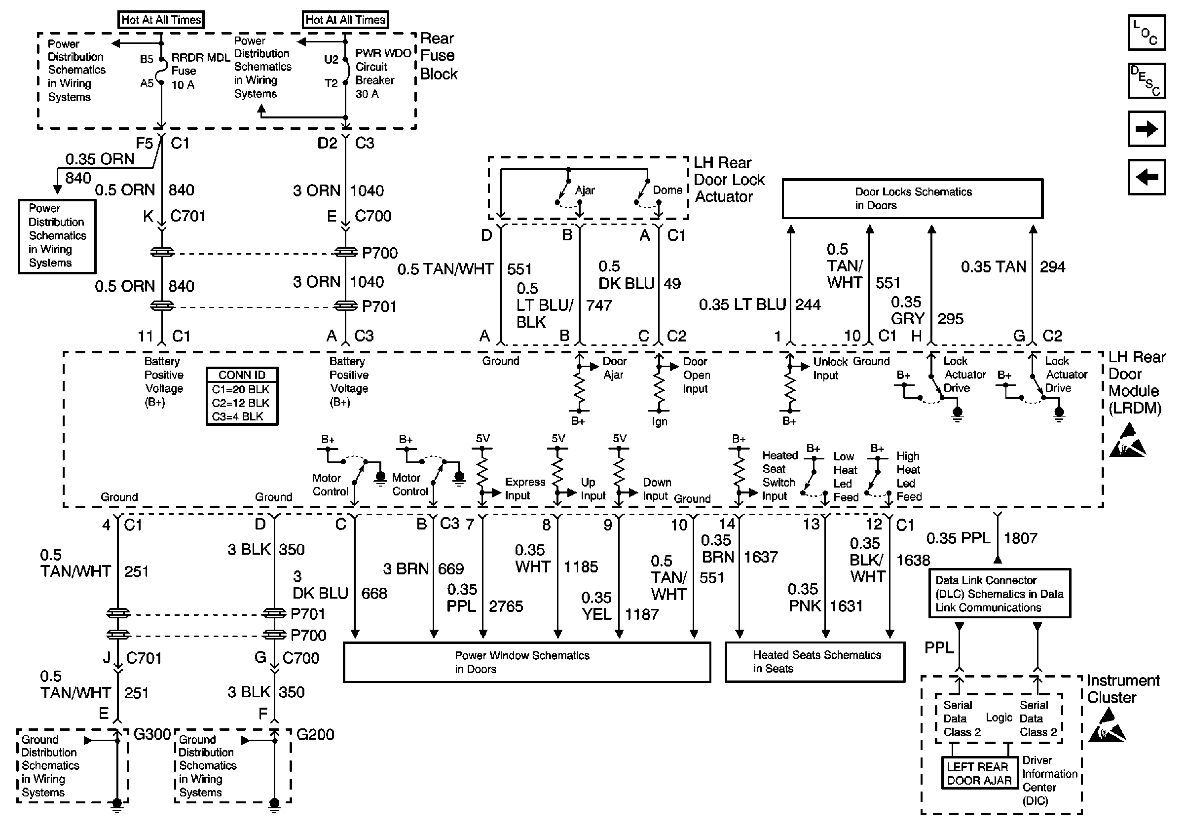
LRDM Power, Ground, Inputs, and Outputs
LRDM Power, Ground, Inputs, and Outputs
Power Door Systems Components
Automatic Door Lock System Description
RRDM Power, Ground, Inputs, and Outputs
RFDM Inputs and Outputs
PDM, RF AND RR Actuators and Switches
DRV MDL, PASS MDL, RRDR MDL and DLC Fuses
DRV MDL, PASS MDL, RRDR MDL and DLC Fuses
PWR WDO Circuit Breaker
LH Power Windows
Rear Heated Seat Switches
Handling ESD Sensitive Parts Notice
G300
G200 1 of 2