GM Service Manual Online
For 1990-2009 cars only
Makes
🢒
Cadillac
🢒
2000
🢒
Seville
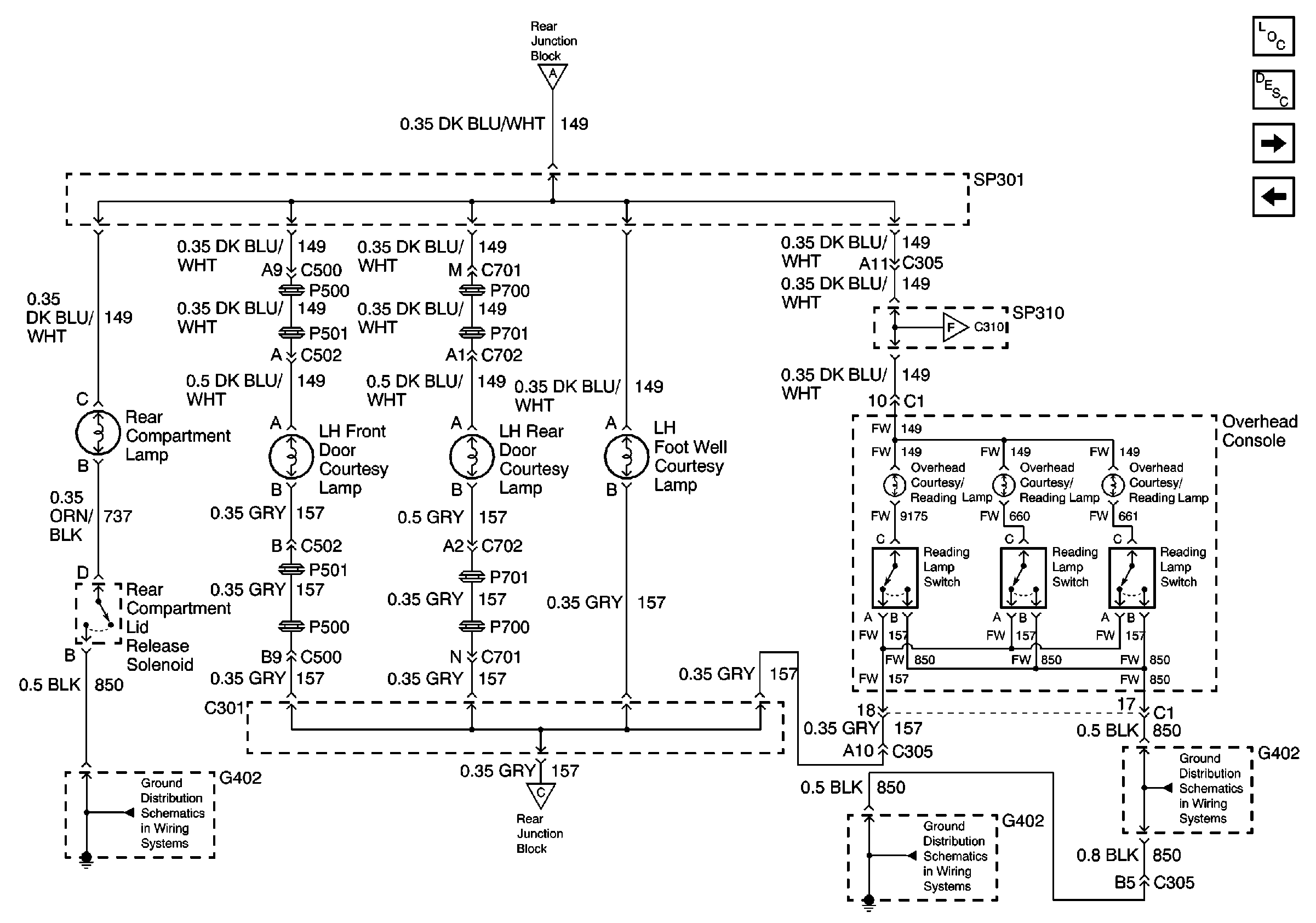
🢒 Rear Compartment, LH Courtesy, and Overhead Console Lamps
Rear Compartment, LH Courtesy, and Overhead Console Lamps
Rear Compartment, LH Courtesy, and Overhead Console Lamps
Lighting Systems Components
Interior Lights Circuit Description
Vanity and Reading Lamps, Interior Lamp Switch
Interior Lamp Relays
Interior Lamp Relays
Vanity and Reading Lamps, Interior Lamp Switch
G402 1 of 2
G402 1 of 2
Interior Lamp Relays
G402 1 of 2