GM Service Manual Online
For 1990-2009 cars only
Makes
🢒
Cadillac
🢒
2000
🢒
Seville
🢒 Interior Lamp Relays
Interior Lamp Relays
Interior Lamp Relays
Lighting Systems Components
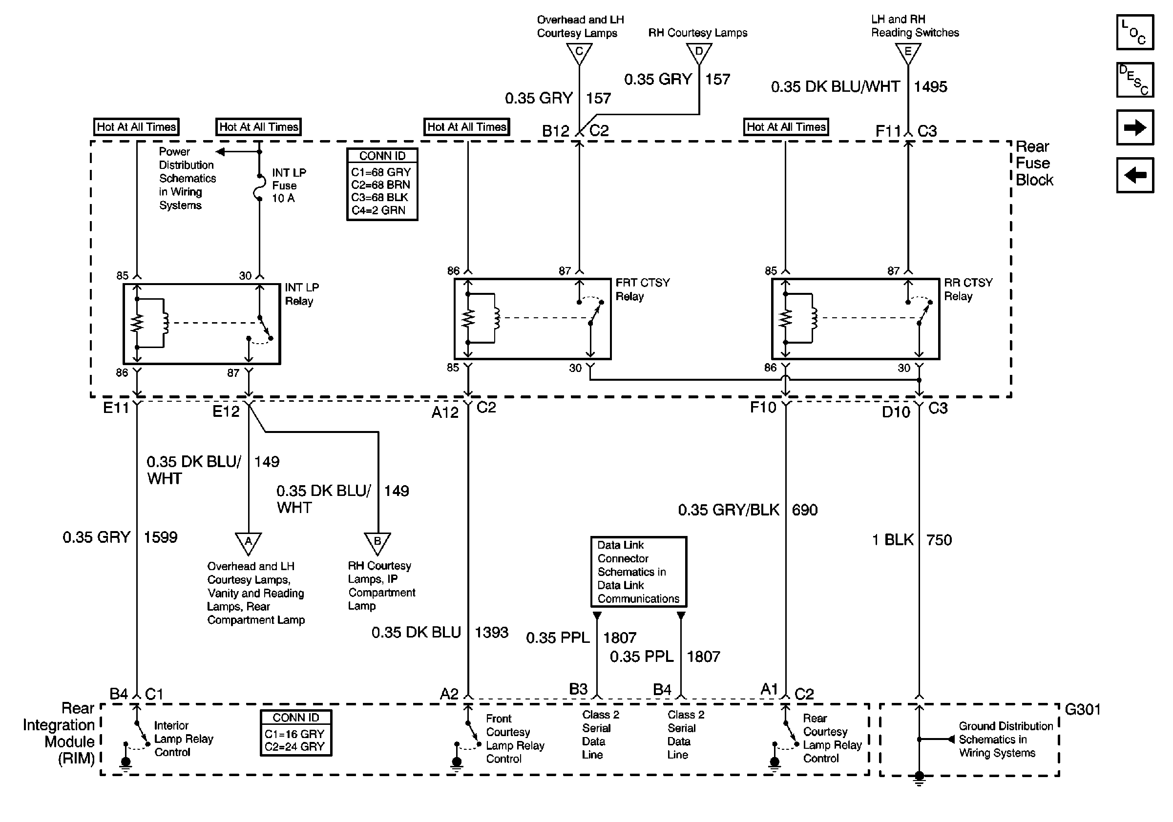
Interior Lights Circuit Description
Rear Compartment, LH Courtesy, and Overhead Console Lamps
Door Jamb Switches
INT LP Fuse and Relay
Class 2 Serial Data Line (RH Drive)
Rear Compartment, LH Courtesy, and Overhead Console Lamps
RH Courtesy, IP Compartment, and Ignition Key Cylinder Lamps
Vanity and Reading Lamps, Interior Lamp Switch
Rear Compartment, LH Courtesy, and Overhead Console Lamps
RH Courtesy, IP Compartment, and Ignition Key Cylinder Lamps
G301