GM Service Manual Online
For 1990-2009 cars only
Makes
🢒
Cadillac
🢒
2000
🢒
Seville
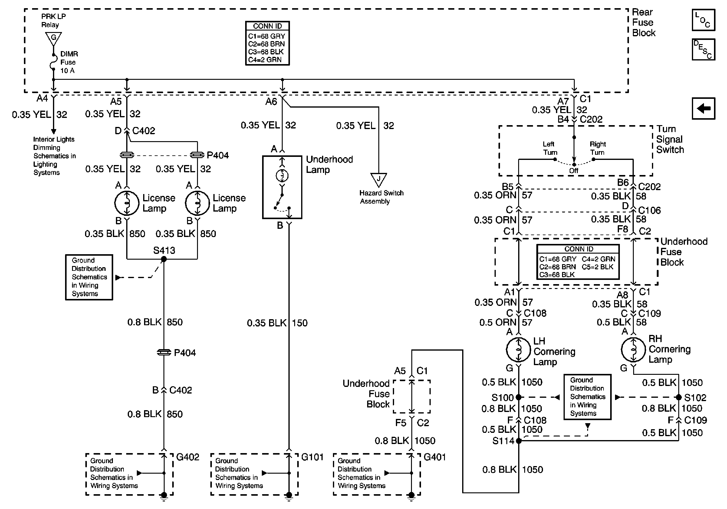
🢒 License, Underhood, and Cornering Lamps
License, Underhood, and Cornering Lamps
License, Underhood, and Cornering Lamps
Lighting Systems Components
Exterior Lights Circuit Description
Position Lamps
Headlamp Switch, PRK LP Relay
G402 2 of 2
G402 2 of 2
G101 and G105
G401 3 of 3
G401 3 of 3
Hazard Switch Assembly